Запчасти Case 521D (09-34A) - CAB - MOUNTING AND GLASS (09) - CHASSIS

Схема запчастей Case 521D - (09-34A) - CAB - MOUNTING AND GLASS (09) - CHASSIS
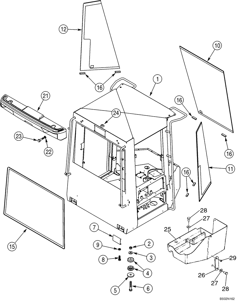
29
2
16
26
9
27
28
12
25
10
3
15
24
27
28
22
16
1
6
11
5
16
16
23
4
8
21
7
FIT
1:1
100%

Артикул

Название

Примечание

Количество

400022A1

CAB

Service Shell; Includes Frame, Doors, Windows, Glass and Seals

1шт.

1

NSS

NOT SOLD SEPARAT

Frame

1шт.

2

329-1014

NUT,7/8"-9, G8

4шт.

3

396-41094

WASHER,23.82mm ID x 57.15mm OD x 5.56mm Thk

4шт.

4

358981A1

RUBBER MOUNTING

Cab Support

4шт.

4a

358982A1

RUBBER MOUNTING

Cab Support; Front

4шт.

5

1332154C1

WASHER,23mm ID x 95.3mm OD x 12.7mm Thk

Special

4шт.

6

326-1488

BOLT,Hex, 7/8" - 9 x 5-1/2", Gr 8

4шт.

7

241301A1

COVER

Access

2шт.

8

627-6020

BOLT,Hex, M6 x 1 x 20mm, Cl 10.9, Full Thd

4шт.

9

895-25006

WASHER,6.6mm ID x 18mm OD x 1.6mm Thk

4шт.

10

326951A1

CAB GLASS ASSY

Cab Front; Center; Requires Items 13 and 14 For Installation

1шт.

11

198053A1

GLASS

Cab Front; Right Hand; Requires Items 13 and 14 For Installation

1шт.

12

198052A1

GLASS

Cab Front; Left Hand; Requires Items 13 and 14 For Installation

1шт.

13

114327A1

TAPE

Special; Not Illustrated

2шт.

14

114328A1

SEALANT

Used With Item 13 Tape; Not Illustrated

1шт.

15

198054A1

GLASS

Cab Rear Window

1шт.

16

97268C1

SPACER

Glass Installation

6шт.

21

321576A2

RETAINER

Rear Light

1шт.

22

896-15012

WASHER,13.5mm ID x 28mm OD x 4mm Thk

13,5 x 28 x 4 mm

2шт.

23

827-12050

BOLT,Hex, M12 x 1.75 x 50mm, Cl 10.9

2шт.

24

217-476

DRAIN PLUG,Sq Soc, 1" - 11-1/2, NTPF

If used

1шт.

25

433230A1

TRAY

Storage

1шт.

26

445354A1

STRAP

Storage Tray

1шт.

27

895-15010

WASHER,11mm ID x 24mm OD x 2mm Thk

2шт.

28

627-10020

BOLT,Hex, M10 x 1.5 x 20mm, Cl 10.9, Full Thd

M6

2шт.

29

1270742C1

PREV TORQUE BOLT,Cross Rec Pan Hd, M6 x 1 x 12mm

1шт.

297865A1

WASHER,6.6mm ID x 12mm OD x 1.6mm Thk

6,6 x 12,0 x 1,6 mm

1шт.

834-502

CROWN NUT,Crown, M6, Cl8

1шт.

Выбрано товаров: 29