Запчасти Case 521D (02-22) - TURBOCHARGER SYSTEM (02) - ENGINE

Схема запчастей Case 521D - (02-22) - TURBOCHARGER SYSTEM (02) - ENGINE
33
25
24
28
43
39
2
29
26
36
36
24
33
1
30
31
35
24
24
37
38
24
34
5
42
24
27
32
4
40
6
3
23
41
26
31
25
FIT
1:1
100%

Артикул

Название

Примечание

Количество

1

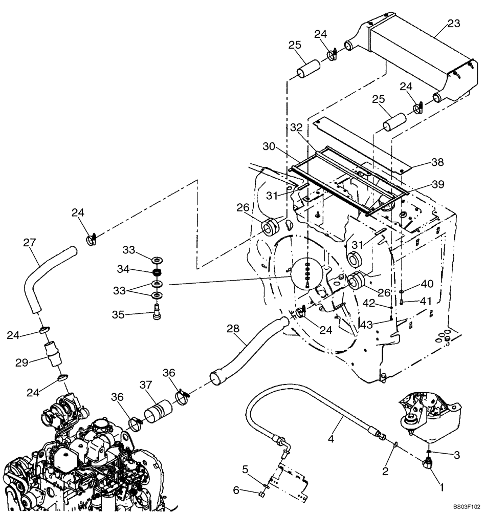
87426452

FITTING

90 deg, Adj; Incl. 2, 3

1шт.

2

4895133

GASKET,0.5mm Thk

5/8 ID x 1/16, Face Seal

1шт.

3

637-63193

O-RING,2.2mm Thk x 19.3mm ID, Cl 6, 90 Duro

Boss Seal

1шт.

4

86990586

FLEXIBLE HOSE

Remote Oil Drain Hose

1шт.

5

218-1251

BHD LOCK NUT,Blkhd, 7/8"-14

5/8" OD tube

1шт.

6

218-756

CAP,37 Degree, 7/8"-14

5/8

1шт.

23

399860A1

AFTERCOOLER

1шт.

24

254026A1

HOSE CLAMP,44.45mm - 66.67mm

6шт.

25

402568A1

INTAKE AIR HOSE,50.80 mm ID x 127.00 mm

Air Cooler

2шт.

25

87340023

HOSE,50.80mm ID x 127mm L

Air Cooler; Replaces 402568A1

2шт.

26

402614A1

SEAL

2шт.

27

87403106

TUBE,50.8 mm OD x 326, 224 mm L

Air Turbo

1шт.

28

86991063

AIR INTAKE TUBE,63.50 mm OD x 440, 320 mm L

Air Intake

1шт.

29

417370A1

TUBE

76 x 140; Charge Air

1шт.

29

87340027

HOSE,50.80mm ID x 127mm L

Charge Air, Replaces 417370A1

1шт.

30

86983215

SEAL

2шт.

31

86984661

FOAM

2шт.

32

381934A1

SEAL

2шт.

33

895-15010

WASHER,11mm ID x 24mm OD x 2mm Thk

6шт.

34

386040R1

SPRING

2шт.

35

561-703

HEX SOC SCREW,M8 x 32.4, 10 x 16mm shldr, Cl 12.9

2шт.

36

L115549

CLAMP,69.85mm - 92.08mm

2шт.

37

8501051

AIR HOSE,76.20 mm ID x 140.00 mm

Charge Air

1шт.

37

87340015

INTAKE AIR HOSE,76.20mm ID x 140mm L

Replaces 8501051

1шт.

38

86984649

PLATE

Cooling Frame

1шт.

39

381938A1

SEAL

Radiator; Foam

1шт.

40

895-25008

WASHER,9mm ID x 24mm OD x 2mm Thk

9 x 24 x 2 mm

2шт.

42

892-11008

LOCK WASHER,8mm ID

2шт.

43

614-8016

BOLT,Hex, M8 x 1.25 x 16mm, Cl 8.8, Full Thd

2шт.

41

627-8025

BOLT,Hex, M8 x 1.25 x 25mm, Cl 10.9, Full Thd

2шт.

Выбрано товаров: 30