Запчасти Case 521D (03-02) - PEDAL ASSY - THROTTLE, FOOT (03) - FUEL SYSTEM

Схема запчастей Case 521D - (03-02) - PEDAL ASSY - THROTTLE, FOOT (03) - FUEL SYSTEM
5
3
6
8
4
8
6
4
3
4
2
6
4
3
4
7
1
7
5
1
4
FIT
1:1
100%

Артикул

Название

Примечание

Количество

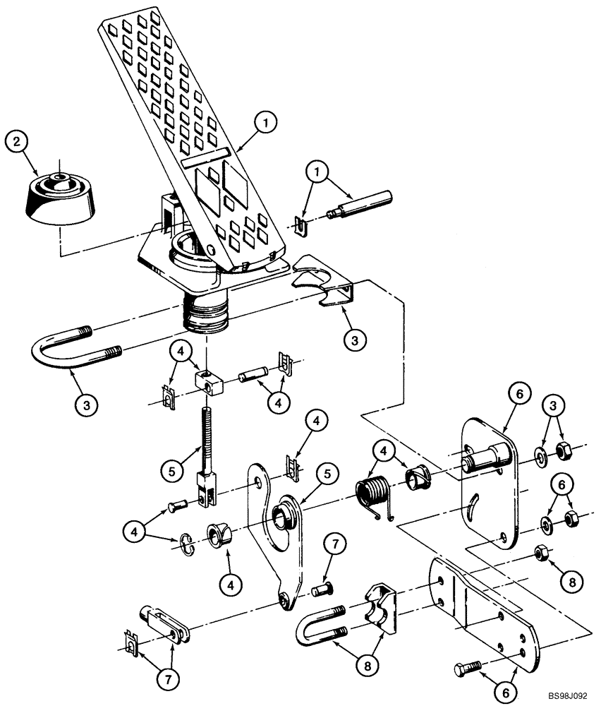
295157A1

PEDAL ASSY.

Incl. 1- 8

1шт.

1

336463A1

SET OF PARTS

Pedal; Includes (1) Pedeal, (1) Pivot Pin, (1) Spring Clip

1шт.

2

336467A1

SET OF PARTS

Bellows; Includes (1) Bellows

1шт.

3

336461A1

SET OF PARTS

U-Bolt Assy; Includes (1) Bracket; (1) U-Bolt, (2) Lock Washers, (2) Nuts

1шт.

4

336460A1

KIT

Bearing and Hardware; Includes (2) Bearing, (1) Circlip, (1) Bearing Long Pin, (1) Block, (3 Spring Slips, (1) Short Pin Bearing and (1) Spring

1шт.

5

336462A1

SET OF PARTS

Lever and Push Rod; Includes (1) Rod, (1) Lever Assembly

1шт.

6

336464A1

SET OF PARTS

Cable Hanger and Support Bracket; Includes (1) Bracket, (2) Long Hex Screws, (2) Hext Nuts, (2) Flat Washers, (1) Hanger Plate

1шт.

7

336466A1

SET OF PARTS

Clevis and Hardware; Includes (1) Fork End, (1) Spring Clip, (1) Clevis Pin

1шт.

8

336465A1

SET OF PARTS

Cable Anchor; Includes (1) U-Bolt Clamp, (1) Shim, (2) Elastic Stop Nuts

1шт.

Выбрано товаров: 9