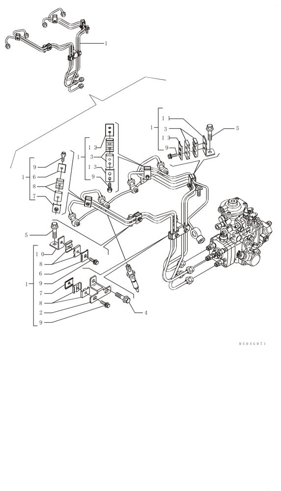
Запчасти Case 521D (03-10) - FUEL INJECTION SYSTEM (03) - FUEL SYSTEM

Схема запчастей Case 521D - (03-10) - FUEL INJECTION SYSTEM (03) - FUEL SYSTEM
9
8
5
5
13
11
1
9
7
6
1
8
9
1
9
12
6
1
1
8
10
2
bs04g071
7
3
9
4
3
13
FIT
1:1
100%

Артикул

Название

Примечание

Количество

1

2852535

KIT

- ASSY

1шт.

2

4896761

BRACKET

1шт.

3

4896919

SHOCK ABSORBER

4шт.

4

4896884

BOLT,Flng, M8 x 1.25 x 16mm, Cl 10.9

1шт.

5

4899039

BOLT,Flng, M8 x 1.25 x 25mm, Cl 10.9

2шт.

6

4895242

BRACKET

2шт.

7

4895251

BRACKET

3шт.

8

4895252

SHOCK ABSORBER

8шт.

9

4895310

CAPTIVE WASHER SCREW

8шт.

10

4895346

BRACKET

1шт.

11

4896907

BRACKET

1шт.

12

4898638

BRACKET

1шт.

13

4895590

BRACKET

2шт.

Выбрано товаров: 13