Запчасти Case 521D (04-14) - HARNESS - TRANSMISSION (04) - ELECTRICAL SYSTEMS

Схема запчастей Case 521D - (04-14) - HARNESS - TRANSMISSION (04) - ELECTRICAL SYSTEMS
1
8
6
11
1
5
2
8
8
10
8
7
4
2
7
8
2
7
3
FIT
1:1
100%

Артикул

Название

Примечание

Количество

1

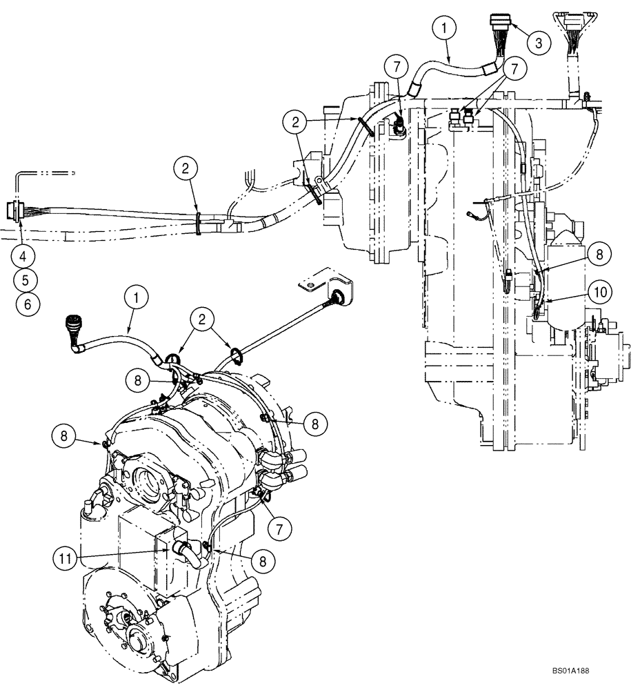
86982782

SPADE TERMINAL,14 - 16 SAE

Transmission; Use Existing Hardware

1шт.

1

86992782

HARNESS

Transmission

1шт.

2

L18337

CABLE TIE,9.95"-12.1" lg

CABLE STRAP 15 in

5шт.

3

373358A1

CONNECTOR,ELECTRIC

Cab Harness

1шт.

4

291659A1

ELEC CONNECTOR,Male, 19 Pin

Engine Harness; Incl. 5, 6

1шт.

5

459330C1

LOCK WASHER

1шт.

6

459329C1

NUT

1шт.

7

291718A1

ELEC CONNECTOR,Female, 2 Pin

4шт.

8

515-2495

CLAMP,3/8", Insul, 7/16" Bolt

Use Existing Hardware

4шт.

9

371614A1

ELEC CONNECTOR,Female, 2 Pin

Switch; Filter Maintenance

1шт.

10

291719A1

CONNECTOR, ELEC

CONNECTOR Output Speed Sensor

1шт.

11

371566A1

CONNECTOR,ELECTRIC

Main Transmission

1шт.

Выбрано товаров: 12