Запчасти Case 621D (02-02) - RADIATOR - MOUNTING (02) - ENGINE

Схема запчастей Case 621D - (02-02) - RADIATOR - MOUNTING (02) - ENGINE
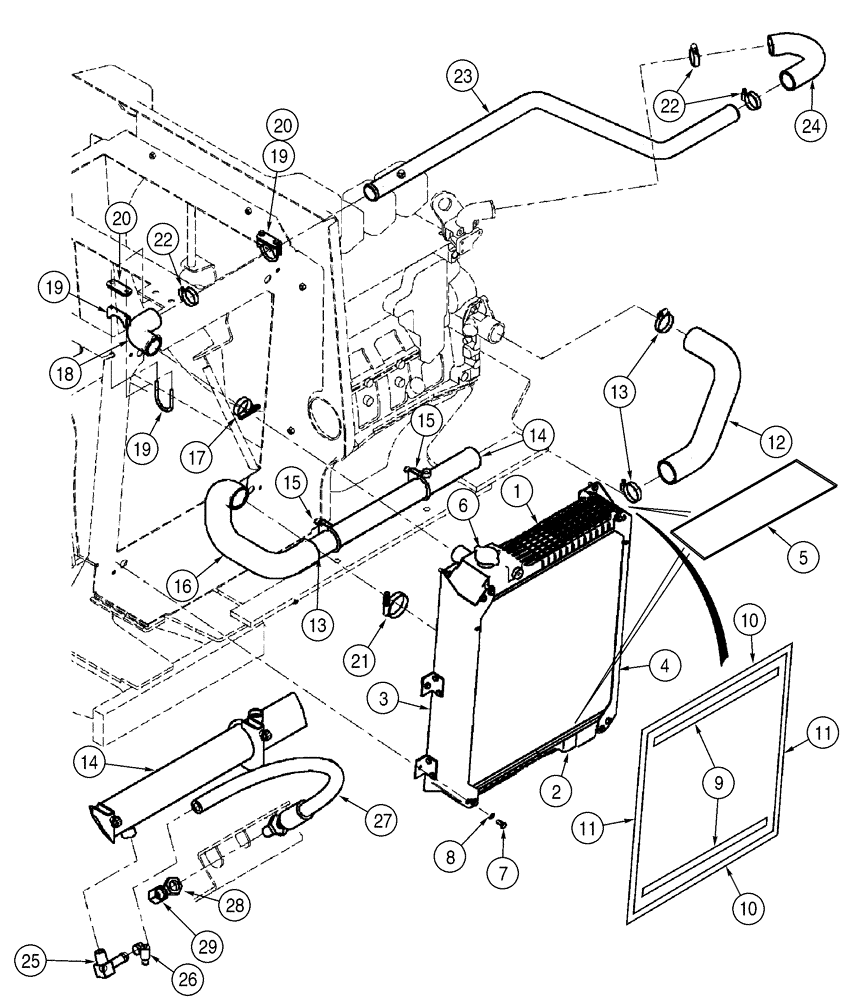
3
14
15
25
21
19
29
6
15
26
19
12
22
20
4
5
7
10
14
11
9
18
10
23
13
11
16
24
22
19
2
17
27
20
1
28
13
8
FIT
1:1
100%

Артикул

Название

Примечание

Количество

347611A3

RADIATOR

1шт.

Incl. 1 - 6

1шт.

1

403767A1

TANK

1шт.

Upper

1шт.

2

403768A1

TANK

1шт.

Bottom

1шт.

3

403769A1

CHANNEL

1шт.

Left Side

1шт.

4

403770A1

HOLDER

1шт.

Right Side

1шт.

5

254409A1

GASKET,3.15mm Thk

2шт.

6

A170241

RADIATOR CAP

15 psi

1шт.

7

627-8020

BOLT,Hex, M8 x 1.25 x 20mm, Cl 10.9, Full Thd

4шт.

8

892-11008

LOCK WASHER,8mm ID

4шт.

9

381963A1

SEAL

450 ML (17-11/16 IN)

2шт.

Cut From 187874C2

1шт.

Upper And Lower

1шт.

10

381962A1

SEAL

537 ml (21-1/8 in)

2шт.

Cut From 198573C2

1шт.

Upper And Lower

1шт.

11

381938A1

SEAL

652 ml (25-11/16 in)

2шт.

Cut From 198573C2

1шт.

Upper And Lower

1шт.

12

380178A2

HOSE,57.20 mm ID x 252.00 mm

1шт.

13

214-1440

HOSE CLAMP,#40, 2.06" - 3", Type F Worm

3шт.

14

393940A2

PIPE ASSY.

1шт.

15

393632A1

CLAMP

2шт.

U-Bolt Assy

1шт.

16

380125A2

RADIATOR HOSE,57.20 mm ID x 218.00 mm, SAE 20R4, CLASS C OR D1,SAE J20R4

1шт.

17

254026A1

HOSE CLAMP,44.45mm - 66.67mm

1шт.

18

381232A1

HOSE,44.50 mm ID x 87.00 mm, SAE J20R4 Class D1

1шт.

19

382189A1

CLAMP

2шт.

U-Bolt Assy

1шт.

20

382188A2

PLATE

2шт.

21

L115548

CLAMP,57.15mm - 79.38mm

1шт.

22

214-1436

HOSE CLAMP,#36, 1.81" - 2.75", Type F Worm

3шт.

23

388327A1

PIPE ASSY.

1шт.

24

380181A1

HOSE,44.50 mm ID x 336.00 mm, SAE 20R4 Class D1, SAE J20R4

1шт.

25

217-133

ELBOW,90 Degree Elbow, 1/2" Hose Barb x 3/8" Male NPTF

1шт.

26

214-1410

HOSE CLAMP,#10, 0.56" - 1.06", Type F Worm

1шт.

27

397438A1

HOSE ASSY.

1шт.

28

218-1255

BHD LOCK NUT,Blkhd, 3/4"-16

1шт.

29

218-755

CAP,37 Degree, 3/4"-16

1/2" tube

1шт.

Выбрано товаров: 43