Запчасти Case 621D (06-15) - TRANSMISSION - POWER TAKE OFF (06) - POWER TRAIN

Схема запчастей Case 621D - (06-15) - TRANSMISSION - POWER TAKE OFF (06) - POWER TRAIN
1
7
5
8
4
2
3
6
9
10
FIT
1:1
100%

Артикул

Название

Примечание

Количество

318999A1

TRANSMISSION

1шт.

Incl. 6-11 - 6-49, 07-01

1шт.

8605546

REMAN-TRANSMISSION

Remanufactured Transmission

1шт.

8605545

CORE-TRANSMISSION

Return Part Number

1шт.

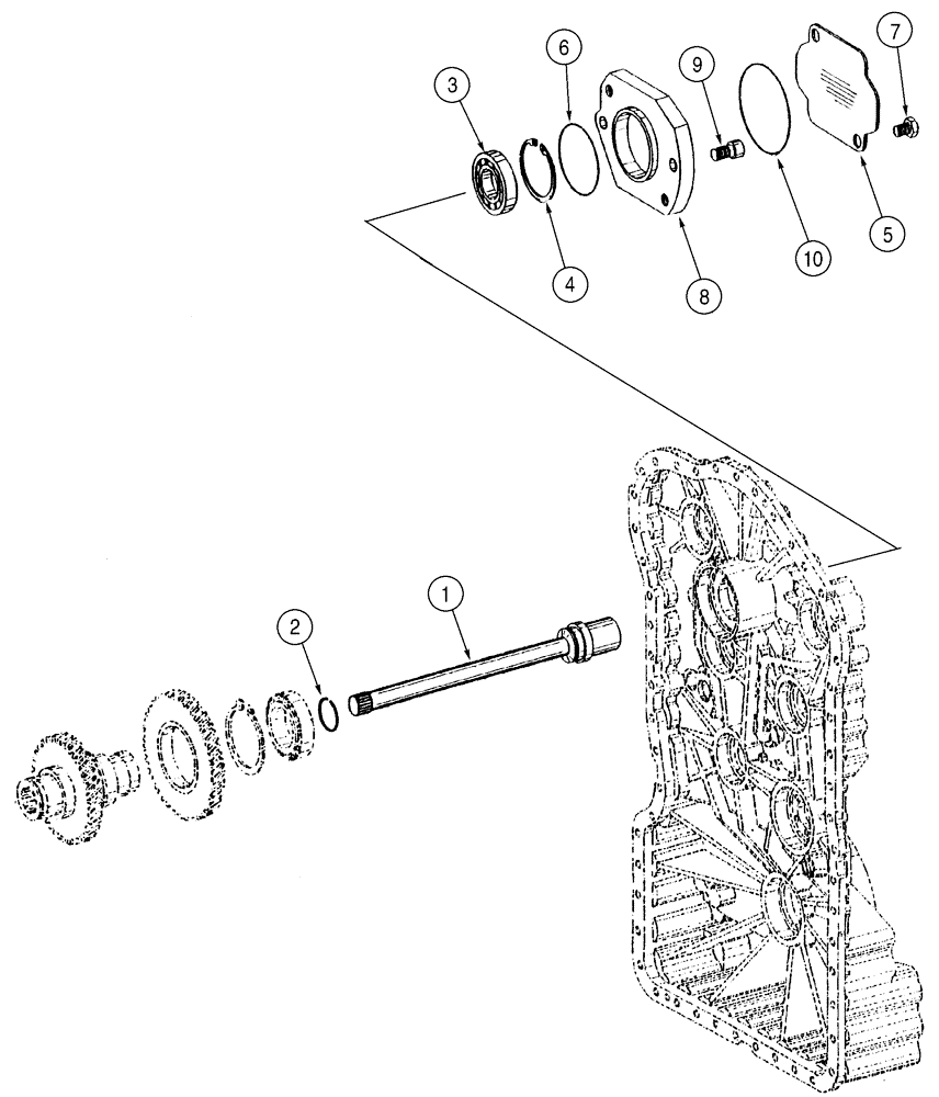
1

404459A1

SHAFT

Pump

1шт.

2

330915A1

RING, SNAP

RING SNAP

1шт.

3

330916A1

BEARING, BALL

1шт.

4

330917A1

RING, SNAP

RING SNAP

1шт.

5

404460A1

PLATE

1шт.

6

331982A1

O-RING

1шт.

7

185380A1

SCREW

2шт.

8

404461A1

FLANGE

1шт.

9

404462A1

SCREW,M16 x 30mm

M16 x 30

2шт.

10

330918A1

O-RING,3mm Thk x 104mm ID

1шт.

Выбрано товаров: 14