Запчасти Case 621D (06-20) - TRANSMISSION - SENSOR, SPEED AND PUMP COVER (06) - POWER TRAIN

Схема запчастей Case 621D - (06-20) - TRANSMISSION - SENSOR, SPEED AND PUMP COVER (06) - POWER TRAIN
8
10
7
6
4
4
6a
5
1
2
9
3
11
5
FIT
1:1
100%

Артикул

Название

Примечание

Количество

318999A1

TRANSMISSION

1шт.

Incl. 6-11 - 6-49, 07-01

1шт.

8605546

REMAN-TRANSMISSION

Remanufactured Transmission

1шт.

8605545

CORE-TRANSMISSION

Return Part Number

1шт.

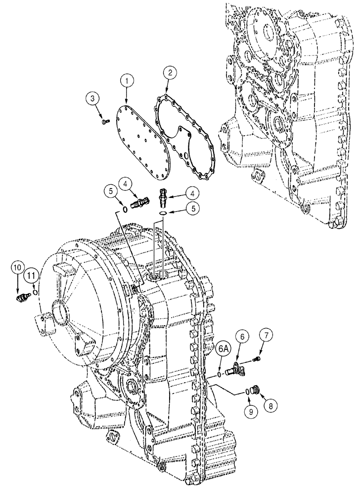
1

331307A1

COVER

Steering Pump

1шт.

2

331308A1

GASKET

1шт.

3

331309A1

CAPSCREW,M8 x 18mm

M8 x 18

23шт.

4

331324A1

SENSOR

Inductive Coupling

3шт.

5

S300495

O-RING,2mm Thk x 15mm ID

3шт.

6

331325A1

SENSOR

Speed

1шт.

Incl. 6A

1шт.

6a

387564A1

O-RING

1шт.

7

331326A1

CAPSCREW,Flg, 5/16" - 18 x 2 3/4", Gr 8

1шт.

8

331328A1

PLUG

1шт.

Incl. 9

1шт.

9

331329A1

O-RING,2mm Thk x 23mm ID

1шт.

10

387101A1

TEMPERATURE SENDER

1шт.

Incl. 11

1шт.

11

331332A1

O-RING

1шт.

Выбрано товаров: 19