Запчасти Case 621D (06-22) - AXLE, FRONT - MOUNTING (06) - POWER TRAIN

Схема запчастей Case 621D - (06-22) - AXLE, FRONT - MOUNTING (06) - POWER TRAIN
3
2
3
3
4
3
2
1
6
5
4
3
FIT
1:1
100%

Артикул

Название

Примечание

Количество

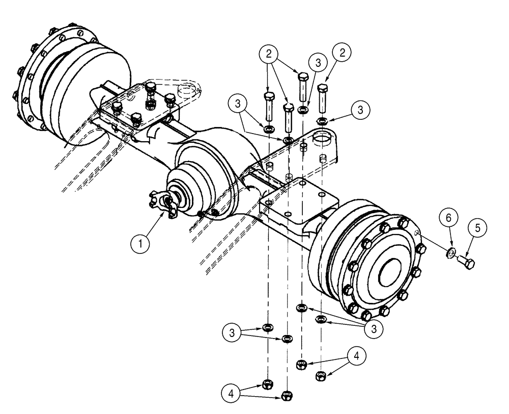
1

389966A1

AXLE, FRONT

1шт.

Open Differential

1шт.

ZF No. 4474 051 019

1шт.

See Figures XX-XX - XX-XX

1шт.

1

319778A1

AXLE, FRONT

1шт.

Limited Slip

1шт.

ZF No. 4474 051 014

1шт.

See Figures XX-XX - XX-XX

1шт.

2

828-24110

BOLT,Hex, M24 x 3 x 110mm, Cl 10.9

8шт.

3

896-11024

WASHER,26mm ID x 44mm OD x 5mm Thk

(26 ID x 44 x 5 mm)

16шт.

4

829-1424

NUT,M24, Cl 10

8шт.

5

514-1315

BOLT,Hex, M22 x 1.5 x 50mm, Cl 10.9

24шт.

6

896-11022

WASHER,24mm ID x 44mm OD x 4mm Thk

24шт.

Выбрано товаров: 13