Запчасти Case 621D (06-23) - AXLE, FRONT - HOUSING (06) - POWER TRAIN

Схема запчастей Case 621D - (06-23) - AXLE, FRONT - HOUSING (06) - POWER TRAIN
7
21
2
28
1
3
2
23
29
18
26
4
6
13
9
17
20
6
22
29
24
30
15
16
10
14
5
27
12
8
30
5
25
19
11
FIT
1:1
100%

Артикул

Название

Примечание

Количество

389966A1

AXLE, FRONT

1шт.

Open Differential

1шт.

Incl. 6-53 - 6-67

1шт.

319778A1

AXLE, FRONT

1шт.

Limited Slip

1шт.

Incl. 6-53 - 6-67

1шт.

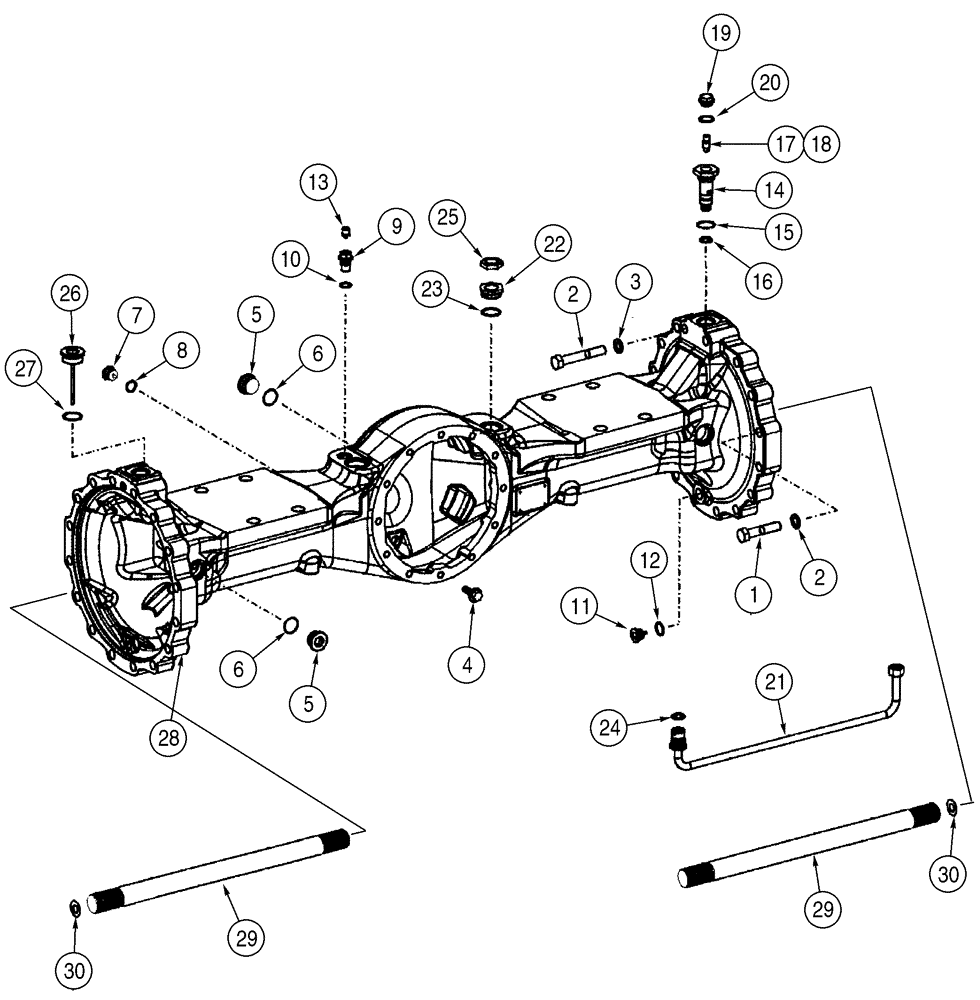
1

514-1107

BOLT,Hex, M18 x 1.5 x 85mm, Cl 10.9

28шт.

2

419789A1

BOLT

M18 x 115

4шт.

3

A48928

WASHER

32шт.

4

A52094

FLANGE BOLT

12шт.

5

384280A1

PLUG

3шт.

Incl. 6

1шт.

6

81284C1

O-RING,2.2mm Thk x 33mm ID

3шт.

7

384281A1

PLUG

1шт.

Incl. 8

1шт.

8

A52097

O-RING,2mm Thk x 21mm ID

1шт.

9

8603256

PLUG

1шт.

Incl. 10

1шт.

10

A52097

O-RING,2mm Thk x 21mm ID

1шт.

11

384281A1

PLUG

2шт.

12

A48812

SEALING RING,M24 x 29 x 1.5

2шт.

13

A48855

VALVE

Breather

1шт.

14

384282A1

FITTING

2шт.

Incl. 15, 16

1шт.

15

81284C1

O-RING,2.2mm Thk x 33mm ID

2шт.

16

384283A1

FITTING

2шт.

17

3222214R1

VALVE

Breather

2шт.

Incl. 18

1шт.

18

426139A1

CAP

2шт.

19

E135081

PLUG

M26 - 1,5

2шт.

20

933608R1

SEALING RING,M26 x 31 x 2

2шт.

21

426162A1

TUBE

Brake; No Longer Used; Replaced By 87436733

2шт.

21

87436733

TUBE

Replaces 426162A1

2шт.

22

384285A1

UNION

2шт.

Incl. 23

1шт.

23

A52096

O-RING,2.5mm Thk x 38mm ID

2шт.

24

716582R1

O-RING

2шт.

25

384527A1

NUT

2шт.

26

429503A1

DIPSTICK

Oil

1шт.

27

A52096

O-RING,2.5mm Thk x 38mm ID

1шт.

28

419778A1

AXLE HOUSING

1шт.

29

384289A1

AXLE SHAFT

2шт.

30

419784A1

SHIM

2шт.

Выбрано товаров: 43