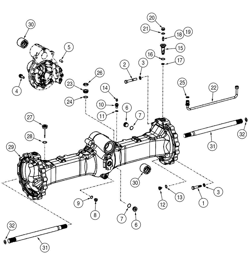
Запчасти Case 621D (06-30) - AXLE, REAR - HOUSING (06) - POWER TRAIN

Схема запчастей Case 621D - (06-30) - AXLE, REAR - HOUSING (06) - POWER TRAIN
27
8
19
17
32
23
21
20
28
30
2
3
18
7
31
30
22
32
7
29
15
26
1
9
4
13
31
25
6
6
5
10
12
3
24
16
14
11
FIT
1:1
100%

Артикул

Название

Примечание

Количество

389967A1

AXLE, REAR

AXLE REAR

1шт.

Open Differential

1шт.

Incl. XX-XX - XX-XX

1шт.

319779A1

AXLE, REAR

AXLE REAR

1шт.

Limited Slip

1шт.

Incl. XX-XX - XX-XX

1шт.

1

514-1107

BOLT,Hex, M18 x 1.5 x 85mm, Cl 10.9

28шт.

2

419789A1

BOLT

M18 x 115

4шт.

3

A48928

WASHER

32шт.

4

428604A1

SCREW

15шт.

5

429529A1

DOWEL

M6 x 30

3шт.

6

384280A1

PLUG

2шт.

Incl. 7

1шт.

7

81296C1

O-RING,40mm ID x 3mm Width

33 x 2,5

2шт.

8

384281A1

PLUG

1шт.

Incl. 9

1шт.

9

A52097

O-RING,2mm Thk x 21mm ID

1шт.

10

8603256

PLUG

1шт.

Incl. 11

1шт.

11

A52097

O-RING,2mm Thk x 21mm ID

1шт.

12

384281A1

PLUG

2шт.

13

A48812

SEALING RING,M24 x 29 x 1.5

2шт.

14

A48855

VALVE

Breather

1шт.

15

384282A1

FITTING

2шт.

Incl. 16, 17

1шт.

16

81284C1

O-RING,2.2mm Thk x 33mm ID

2шт.

17

384283A1

FITTING

2шт.

18

3222214R1

VALVE

Breather

2шт.

Incl. 19

1шт.

19

426139A1

CAP

2шт.

20

E135081

PLUG

M26 - 1,5

2шт.

21

933608R1

SEALING RING,M26 x 31 x 2

2шт.

22

426162A1

TUBE

Brake; No Longer Used; Replaced By 87436733

2шт.

22

87436733

TUBE

Replaces 426162A1

2шт.

23

429681A1

FITTING

M42 x 1,5

2шт.

Incl. 24

1шт.

24

A52096

O-RING,2.5mm Thk x 38mm ID

2шт.

25

716582R1

O-RING

2шт.

26

384527A1

NUT

2шт.

27

429503A1

DIPSTICK

Oil

1шт.

28

A52096

O-RING,2.5mm Thk x 38mm ID

1шт.

29

428605A1

AXLE HOUSING

1шт.

30

428606A1

BUSHING

2шт.

31

428607A1

SHAFT

2шт.

32

419784A1

SHIM

2шт.

Выбрано товаров: 45