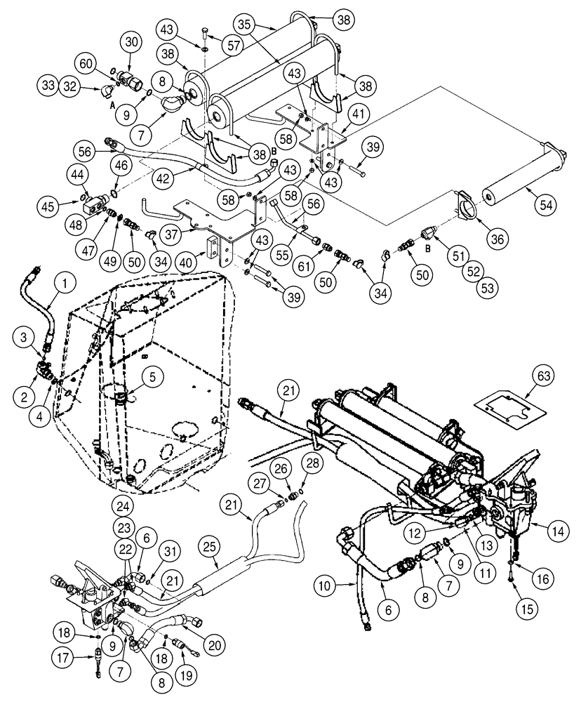
Запчасти Case 621D (07-05) - HYDRAULICS - BRAKE, MAIN, VALVE DRAIN TO HYDRAULIC TANK, BRAKE VALVE AND ACCUMULATOR (07) - BRAKES

Схема запчастей Case 621D - (07-05) - HYDRAULICS - BRAKE, MAIN, VALVE DRAIN TO HYDRAULIC TANK, BRAKE VALVE AND ACCUMULATOR (07) - BRAKES
18
14
5
10
58
8
40
53
7
52
3
44
60
63
56
42
1
7
19
16
55
4
58
20
35
39
39
50
21
6
24
61
28
51
37
26
43
6
45
58
30
11
38
48
7
49
12
17
22
21
21
38
9
43
38
32
2
50
43
33
23
41
25
9
57
18
43
34
54
56
9
46
8
36
34
8
50
38
13
47
31
15
27
43
FIT
1:1
100%

Артикул

Название

Примечание

Количество

1

369881A1

HOSE ASSY.

480 mm (18-7/8 in)

1шт.

Drain

1шт.

2

372028A2

ELBOW

1шт.

Incl. 3, 4

1шт.

3

637-63193

O-RING,2.2mm Thk x 19.3mm ID, Cl 6, 90 Duro

1шт.

Boss End

1шт.

4

238-6012

O-RING,0.07" Thk x 0.364" ID, -12, Cl 6, 90 Duro

1шт.

Face Seal End

1шт.

5

198826C1

GROMMET,19.05mm ID x 41.1mm OD x 26.9mm Thk

3/4 ID

1шт.

6

386268A1

HOSE ASSY.

448 mm (17-5/8 in)

1шт.

Accumulator

1шт.

Right hand

1шт.

7

700-307

ELBOW,90 Degree Elbow, 1-3/16" - 12 Male ORFS x M27 x 2 Male ORB

3шт.

Incl. 8, 9

1шт.

8

637-64236

O-RING,2.9mm Thk x 23.6mm ID, Cl 6, 90 Duro

1шт.

Boss End

1шт.

9

238-6018

O-RING,0.07" Thk x 0.739" ID, -18, Cl 6, 90 Duro

1шт.

Face Seal End

1шт.

10

386270A2

HOSE ASSY.

985 mm (38-3/4 in)

1шт.

11

700-368

ELBOW,90 Degree Elbow, 11/16" - 16 Male ORFS x M16 x 1.5 Male ORB

1шт.

Incl. 12, 13

1шт.

12

637-63133

O-RING,2.2mm Thk x 13.3mm ID, Cl 6, 90 Duro

1шт.

Boss End

1шт.

13

238-6012

O-RING,0.07" Thk x 0.364" ID, -12, Cl 6, 90 Duro

1шт.

Face Seal End

1шт.

14

414101A1

VALVE

1шт.

Brake

1шт.

15

627-8030

BOLT,Hex, M8 x 1.25 x 30mm, Cl 10.9, Full Thd

4шт.

16

895-15008

WASHER,9mm ID x 20mm OD x 1.6mm Thk

4шт.

17

390431A2

SWITCH

1шт.

Brake Light Pressure

1шт.

18

396471A1

SEAL,11.71mm ID x 19.3mm OD x 1.68mm Thk

2шт.

19

390435A2

SWITCH

1шт.

Brake Warning

1шт.

20

386269A1

HOSE ASSY.

442 mm (17-3/8 in)

1шт.

Accumulator

1шт.

Left hand

1шт.

21

366745A1

HOSE ASSY.

1117 mm (44 in)

1шт.

39

827-10060

BOLT,Hex, M10 x 1.5 x 60mm, Cl 10.9

4шт.

Brake Valve To Reservoir

1шт.

22

700-374

45 ELBOW,45 Degree Elbow, 11/16" - 16 Male ORFS x M16 x 1.5 Male ORB

2шт.

Incl. 23, 24

1шт.

23

238-6012

O-RING,0.07" Thk x 0.364" ID, -12, Cl 6, 90 Duro

1шт.

Face Seal End

1шт.

24

637-63193

O-RING,2.2mm Thk x 19.3mm ID, Cl 6, 90 Duro

1шт.

Boss End

1шт.

25

401525A1

HOSE PROTECTION,60.00 mm ID x 600.00 mm

1шт.

26

700-162

HYD CONNECTOR,13/16" - 16 Male ORFS x M22 x 1.5 Male ORB

1шт.

Incl. 27, 28

1шт.

27

637-63193

O-RING,2.2mm Thk x 19.3mm ID, Cl 6, 90 Duro

1шт.

Boss End

1шт.

28

238-6014

O-RING,0.07" Thk x 0.489" ID, -14, Cl 6, 90 Duro

1шт.

Face Seal End

1шт.

29

414195A1

HOSE ASSY.

731 mm (28-3/4 in)

1шт.

Parking Brake Accumulator

1шт.

30

372033A1

FITTING

1шт.

Incl. 31

1шт.

31

238-6018

O-RING,0.07" Thk x 0.739" ID, -18, Cl 6, 90 Duro

2шт.

Face Seal End

1шт.

32

700-304

ELBOW,90 Degree Elbow, 11/16" - 16 Male ORFS x M14 x 1.5 Male ORB

1шт.

Incl. 33

1шт.

33

238-6012

O-RING,0.07" Thk x 0.364" ID, -12, Cl 6, 90 Duro

1шт.

Face Seal End

1шт.

34

H434163

DUST CAP

3шт.

35

385695A1

ACCUMULATOR

2шт.

See Figures XX-XX - XX-XX

1шт.

36

A13240

CLAMP,2-5/8" ID

2шт.

37

429302A1

BRACKET

1шт.

38

A145577

CLAMP

4шт.

40

367610A1

SPACER

2шт.

41

429304A1

BRACKET

1шт.

42

515-23190

CLAMP,3/4", Insul, 3/8" Bolt

1шт.

43

895-11010

WASHER,11mm ID x 20mm OD x 2mm Thk

10шт.

44

372034A1

FITTING

1шт.

Incl. 45, 46

1шт.

45

238-6018

O-RING,0.07" Thk x 0.739" ID, -18, Cl 6, 90 Duro

1шт.

Face Seal End

1шт.

46

637-64236

O-RING,2.9mm Thk x 23.6mm ID, Cl 6, 90 Duro

1шт.

Boss End

1шт.

47

700-101

HYD CONNECTOR,11/16" - 16 Male ORFS x M14 x 1.5 Male ORB

1шт.

Incl. 48, 49

1шт.

48

238-6012

O-RING,0.07" Thk x 0.364" ID, -12, Cl 6, 90 Duro

1шт.

Face Seal End

1шт.

49

637-63113

O-RING,2.2mm Thk x 11.3mm ID, Cl 6

1шт.

Boss End

1шт.

50

243670A1

COUPLING

3шт.

51

700-441

TEE,11/16" - 16 Male ORFS x 11/16" - 16 Male ORFS x M16 x 1.5 Male ORB

1шт.

Incl. 52, 53

1шт.

52

238-6012

O-RING,0.07" Thk x 0.364" ID, -12, Cl 6, 90 Duro

2шт.

Face Seal End

1шт.

53

637-63133

O-RING,2.2mm Thk x 13.3mm ID, Cl 6, 90 Duro

1шт.

Boss End

1шт.

54

413953A1

ACCUMULATOR

1шт.

Parking Brake

1шт.

See Figures XX-XX - XX-XX

1шт.

55

515-2495

CLAMP,3/8", Insul, 7/16" Bolt

1шт.

56

414255A1

TUBE

1шт.

57

627-10030

BOLT,Hex, M10 x 1.5 x 30mm, Cl 10.9, Full Thd

1шт.

58

832-10410

NUT,M10 x 1.5, Cl 8

3шт.

60

637-63113

O-RING,2.2mm Thk x 11.3mm ID, Cl 6

1шт.

Boss End

1шт.

61

701-160

UNION,11/16" - 16 Male ORFS x 11/16" - 16 Male ORFS

1шт.

Incl. 62

1шт.

62

238-6012

O-RING,0.07" Thk x 0.364" ID, -12, Cl 6, 90 Duro

2шт.

Face Seal End

1шт.

63

414369A1

PLATE

1шт.

Выбрано товаров: 106