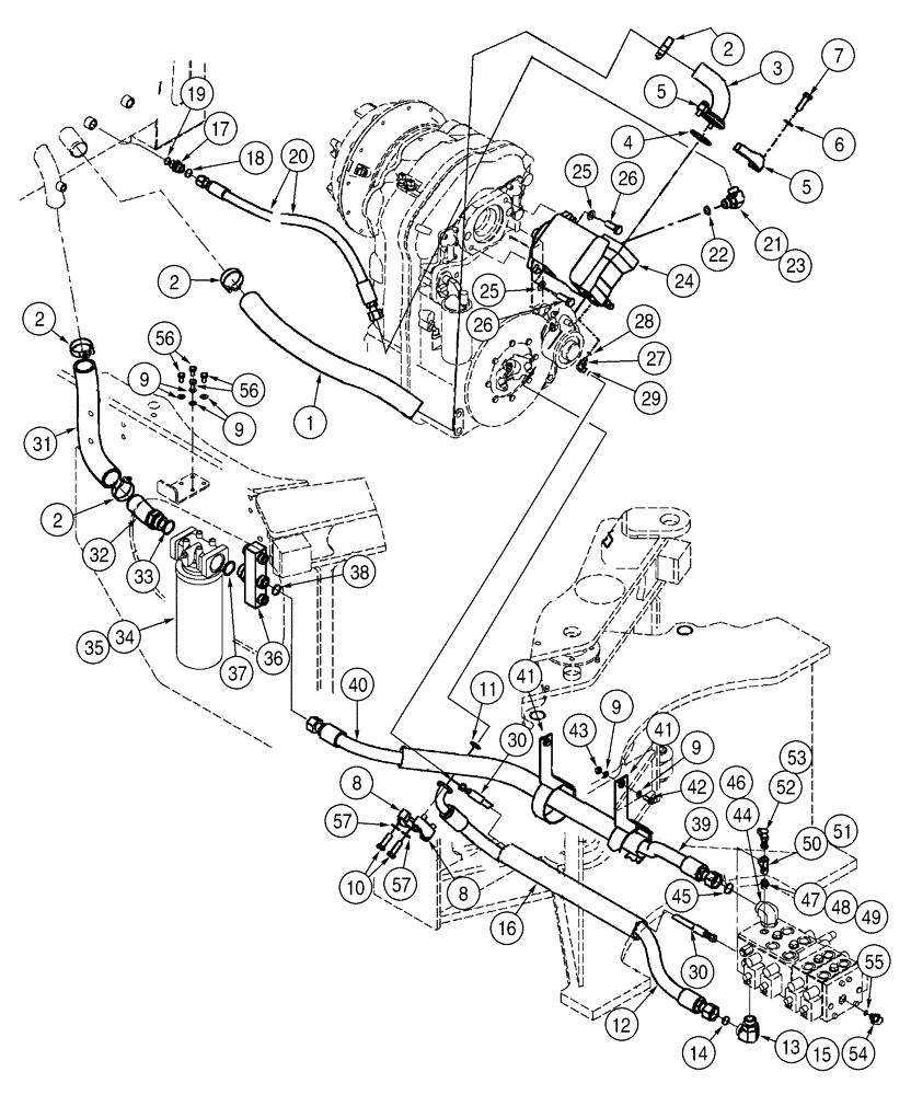
Запчасти Case 621D (08-02) - HYDRAULICS - RESERVOIR TO HYDRAULIC PUMP, RESERVOIR TO PUMP AND LOADER CONTROL VALVE (08) - HYDRAULICS

Схема запчастей Case 621D - (08-02) - HYDRAULICS - RESERVOIR TO HYDRAULIC PUMP, RESERVOIR TO PUMP AND LOADER CONTROL VALVE (08) - HYDRAULICS
24
31
28
22
46
11
1
25
7
10
42
2
19
5
55
3
9
8
51
26
38
2
47
15
43
9
37
5
41
2
41
20
53
34
40
33
9
8
54
14
16
6
29
23
12
4
39
56
35
32
57
56
25
2
18
49
48
13
17
57
27
45
9
30
44
26
52
50
30
21
36
FIT
1:1
100%

Артикул

Название

Примечание

Количество

1

388556A1

HOSE ASSY.

860 mm (33-7/8 in)

1шт.

Suction

1шт.

Reservoir To Pump Inlet

1шт.

2

L126871

CLAMP

4шт.

3

388509A1

TUBE,50.8 mm OD, 130, 100 mm Length

1шт.

4

238-5232

O-RING,0.139" Thk x 2.734" ID, -232, Cl 5, 75 Duro

1шт.

5

L14386

CLAMP

2шт.

6

895-11012

WASHER,13.5mm ID x 24mm OD x 2.5mm Thk

4шт.

7

627-12040

BOLT,Hex, M12 x 1.75 x 40mm, Cl 10.9, Full Thd

4шт.

8

86980733

CLAMP

2шт.

9

895-11010

WASHER,11mm ID x 20mm OD x 2mm Thk

8шт.

10

627-14045

BOLT,Hex, M14 x 2 x 45mm, Cl 10.9, Full Thd

4шт.

11

238-6219

O-RING,0.139" Thk x 1.296" ID, -219, Cl 6, 90 Duro

1шт.

12

388555A2

HOSE ASSY.

1337 mm (52-5/8 in)

1шт.

Pressure

1шт.

13

700-308

ELBOW,90 Degree Elbow, 1-7/16" - 12 Male ORFS x M33 x 2 Male ORB

1шт.

Incl. 14, 15

1шт.

14

637-64296

O-RING,2.9mm Thk x 29.6mm ID, Cl 6, 90 Duro

1шт.

Boss End

1шт.

15

238-6021

O-RING,15/16 X 1 - 1/16, Cl 6

1шт.

Face Seal End

1шт.

16

401525A1

HOSE PROTECTION,60.00 mm ID x 600.00 mm

1шт.

17

700-107

HYD CONNECTOR,1-3/16" - 12 Male ORFS x M22 x 1.5 Male ORB

1шт.

Incl.18, 19

1шт.

18

637-63193

O-RING,2.2mm Thk x 19.3mm ID, Cl 6, 90 Duro

1шт.

Boss End

1шт.

19

238-6018

O-RING,0.07" Thk x 0.739" ID, -18, Cl 6, 90 Duro

1шт.

Face Seal End

1шт.

20

388557A1

HOSE ASSY.

812 mm (32 in)

1шт.

21

700-307

ELBOW,90 Degree Elbow, 1-3/16" - 12 Male ORFS x M27 x 2 Male ORB

1шт.

Incl. 22, 23

1шт.

22

637-64236

O-RING,2.9mm Thk x 23.6mm ID, Cl 6, 90 Duro

1шт.

Boss End

1шт.

23

238-6018

O-RING,0.07" Thk x 0.739" ID, -18, Cl 6, 90 Duro

1шт.

Face Seal End

1шт.

24

377608A1

PUMP

1шт.

See Page(s) 8-41

1шт.

See Figure XX-XX

1шт.

76082592R

REMAN-HYD PUMP

621D BEFORE S/N JEE0135500, Reman for new P/N 377608A1

1шт.

76082592C

CORE-HYDRAULIC PUMP

Return Number

1шт.

25

896-11016

WASHER,17.5mm ID x 30mm OD x 4mm Thk

2шт.

26

627-16045

BOLT,Hex, M16 x 2 x 45mm, Cl 10.9, Full Thd

2шт.

27

700-303

ELBOW,90 Degree Elbow, 9/16" - 18 Male ORFS x M12 x 1.5 Male ORB

1шт.

Incl 28, 29

1шт.

28

238-6011

O-RING,0.07" Thk x 0.301" ID, -11, Cl 6, 90 Duro

1шт.

Face Seal End

1шт.

29

637-63093

O-RING,2.2mm Thk x 9.3mm ID, Cl 6, 90 Duro

1шт.

Boss End

1шт.

30

388558A1

HOSE ASSY.

1327 mm (52-1/4 in)

1шт.

Load Sensing

1шт.

31

429045A1

HOSE

1шт.

32

390208A2

ADAPTER

1шт.

33

637-64386

O-RING,2.9mm Thk x 38.6mm ID, Cl 6, 90 Duro

(1-1/2 ID x 7/64)

1шт.

Boss End

1шт.

34

407475A1

FILTER ASSY

1шт.

Models With Ride Control

1шт.

See Figure XX-XX

1шт.

35

364596A1

FILTER ASSY

1шт.

Models Without Ride Control

1шт.

See Figure XX-XX

1шт.

36

370524A2

MANIFOLD

1шт.

37

637-64386

O-RING,2.9mm Thk x 38.6mm ID, Cl 6, 90 Duro

(1-1/2 ID x 7/64)

1шт.

Boss End

1шт.

38

238-6021

O-RING,15/16 X 1 - 1/16, Cl 6

1шт.

Face Seal End

1шт.

39

365516A2

HOSE ASSY.

1613 mm (63-1/2 in )

1шт.

Valve Return Hose

1шт.

40

401526A1

HOSE PROTECTION,60mm ID x 1200mm L

1шт.

41

401527A1

STRAP

2шт.

42

627-10025

BOLT,Hex, M10 x 1.5 x 25mm, Cl 10.9, Full Thd

2шт.

43

832-10410

NUT,M10 x 1.5, Cl 8

2шт.

44

700-308

ELBOW,90 Degree Elbow, 1-7/16" - 12 Male ORFS x M33 x 2 Male ORB

1шт.

Models Without Ride Control

1шт.

Incl. 45, 46

1шт.

45

637-64296

O-RING,2.9mm Thk x 29.6mm ID, Cl 6, 90 Duro

1шт.

Boss End

1шт.

46

238-6021

O-RING,15/16 X 1 - 1/16, Cl 6

1шт.

Face Seal End

1шт.

47

700-153

HYD CONNECTOR,9/16" - 18 Male ORFS x M14 x 1.5 Male ORB

M8 fc sl x 14 orb

1шт.

Incl. 48, 49

1шт.

48

238-6011

O-RING,0.07" Thk x 0.301" ID, -11, Cl 6, 90 Duro

1шт.

Face Seal End

1шт.

49

637-63113

O-RING,2.2mm Thk x 11.3mm ID, Cl 6

1шт.

Boss End

1шт.

50

701-421

TEE,9/16" - 18 Male ORFS x 9/16" - 18 Male ORFS x 9/16" - 18 Female ORFS

1шт.

Models With Ride Control

1шт.

Incl. 51

1шт.

51

238-6011

O-RING,0.07" Thk x 0.301" ID, -11, Cl 6, 90 Duro

1шт.

Face Seal End

1шт.

52

190117A1

COUPLING

1шт.

Models With Ride Control

1шт.

Incl. 53

1шт.

53

238-6011

O-RING,0.07" Thk x 0.301" ID, -11, Cl 6, 90 Duro

1шт.

Face Seal End

1шт.

54

178889A1

DIAGNOSTIC COUPLER

1шт.

Incl. 55

1шт.

55

637-63113

O-RING,2.2mm Thk x 11.3mm ID, Cl 6

1шт.

Boss End

1шт.

56

627-10020

BOLT,Hex, M10 x 1.5 x 20mm, Cl 10.9, Full Thd

4шт.

57

895-11014

WASHER,M14 x 28 x 2.5

4шт.

Incl. 37, 38

1шт.

Выбрано товаров: 101