Запчасти Case 621D (08-12) - HYDRAULICS - COUPLER, Z-BAR LOADER (08) - HYDRAULICS

Схема запчастей Case 621D - (08-12) - HYDRAULICS - COUPLER, Z-BAR LOADER (08) - HYDRAULICS
4
1
3
9
6
5
1
2
5
5
1
7
4
1
8
10
5
4
FIT
1:1
100%

Артикул

Название

Примечание

Количество

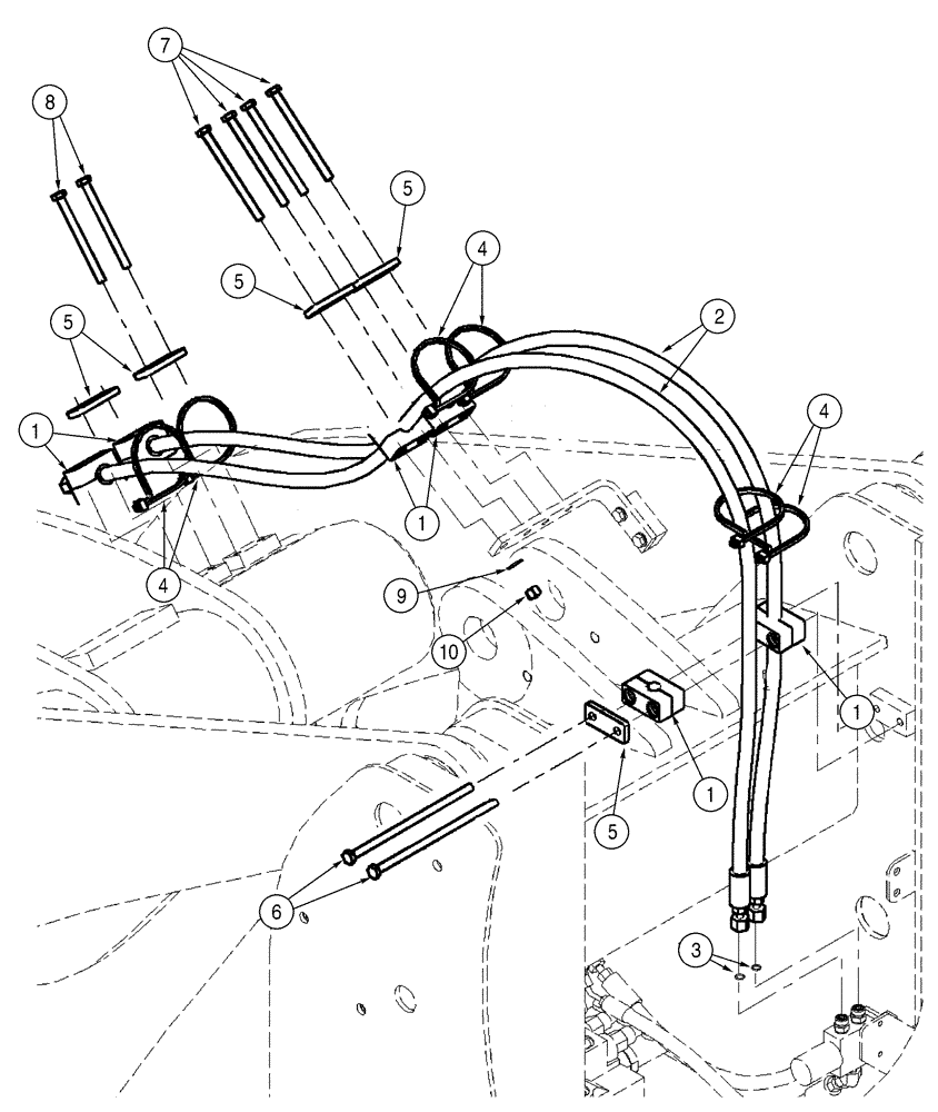
1

379374A1

BLOCK

6шт.

Mounting

1шт.

2

379158A1

HOSE ASSY.

2204 mm (86-3/4 in)

2шт.

3

238-6012

O-RING,0.07" Thk x 0.364" ID, -12, Cl 6, 90 Duro

2шт.

Face Seal End

1шт.

4

L18331

CABLE TIE,375.9mm L, Nylon, Black

CABLE STRAP

6шт.

5

367658A1

PLATE

5шт.

6

827-10215

BOLT,Hex, M10 x 1.5 x 215mm, Cl 10.9

2шт.

Three Spool

1шт.

6

827-10120

BOLT,Hex, M10 x 1.5 x 120mm, Cl 10.9

2шт.

Two Spool

1шт.

7

827-10130

BOLT,Hex, M10 x 1.5 x 130mm, Cl 10.9

4шт.

Three Spool

1шт.

7

827-10080

BOLT,Hex, M10 x 1.5 x 80mm, Cl 10.9

4шт.

Two Spool

1шт.

8

827-10120

BOLT,Hex, M10 x 1.5 x 120mm, Cl 10.9

4шт.

Three Spool

1шт.

8

827-10070

BOLT,Hex, M10 x 1.5 x 70mm, Cl 10.9

4шт.

Two Spool

1шт.

9

895-11010

WASHER,11mm ID x 20mm OD x 2mm Thk

4шт.

10

832-10410

NUT,M10 x 1.5, Cl 8

4шт.

Выбрано товаров: 21