Запчасти Case 621D (02-08) - COOLING SYSTEM - MOTOR, DRIVE, STANDARD FAN DRIVE MOTOR (02) - ENGINE

Схема запчастей Case 621D - (02-08) - COOLING SYSTEM - MOTOR, DRIVE, STANDARD FAN DRIVE MOTOR (02) - ENGINE
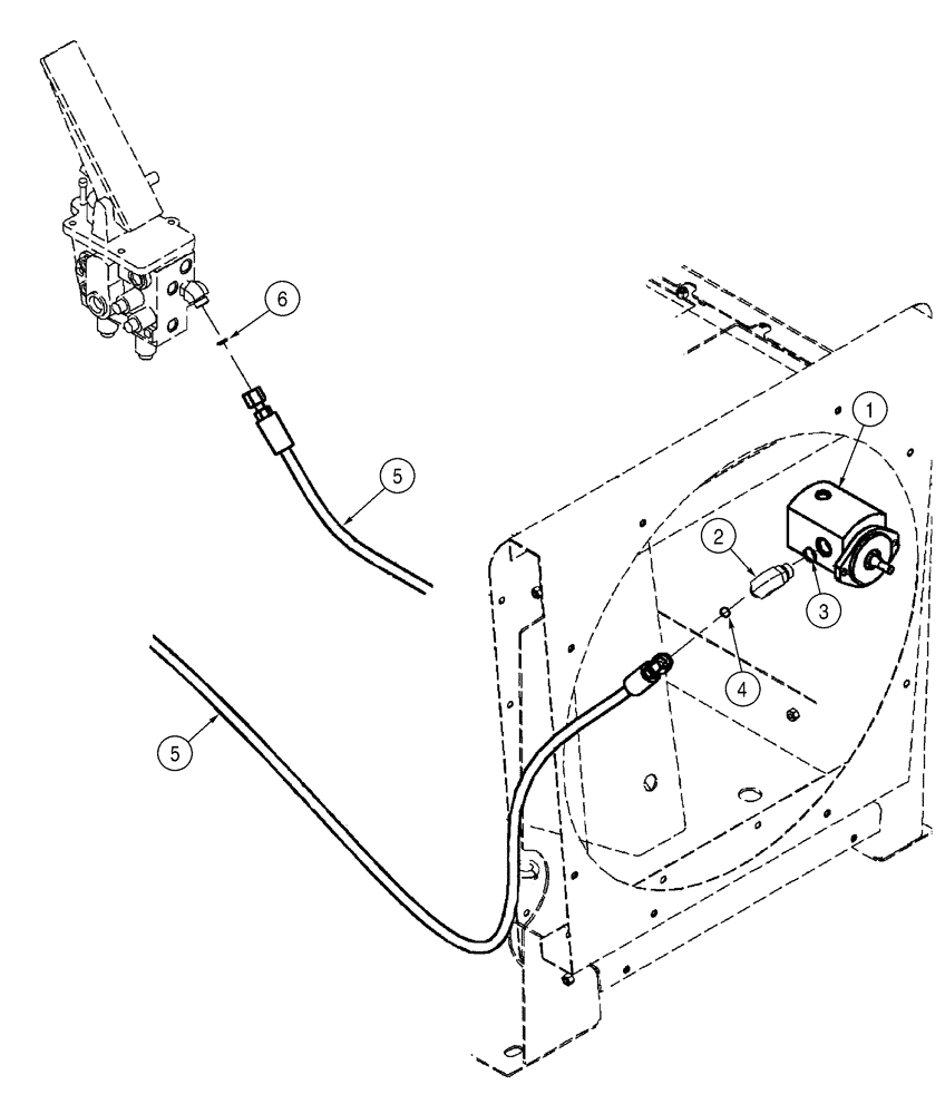
3
6
5
5
2
4
1
FIT
1:1
100%

Артикул

Название

Примечание

Количество

1

400336A1

HYDRAULIC MOTOR

1шт.

87426773R

REMAN-HYD MOTOR

621D (BEFORE S/N JEE0135500) Reman For New P/N 400336A1

1шт.

87426773C

CORE-MOTOR HYDRAULIC

Return Number

1шт.

2

700-326

ELBOW,90 Degree Elbow, 13/16" - 16 Male ORFS x M22 x 1.5 Male ORB

1шт.

Incl. 3, 4

1шт.

3

238-6014

O-RING,0.07" Thk x 0.489" ID, -14, Cl 6, 90 Duro

1шт.

Face Seal End

1шт.

4

637-63153

O-RING,2.2mm Thk x 15.3mm ID, Cl 6, 90 Duro

1шт.

Boss End

1шт.

5

367870A1

FLEXIBLE HOSE

1шт.

Brake to Fan Drive

1шт.

6

238-6014

O-RING,0.07" Thk x 0.489" ID, -14, Cl 6, 90 Duro

1шт.

Face Seal End

1шт.

Выбрано товаров: 13