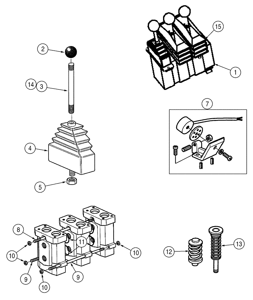
Запчасти Case 621D (08-27) - VALVE ASSY - LOADER CONTROL (08) - HYDRAULICS

Схема запчастей Case 621D - (08-27) - VALVE ASSY - LOADER CONTROL (08) - HYDRAULICS
5
10
15
1
9
2
10
9
12
8
3
7
13
11
4
14
10
FIT
1:1
100%

Артикул

Название

Примечание

Количество

1

407869A1

VALVE, CONTROL

1шт.

Three Lever

1шт.

Three Spool

1шт.

Incl. 2 - 13

1шт.

2

NSS

NOT SOLD SEPARAT

Knob

1шт.

3

NSS

NOT SOLD SEPARAT

Handle

1шт.

4

NSS

NOT SOLD SEPARAT

Boot

1шт.

5

NSS

NOT SOLD SEPARAT

Nut

1шт.

6

410880A1

SOLENOID

2шт.

Not Illustrated

1шт.

7

410881A1

KIT

2шт.

410882A1

KIT

1шт.

Rod

1шт.

Incl. 8 -10

1шт.

8

NSS

NOT SOLD SEPARAT

Rod

1шт.

9

NSS

NOT SOLD SEPARAT

Rod

2шт.

10

NSS

NOT SOLD SEPARAT

Nut

6шт.

11

410885A1

SEAL

6шт.

12

410883A1

KIT

3шт.

Pin

1шт.

13

410884A1

SPRING

3шт.

410879A1

KIT

2шт.

Handle

1шт.

Incl. 2, 5, 14, 15

1шт.

14

NSS

NOT SOLD SEPARAT

Handle

1шт.

15

NSS

NOT SOLD SEPARAT

Boot

1шт.

Выбрано товаров: 0