Запчасти Case 621D (02-09) - COOLING SYSTEM - MOTOR, DRIVE, REVERSIBLE FAN DRIVE MOTOR (02) - ENGINE

Схема запчастей Case 621D - (02-09) - COOLING SYSTEM - MOTOR, DRIVE, REVERSIBLE FAN DRIVE MOTOR (02) - ENGINE
30
22
28
20
8
18
4
24
25
10
9
12
8
19
17
14
13
7
1
27
3
23
29
9
6
10
21
5
16
29
11
2
26
15
FIT
1:1
100%

Артикул

Название

Примечание

Количество

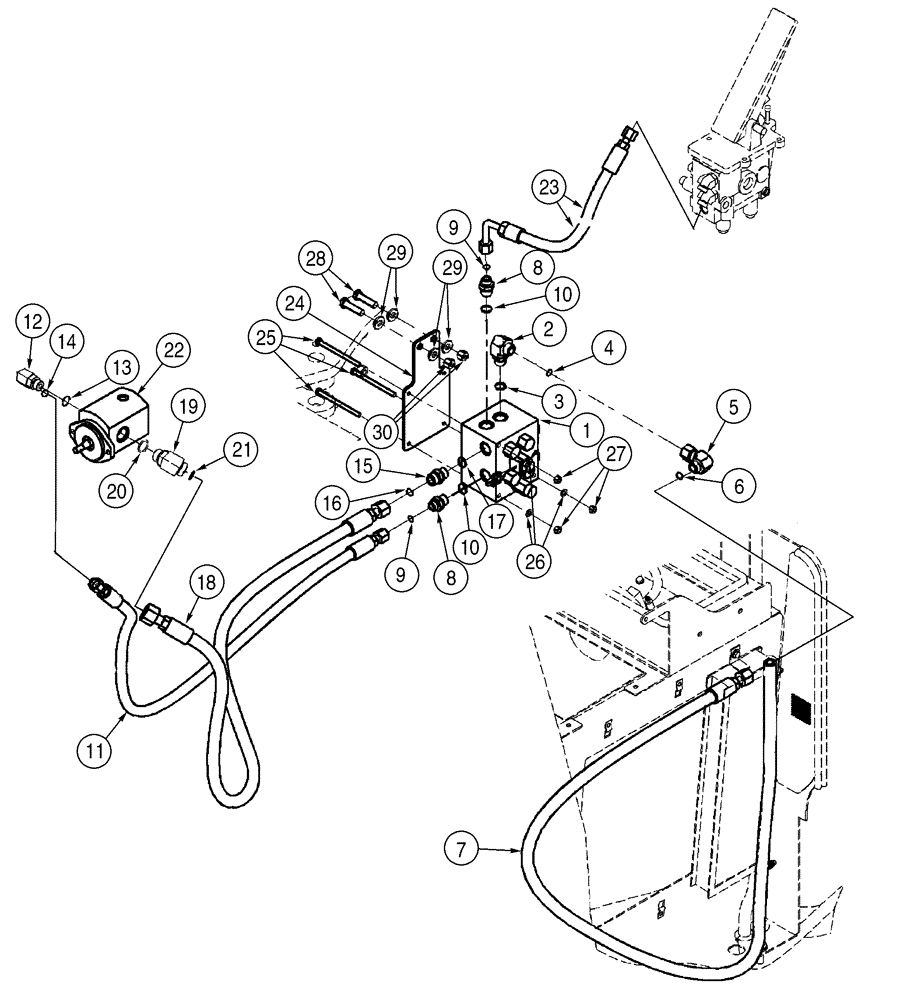
1

407240A1

CONTROL VALVE

1шт.

Fan Reversing

1шт.

Component Parts Not Serviced Separately

1шт.

2

700-306

ELBOW,90 Degree Elbow, 1" - 14 Male ORFS x M22 x 1.5 Male ORB

1шт.

Incl. 3, 4

1шт.

3

238-6014

O-RING,0.07" Thk x 0.489" ID, -14, Cl 6, 90 Duro

1шт.

Face Seal End

1шт.

4

637-63153

O-RING,2.2mm Thk x 15.3mm ID, Cl 6, 90 Duro

1шт.

Boss End

1шт.

5

701-361

ELBOW,90 Degree Elbow, 1" - 14 Male ORFS x 1" - 14 Female ORFS

1шт.

Incl. 6

1шт.

6

238-6016

O-RING,0.07" Thk x 0.614" ID, -16, Cl 6, 90 Duro

1шт.

Face Seal End

1шт.

7

376181A2

HOSE ASSY.

1шт.

Return

1шт.

8

700-162

HYD CONNECTOR,13/16" - 16 Male ORFS x M22 x 1.5 Male ORB

2шт.

Incl. 9, 10

1шт.

9

637-63193

O-RING,2.2mm Thk x 19.3mm ID, Cl 6, 90 Duro

1шт.

Boss End

1шт.

10

238-6014

O-RING,0.07" Thk x 0.489" ID, -14, Cl 6, 90 Duro

1шт.

Face Seal End

1шт.

11

376178A1

HOSE ASSY.

1шт.

Forward

1шт.

12

700-326

ELBOW,90 Degree Elbow, 13/16" - 16 Male ORFS x M22 x 1.5 Male ORB

1шт.

Incl. 13, 14

1шт.

13

238-6014

O-RING,0.07" Thk x 0.489" ID, -14, Cl 6, 90 Duro

1шт.

14

637-63153

O-RING,2.2mm Thk x 15.3mm ID, Cl 6, 90 Duro

1шт.

Boss End

1шт.

15

700-103

HYD CONNECTOR,1" - 14 Male ORFS x M22 x 1.5 Male ORB

1шт.

Incl. 16, 17

1шт.

16

637-63193

O-RING,2.2mm Thk x 19.3mm ID, Cl 6, 90 Duro

1шт.

Boss End

1шт.

17

238-6016

O-RING,0.07" Thk x 0.614" ID, -16, Cl 6, 90 Duro

1шт.

18

376179A1

HOSE ASSY.

1шт.

Reverse

1шт.

19

700-387

ELBOW,45 Degree Elbow, 1-3/16" - 12 Male ORFS x M27 x 2 Male ORB

M20 fc sl x 2,7 orb

1шт.

Incl. 20, 21

1шт.

20

238-6018

O-RING,0.07" Thk x 0.739" ID, -18, Cl 6, 90 Duro

1шт.

Face Seal End

1шт.

21

637-64236

O-RING,2.9mm Thk x 23.6mm ID, Cl 6, 90 Duro

1шт.

Boss End

1шт.

22

400337A1

MOTOR, HYDRAULIC

1шт.

Fan Drive

1шт.

Reversible

1шт.

23

408003A2

HOSE ASSY.

1шт.

Valve Supply

1шт.

24

407750A1

BRACKET

1шт.

25

827-8120

BOLT,Hex, M8 x 1.25 x 120mm, Cl 10.9

3шт.

26

895-11008

WASHER,9mm ID x 16mm OD x 1.6mm Thk

3шт.

27

832-10408

NUT,M8 x 1.25, Cl 8.8

3шт.

28

827-12050

BOLT,Hex, M12 x 1.75 x 50mm, Cl 10.9

2шт.

29

896-15012

WASHER,13.5mm ID x 28mm OD x 4mm Thk

13,5 x 28 x 4 mm

4шт.

30

832-10412

NUT,M12 x 1.75, Cl 8

2шт.

Выбрано товаров: 53