Запчасти Case 621D (08-31) - HYDRAULICS - LOADER CONTROL, REMOTE, SINGLE LEVER WITH TWO SPOOL VALVE (08) - HYDRAULICS

Схема запчастей Case 621D - (08-31) - HYDRAULICS - LOADER CONTROL, REMOTE, SINGLE LEVER WITH TWO SPOOL VALVE (08) - HYDRAULICS
4
9
1
9
9
16
2
16
14
5
5
12
13
7
6
7
14
7
15
3
12
10
6
7
11
8
13
5
15
11
FIT
1:1
100%

Артикул

Название

Примечание

Количество

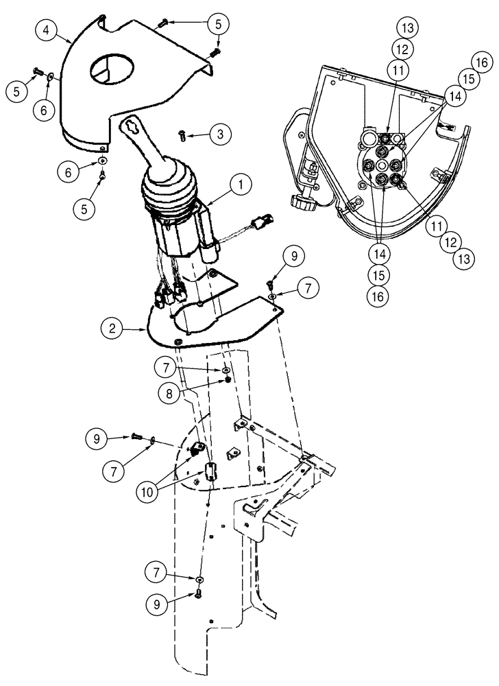
1

414391A1

JOYSTICK

1шт.

Single Lever Remote

1шт.

See Figures 8-123 - 8-131

1шт.

2

400978A2

PLATE

1шт.

3

840-1625

SCREW,Pan, M6 x 25mm, Cl 4.8

4шт.

4

400400A1

COVER

1шт.

5

239105A1

SCREW,Cross Pan Hd, M6 x 20mm

4шт.

6

1990502C1

WASHER

1/4 x 13/16 x 1/16 in

2шт.

7

895-25006

WASHER,6.6mm ID x 18mm OD x 1.6mm Thk

10шт.

8

832-10406

NUT,M6 x 1, Cl 8

4шт.

9

840-1620

SCREW,Pan, M6 x 20mm, Cl 4.8

6шт.

10

400843A2

BRACKET

2шт.

11

700-101

HYD CONNECTOR,11/16" - 16 Male ORFS x M14 x 1.5 Male ORB

2шт.

Incl. 12, 13

1шт.

12

238-6012

O-RING,0.07" Thk x 0.364" ID, -12, Cl 6, 90 Duro

1шт.

Face Seal End

1шт.

13

637-63113

O-RING,2.2mm Thk x 11.3mm ID, Cl 6

1шт.

Boss End

1шт.

14

700-153

HYD CONNECTOR,9/16" - 18 Male ORFS x M14 x 1.5 Male ORB

M8 fc sl x 14 orb

4шт.

Incl. 15, 16

1шт.

15

238-6011

O-RING,0.07" Thk x 0.301" ID, -11, Cl 6, 90 Duro

1шт.

Face Seal End

1шт.

16

637-63113

O-RING,2.2mm Thk x 11.3mm ID, Cl 6

1шт.

Boss End

1шт.

Выбрано товаров: 24