Запчасти Case 621D (08-41) - HYDRAULICS - LOADER CONTROL, DUAL LEVER WITH TWO SPOOL VALVE (08) - HYDRAULICS

Схема запчастей Case 621D - (08-41) - HYDRAULICS - LOADER CONTROL, DUAL LEVER WITH TWO SPOOL VALVE (08) - HYDRAULICS
10
2
3
8
22
2
4
19
17
15
18
18
19
9
16
8
5
20
4
6
12
11
21
4
9
1
8
2
1
20
12
FIT
1:1
100%

Артикул

Название

Примечание

Количество

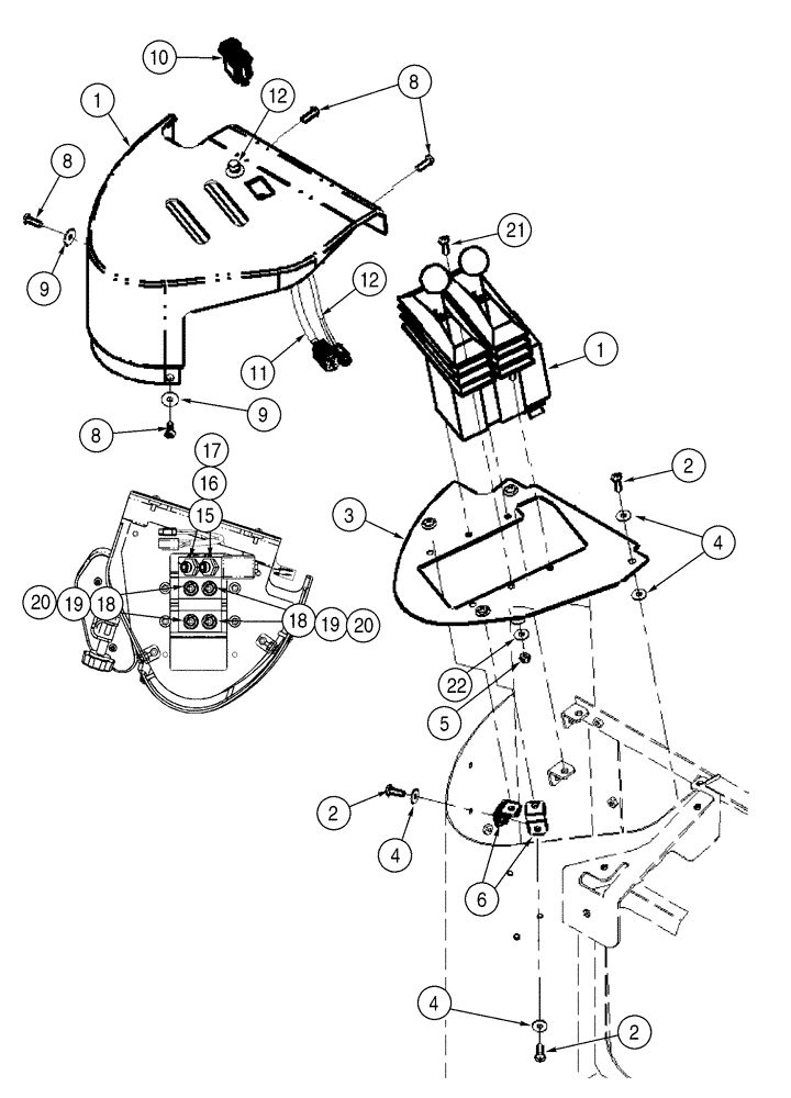
1

407868A1

VALVE, CONTROL

1шт.

Dual Lever With Two Spool Valve

1шт.

See Figure 8-79

1шт.

2

840-1620

SCREW,Pan, M6 x 20mm, Cl 4.8

6шт.

3

407999A2

PLATE

1шт.

4

895-25006

WASHER,6.6mm ID x 18mm OD x 1.6mm Thk

6шт.

5

832-10405

NUT,M5 x .8, Cl 8

4шт.

6

400843A2

BRACKET

2шт.

7

407870A1

COVER

1шт.

8

239105A1

SCREW,Cross Pan Hd, M6 x 20mm

4шт.

9

1990502C1

WASHER

1/4 x 13/16 x 1/16 in

2шт.

10

400833A2

SWITCH

1шт.

Rocker

1шт.

Forward/Neutral/Reverse

1шт.

11

402060A1

WIRE HARNESS

1шт.

Forward/Neutral/Reverse Switch

1шт.

12

402390A1

SWITCH

1шт.

Push Button

1шт.

Downshift

1шт.

Incl. 13, 14

1шт.

13

NSS

NOT SOLD SEPARAT

Washer, Lock

1шт.

Not Illustrated

1шт.

14

NSS

NOT SOLD SEPARAT

Nut

1шт.

Not Illustrated

1шт.

15

201-315

ELBOW,45 Degree Elbow, 11/16" - 16 Male ORFS x 9/16" - 18 Male ORB

3/4 x 13/16

2шт.

Incl. 16, 17

1шт.

16

238-6012

O-RING,0.07" Thk x 0.364" ID, -12, Cl 6, 90 Duro

1шт.

Face Seal End

1шт.

17

237-6006

O-RING,0.078" Thk x 0.468" ID, -906, Cl 6, 90 Duro

1шт.

18

201-111

HYD CONNECTOR,9/16" - 18 Male ORFS x 9/16" - 18 Male ORB

4шт.

Incl. 19, 20

1шт.

19

238-6011

O-RING,0.07" Thk x 0.301" ID, -11, Cl 6, 90 Duro

1шт.

Face Seal End

1шт.

20

237-6006

O-RING,0.078" Thk x 0.468" ID, -906, Cl 6, 90 Duro

1шт.

21

840-1516

SCREW,Pan, M5 x 16mm, Cl 4.8

4шт.

22

895-11005

WASHER,5.5mm ID x 10mm OD x 1mm Thk

4шт.

Выбрано товаров: 36