Запчасти Case 621D (08-44) - HYDRAULICS - RIDE CONTROL, DIRECTIONAL VALVE TO ACCUMULATOR (08) - HYDRAULICS

Схема запчастей Case 621D - (08-44) - HYDRAULICS - RIDE CONTROL, DIRECTIONAL VALVE TO ACCUMULATOR (08) - HYDRAULICS
14
3
12
10
13
13
11
18
6
3
7
19
12
12
16
2
11
4
8
1
15
15
4
2
5
17
11
9
18
19
9
10
FIT
1:1
100%

Артикул

Название

Примечание

Количество

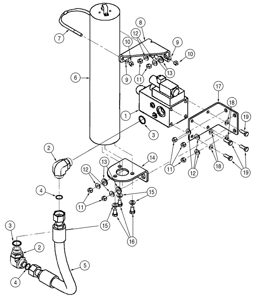
1

390203A1

VALVE, CONTROL

1шт.

Directional Control

1шт.

See Figure 8-157

1шт.

2

700-308

ELBOW,90 Degree Elbow, 1-7/16" - 12 Male ORFS x M33 x 2 Male ORB

2шт.

Incl. 3, 4

1шт.

3

238-6021

O-RING,15/16 X 1 - 1/16, Cl 6

1шт.

Face Seal End

1шт.

4

637-64296

O-RING,2.9mm Thk x 29.6mm ID, Cl 6, 90 Duro

1шт.

Boss End

1шт.

5

392967A2

HOSE ASSY.

508 mm lg

1шт.

Directional Valve To Accumulator

1шт.

6

378527A3

ACCUMULATOR

1шт.

Ride Control

1шт.

See Figure 8-161

1шт.

7

L128472

U-BOLT

1шт.

8

130134A1

SUPPORT

1шт.

9

495-11041

WASHER,0.406" ID x 0.812" OD x 0.065" W

(13/32 x 13/16 x 1/16")

2шт.

10

231-1446

NUT,3/8" - 16, Gr 5

2шт.

11

832-10410

NUT,M10 x 1.5, Cl 8

7шт.

12

896-15010

WASHER,11mm ID x 24mm OD x 3mm Thk

11 x 24 x 3 mm

7шт.

13

896-15012

WASHER,13.5mm ID x 28mm OD x 4mm Thk

13,5 x 28 x 4 mm

4шт.

14

130133A1

SUPPORT

1шт.

15

896-12012

WASHER,13.5mm ID x 24mm OD x 3mm Thk

3шт.

16

627-12020

BOLT,Hex, M12 x 1.75 x 20mm, Cl 10.9, Full Thd

3шт.

17

393566A1

BRACKET

1шт.

18

896-12012

WASHER,13.5mm ID x 24mm OD x 3mm Thk

4шт.

19

627-12020

BOLT,Hex, M12 x 1.75 x 20mm, Cl 10.9, Full Thd

4шт.

Выбрано товаров: 27