Запчасти Case 621D (02-13) - WATER PUMP SYSTEM, 6T-590 EMISSIONS CERTIFIED ENGINE (02) - ENGINE

Схема запчастей Case 621D - (02-13) - WATER PUMP SYSTEM, 6T-590 EMISSIONS CERTIFIED ENGINE (02) - ENGINE
8
11
10
12
5
2
4
14
6
3
9
7
13
1
FIT
1:1
100%

Артикул

Название

Примечание

Количество

J286277

PUMP, WATER

1шт.

*

Incl. 1 - 3

1шт.

J286278R

REMAN-WATER PUMP

621D, BSN JEE0135500

1шт.

J286278C

CORE-WATER PUMP

Return Number

1шт.

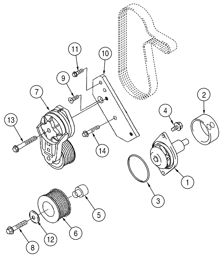
1

NSS

NOT SOLD SEPARAT

Pump

1шт.

2

NSS

NOT SOLD SEPARAT

Pulley

1шт.

3

238-5341

O-RING,0.21" Thk x 3.475" ID, -341, Cl 5, 75 Duro

1шт.

*

Face Seal End

1шт.

4

J900227

BOLT,Hex, M8 x 1.25 x 22mm, Cl 10.9

2шт.

5

J935229

SHAFT

1шт.

6

J935015

PULLEY

1шт.

7

J936206

TENSIONER

1шт.

8

844-10060

BOLT,Hvy Hex, M10 x 60mm, Cl 8.8

M10 x 60; 10.9

1шт.

9

J925186

SCREW,Torx, M8 x 1.25 x 25mm, Cl 10.9

1шт.

10

J926056

BRACKET

1шт.

11

845-8025

BOLT,Hex Flg, M8 x 25mm, Cl 8.8

1шт.

12

J935013

SHIELD

1шт.

*

Dust

1шт.

13

844-10070

BOLT,Hex Flng, M10 x 70mm, Cl 8.8

1шт.

14

844-8045

BOLT,Hvy Hex, M8 x 45mm, Cl 8.8

1шт.

Выбрано товаров: 20