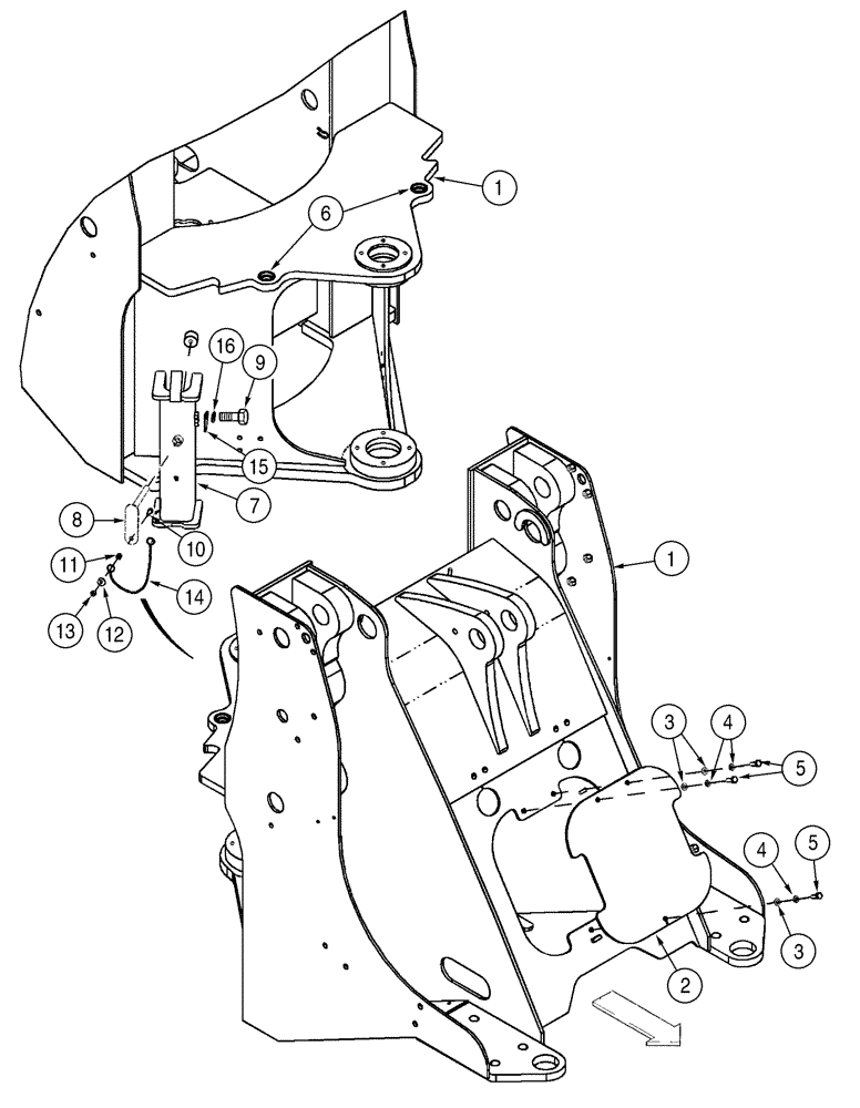
Запчасти Case 621D (09-24) - FRAME, FRONT, Z BAR LOADER (09) - CHASSIS

Схема запчастей Case 621D - (09-24) - FRAME, FRONT, Z BAR LOADER (09) - CHASSIS
8
1
5
2
4
10
6
9
11
14
3
5
13
16
3
1
7
15
4
12
FIT
1:1
100%

Артикул

Название

Примечание

Количество

1

418042A1

CHASSIS

1шт.

Front Chassis

1шт.

2

361079A1

COVER

1шт.

Valve

1шт.

3

895-11010

WASHER,11mm ID x 20mm OD x 2mm Thk

3шт.

4

892-11010

LOCK WASHER,M10

3шт.

5

627-10030

BOLT,Hex, M10 x 1.5 x 30mm, Cl 10.9, Full Thd

3шт.

6

380602A1

BUSHING

2шт.

7

406347A1

SUPPORT ASSY.

1шт.

8

406390A1

HANDLE

1шт.

9

627-12020

BOLT,Hex, M12 x 1.75 x 20mm, Cl 10.9, Full Thd

1шт.

10

627-6020

BOLT,Hex, M6 x 1 x 20mm, Cl 10.9, Full Thd

1шт.

11

324286A1

SPACER

1шт.

Bushing

1шт.

12

895-25006

WASHER,6.6mm ID x 18mm OD x 1.6mm Thk

1шт.

13

832-10406

NUT,M6 x 1, Cl 8

1шт.

14

411739A1

CHAIN

315 mm (12-3/8 in)

1шт.

15

L300295

RETAINER

1шт.

16

895-15010

WASHER,11mm ID x 24mm OD x 2mm Thk

1шт.

Выбрано товаров: 19