Запчасти Case 621D (09-32) - CAB - MOUNTING AND GLASS (09) - CHASSIS

Схема запчастей Case 621D - (09-32) - CAB - MOUNTING AND GLASS (09) - CHASSIS
16
7
2
16
15
3
4
21
22
16
23
5
10
12
8
11
24
4a
16
6
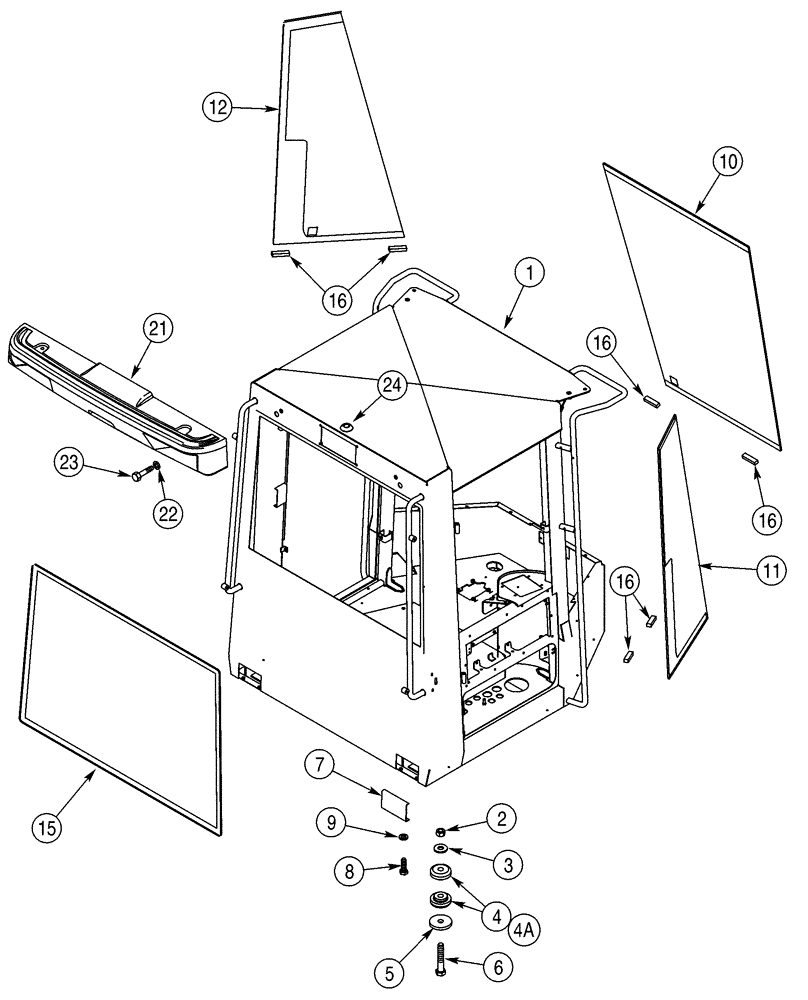
1
9
FIT
1:1
100%

Артикул

Название

Примечание

Количество

418007A1

CAB

1шт.

Service

1шт.

1

373774A2

CAB FRAME

1шт.

Frame

1шт.

2

329-1014

NUT,7/8"-9, G8

4шт.

3

396-41094

WASHER,23.82mm ID x 57.15mm OD x 5.56mm Thk

4шт.

4

358981A1

RUBBER MOUNTING

4шт.

Cab Support

1шт.

Rear

1шт.

4a

358982A1

RUBBER MOUNTING

4шт.

Cab Support

1шт.

Front

1шт.

5

1332154C1

WASHER,23mm ID x 95.3mm OD x 12.7mm Thk

4шт.

Special

1шт.

6

326-1488

BOLT,Hex, 7/8" - 9 x 5-1/2", Gr 8

4шт.

7

241301A1

COVER

2шт.

Access

1шт.

8

627-6020

BOLT,Hex, M6 x 1 x 20mm, Cl 10.9, Full Thd

4шт.

9

895-25006

WASHER,6.6mm ID x 18mm OD x 1.6mm Thk

4шт.

10

326951A1

CAB GLASS ASSY

1шт.

Cab Front

1шт.

Center

1шт.

Requires Items 13 And 14 For Installation

1шт.

11

198053A1

GLASS

1шт.

Cab Front

1шт.

Right Hand

1шт.

Requires Items 13 And 14 For Installation

1шт.

12

198052A1

GLASS

1шт.

Cab Front

1шт.

Left Hand

1шт.

Requires Items 13 And 14 For Installation

1шт.

13

114327A1

TAPE

2шт.

Special

1шт.

Not Shown

1шт.

14

114328A1

SEALANT

1шт.

Used With Item 13 Tape

1шт.

Not Shown

1шт.

15

198054A1

GLASS

1шт.

Cab Rear Window

1шт.

15

235905A1

CAB GLASS

1шт.

Canopy Rear Window

1шт.

16

97268C1

SPACER

6шт.

Glass Installation

1шт.

21

321576A2

RETAINER

1шт.

Rear Light

1шт.

22

896-15012

WASHER,13.5mm ID x 28mm OD x 4mm Thk

13,5 x 28 x 4 mm

2шт.

23

827-12050

BOLT,Hex, M12 x 1.75 x 50mm, Cl 10.9

2шт.

24

217-476

DRAIN PLUG,Sq Soc, 1" - 11-1/2, NTPF

1шт.

If Used

1шт.

Выбрано товаров: 0