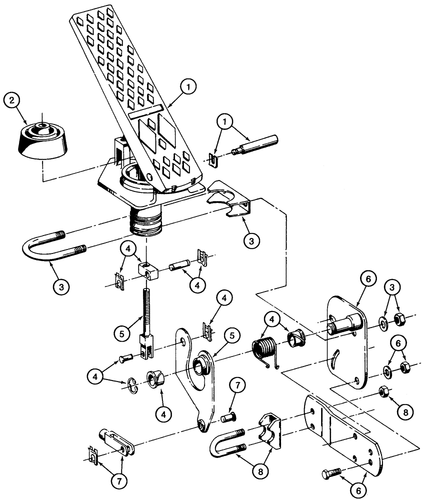
Запчасти Case 621D (03-02) - PEDAL ASSY - THROTTLE, FOOT (03) - FUEL SYSTEM

Схема запчастей Case 621D - (03-02) - PEDAL ASSY - THROTTLE, FOOT (03) - FUEL SYSTEM
5
4
7
6
3
3
4
5
8
3
6
6
8
1
4
1
4
4
2
7
4
FIT
1:1
100%

Артикул

Название

Примечание

Количество

295157A1

PEDAL ASSY.

1шт.

Accelerator

1шт.

Incl. 1 - 8

1шт.

1

336463A1

SET OF PARTS

Pedal

1шт.

2

336467A1

SET OF PARTS

Bellows

1шт.

3

336461A1

SET OF PARTS

U-Bolt Assy

1шт.

4

336460A1

KIT

Bearing and Hardware

1шт.

5

336462A1

SET OF PARTS

Lever and Push Rod

1шт.

6

336464A1

SET OF PARTS

Cable Hanger and Support Bracket

1шт.

7

336466A1

SET OF PARTS

Clevis and Hardware

1шт.

8

336465A1

SET OF PARTS

Cable Anchor

1шт.

Выбрано товаров: 11