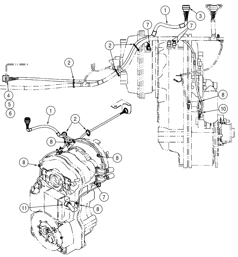
Запчасти Case 621D (04-14) - HARNESS - TRANSMISSION (04) - ELECTRICAL SYSTEMS

Схема запчастей Case 621D - (04-14) - HARNESS - TRANSMISSION (04) - ELECTRICAL SYSTEMS
8
3
8
4
5
8
1
10
2
7
2
8
7
6
1
7
2
8
11
FIT
1:1
100%

Артикул

Название

Примечание

Количество

1

368404A4

HARNESS

1шт.

No Longer Available

1шт.

Order 86992782

1шт.

1

86992782

HARNESS

1шт.

Transmission

1шт.

Use Existing Hardware

1шт.

Replaces 368404A1

1шт.

2

L18337

CABLE TIE,9.95"-12.1" lg

CABLE STRAP 15 in

5шт.

3

373358A1

CONNECTOR,ELECTRIC

1шт.

Cab Harness

1шт.

4

291659A1

ELEC CONNECTOR,Male, 19 Pin

1шт.

Engine Harness

1шт.

Incl. 5 - 6

1шт.

5

459330C1

LOCK WASHER

1шт.

6

459329C1

NUT

1шт.

7

291718A1

ELEC CONNECTOR,Female, 2 Pin

4шт.

8

515-2495

CLAMP,3/8", Insul, 7/16" Bolt

4шт.

Use Existing Hardware

1шт.

9

371614A1

ELEC CONNECTOR,Female, 2 Pin

1шт.

Switch, Filter Maintenanceø

1шт.

10

291719A1

CONNECTOR, ELEC

CONNECTOR

1шт.

Output Speed Sensor

1шт.

11

371566A1

CONNECTOR,ELECTRIC

1шт.

Main Transmission

1шт.

Выбрано товаров: 0