Запчасти Case 621D (04-18) - ELECTRICAL - STEERING, AUXILIARY (04) - ELECTRICAL SYSTEMS

Схема запчастей Case 621D - (04-18) - ELECTRICAL - STEERING, AUXILIARY (04) - ELECTRICAL SYSTEMS
19
22
10
9
2
3
2
5
23
18
24
7
10
13
12
21
16
6
14
10
4
15
16
4
18
2
1
14
11
8
20
25
11
15
17
3
17
2
FIT
1:1
100%

Артикул

Название

Примечание

Количество

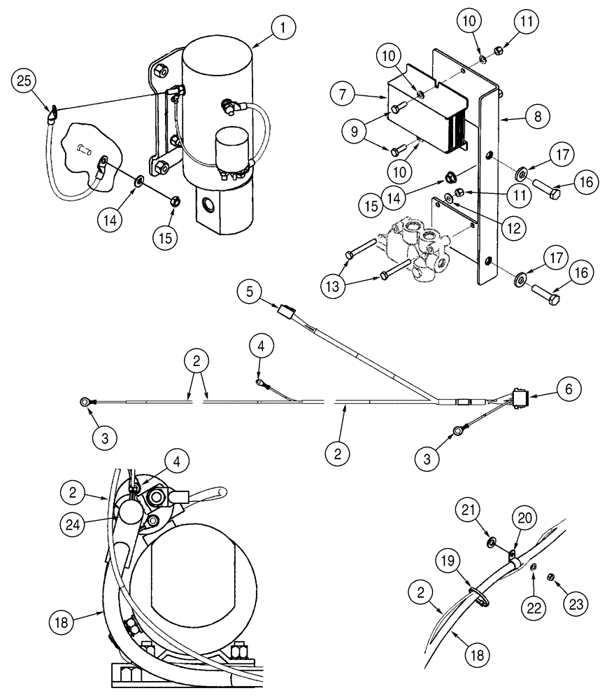
1

380013A1

PUMP

1шт.

Auxiliary Steering

1шт.

See Figure 05-09

1шт.

2

398993A3

HARNESS

1шт.

Auxiliary Steering

1шт.

Incl. 3 - 6

1шт.

3

1964706C1

TERMINAL CONNECTOR

2шт.

Ground

1шт.

4

1964704C1

TERMINAL CONNECTOR

1шт.

Relay

1шт.

5

225351C1

ELEC CONNECTOR,Female, 6 Pin

1шт.

Harness, Front

1шт.

6

225389C1

CONNECTOR, ELEC

CONNECTOR

1шт.

Auxiliary Steering Module

1шт.

7

397040A2

MODULE

1шт.

Auxiliary Steering

1шт.

8

377634A3

BRACKET

1шт.

9

627-8025

BOLT,Hex, M8 x 1.25 x 25mm, Cl 10.9, Full Thd

2шт.

10

895-11008

WASHER,9mm ID x 16mm OD x 1.6mm Thk

4шт.

11

832-10408

NUT,M8 x 1.25, Cl 8.8

4шт.

12

895-15008

WASHER,9mm ID x 20mm OD x 1.6mm Thk

2шт.

13

827-8065

BOLT,Hex, M8 x 1.25 x 65mm, Cl 10.9

2шт.

14

L127554

WASHER,0.395" ID x 0.875" OD x 0.064" Thk

2шт.

15

253347A1

NUT,Hex, M10 x 1.5

M10 - 1,5

2шт.

Brass

1шт.

16

827-12050

BOLT,Hex, M12 x 1.75 x 50mm, Cl 10.9

2шт.

17

896-15012

WASHER,13.5mm ID x 28mm OD x 4mm Thk

13,5 x 28 x 4 mm

2шт.

18

386418A2

CABLE

1шт.

Auxiliary Steering

1шт.

19

L18337

CABLE TIE,9.95"-12.1" lg

CABLE STRAP 15 in

1шт.

20

515-22190

CLAMP,3/4", Insul, 5/16" Bolt

1шт.

21

896-11012

WASHER,13.5mm ID x 24mm OD x 3mm Thk

1шт.

22

895-11008

WASHER,9mm ID x 16mm OD x 1.6mm Thk

1шт.

23

829-1408

NUT,Hex, M8 x 1.25, Cl 10.9

1шт.

24

L126713

BOOT

1шт.

25

L129707

NEG BATTERY CABLE

1шт.

Выбрано товаров: 0