Запчасти Case 621D (04-19) - BATTERY - CABLES (04) - ELECTRICAL SYSTEMS

Схема запчастей Case 621D - (04-19) - BATTERY - CABLES (04) - ELECTRICAL SYSTEMS
23
6
13
17
2
3
4
18
14
2
9
12
12
11
20
22
21
15
8
6
7
9
1
24
26
8
7
8
9
25
16
6
5
27
5
11
9
20
19
FIT
1:1
100%

Артикул

Название

Примечание

Количество

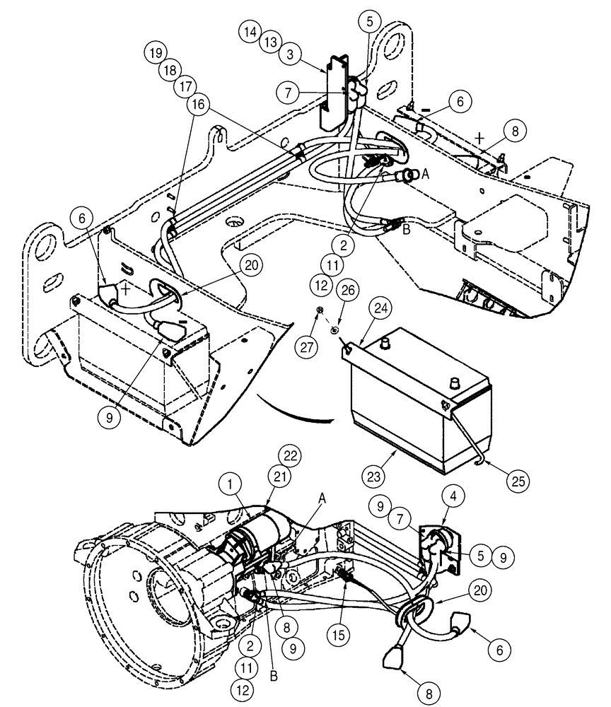
1

332443A1

STARTING MOTOR

1шт.

2

L127553

STUD

1шт.

3

372454A3

PLATE

1шт.

.

Master Disconnect

1шт.

4

L126256

SWITCH

1шт.

5

368091A2

CABLE

1шт.

.

Ground

1шт.

6

368088A3

CABLE

1шт.

.

Crossover

1шт.

7

368089A3

CABLE

1шт.

.

Negative

1шт.

8

368090A3

CABLE

1шт.

.

Positive

1шт.

9

L126713

BOOT

3шт.

10

383371A1

CABLE

1шт.

.

Ground, Engine Block

1шт.

11

L127554

WASHER,0.395" ID x 0.875" OD x 0.064" Thk

2шт.

12

L127555

NUT,Hex, 3/8" - 16

3/8

2шт.

13

895-15008

WASHER,9mm ID x 20mm OD x 1.6mm Thk

2шт.

14

832-10408

NUT,M8 x 1.25, Cl 8.8

2шт.

15

L127676

WIRE HARNESS

1шт.

.

Disconnect

1шт.

16

896-11012

WASHER,13.5mm ID x 24mm OD x 3mm Thk

2шт.

17

515-22159

CLAMP,5/8", Insul, 5/16" Bolt

4шт.

18

895-11008

WASHER,9mm ID x 16mm OD x 1.6mm Thk

2шт.

19

829-1408

NUT,Hex, M8 x 1.25, Cl 10.9

2шт.

20

398771A1

CONDUIT

2шт.

.

Battery Cable

1шт.

21

895-11010

WASHER,11mm ID x 20mm OD x 2mm Thk

3шт.

22

827-10040

BOLT,Hex, M10 x 1.5 x 40mm, Cl 10.9, Full Thd

3шт.

23

BMF31EW

WET BATTERY

For Case US Only

2шт.

23

BHC4DA

BATTERY, DRY

2шт.

23

CCMF31EW

WET BATTERY

For Case Canada Only

2шт.

24

365191A1

STRAP

2шт.

25

365357A1

ROD

4шт.

.

Hold Down

1шт.

26

895-15008

WASHER,9mm ID x 20mm OD x 1.6mm Thk

4шт.

27

832-10408

NUT,M8 x 1.25, Cl 8.8

4шт.

Выбрано товаров: 38