Запчасти Case 621D (05-03) - HYDRAULICS - STEERING, STEERING PRESSURE AND RETURN, STANDARD STEERING (05) - STEERING

Схема запчастей Case 621D - (05-03) - HYDRAULICS - STEERING, STEERING PRESSURE AND RETURN, STANDARD STEERING (05) - STEERING
2
2
23
10
11
3
21
20
15
19
17
6
4
5
18
10
8
3
7
13
7
4
9
24
16
1
22
14
12
8
FIT
1:1
100%

Артикул

Название

Примечание

Количество

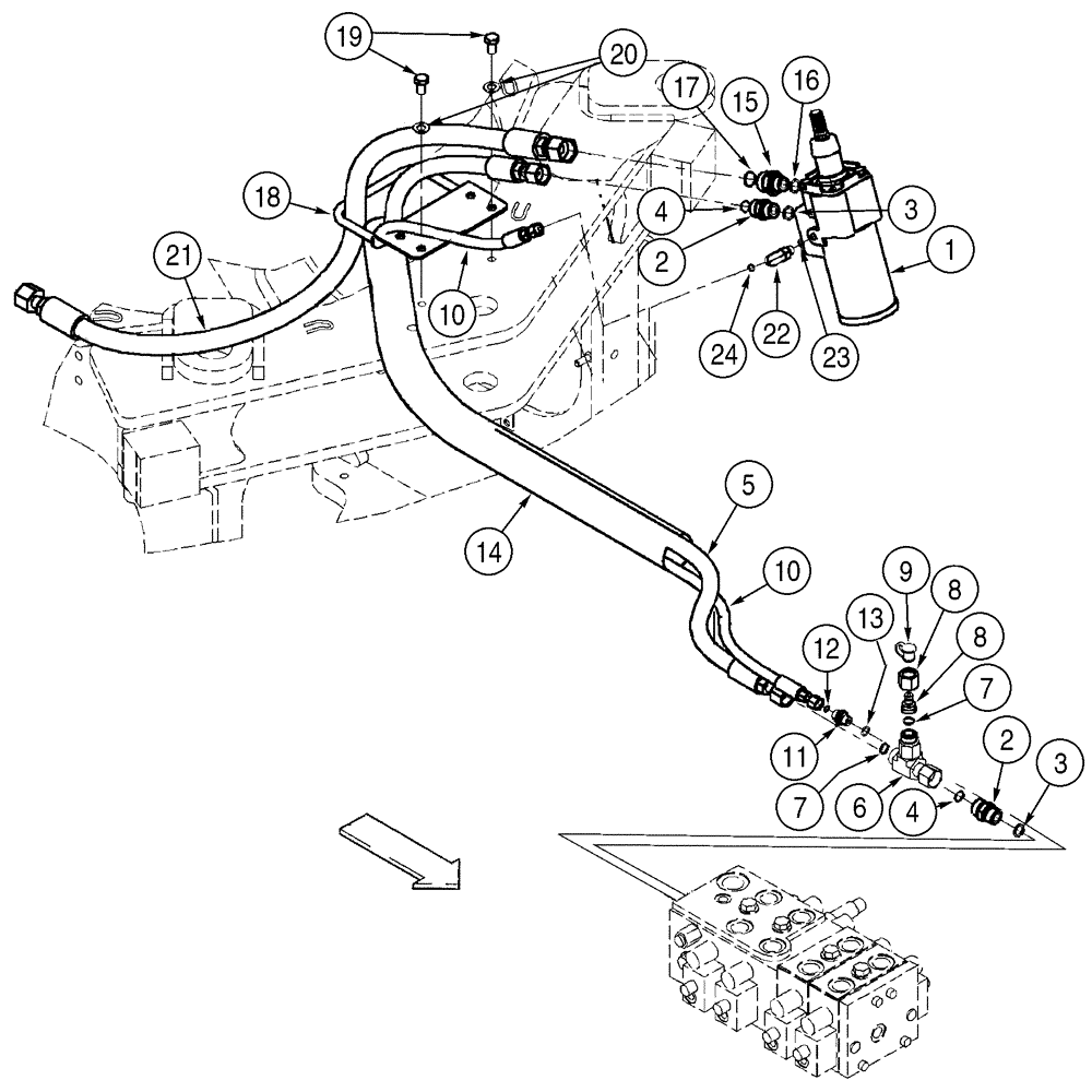
1

381134A1

CONTROL VALVE

1шт.

Steering

1шт.

See Figure XX-XX

1шт.

2

700-103

HYD CONNECTOR,1" - 14 Male ORFS x M22 x 1.5 Male ORB

2шт.

Incl. 3, 4

1шт.

3

637-63193

O-RING,2.2mm Thk x 19.3mm ID, Cl 6, 90 Duro

2шт.

Boss End

1шт.

4

238-6016

O-RING,0.07" Thk x 0.614" ID, -16, Cl 6, 90 Duro

2шт.

Face Seal End

1шт.

5

408877A1

HOSE ASSY.

1673 mm (65-7/8 in)

1шт.

Steering Pressure

1шт.

6

701-433

TEE,1" - 14 Male ORFS x 1" - 14 Male ORFS x 1" - 14 Female ORFS

1шт.

Incl. 7

1шт.

7

238-6016

O-RING,0.07" Thk x 0.614" ID, -16, Cl 6, 90 Duro

2шт.

Face Seal End

1шт.

8

324201A1

PLUG

1шт.

9

H434163

DUST CAP

1шт.

10

408878A1

HOSE ASSY.

1857 mm (73-1/8 in)

1шт.

Steering Load Sense

1шт.

11

700-153

HYD CONNECTOR,9/16" - 18 Male ORFS x M14 x 1.5 Male ORB

M8 fc sl x 14 orb

1шт.

Incl. 12, 13

1шт.

12

637-63113

O-RING,2.2mm Thk x 11.3mm ID, Cl 6

1шт.

Boss End

1шт.

13

238-6011

O-RING,0.07" Thk x 0.301" ID, -11, Cl 6, 90 Duro

1шт.

Face Seal End

1шт.

14

401526A1

HOSE PROTECTION,60mm ID x 1200mm L

1шт.

15

700-107

HYD CONNECTOR,1-3/16" - 12 Male ORFS x M22 x 1.5 Male ORB

1шт.

Incl. 16, 17

1шт.

16

637-63193

O-RING,2.2mm Thk x 19.3mm ID, Cl 6, 90 Duro

1шт.

Boss End

1шт.

17

238-6018

O-RING,0.07" Thk x 0.739" ID, -18, Cl 6, 90 Duro

1шт.

Face Seal End

1шт.

18

406440A2

BRACKET

1шт.

19

627-12020

BOLT,Hex, M12 x 1.75 x 20mm, Cl 10.9, Full Thd

2шт.

20

895-11012

WASHER,13.5mm ID x 24mm OD x 2.5mm Thk

2шт.

21

387701A1

HOSE ASSY.

1177 mm (46-5/16 in)

1шт.

Steering Return

1шт.

22

700-303

ELBOW,90 Degree Elbow, 9/16" - 18 Male ORFS x M12 x 1.5 Male ORB

1шт.

Incl. 23, 24

1шт.

23

637-63093

O-RING,2.2mm Thk x 9.3mm ID, Cl 6, 90 Duro

1шт.

Boss End

1шт.

24

238-6011

O-RING,0.07" Thk x 0.301" ID, -11, Cl 6, 90 Duro

1шт.

Face Seal End

1шт.

Выбрано товаров: 43