Запчасти Case 621D (05-06) - HYDRAULICS - STEERING (05) - STEERING

Схема запчастей Case 621D - (05-06) - HYDRAULICS - STEERING (05) - STEERING
15
4
4
8
5
14
2
9
6
5
7
1
6
3
11
13
12
3
FIT
1:1
100%

Артикул

Название

Примечание

Количество

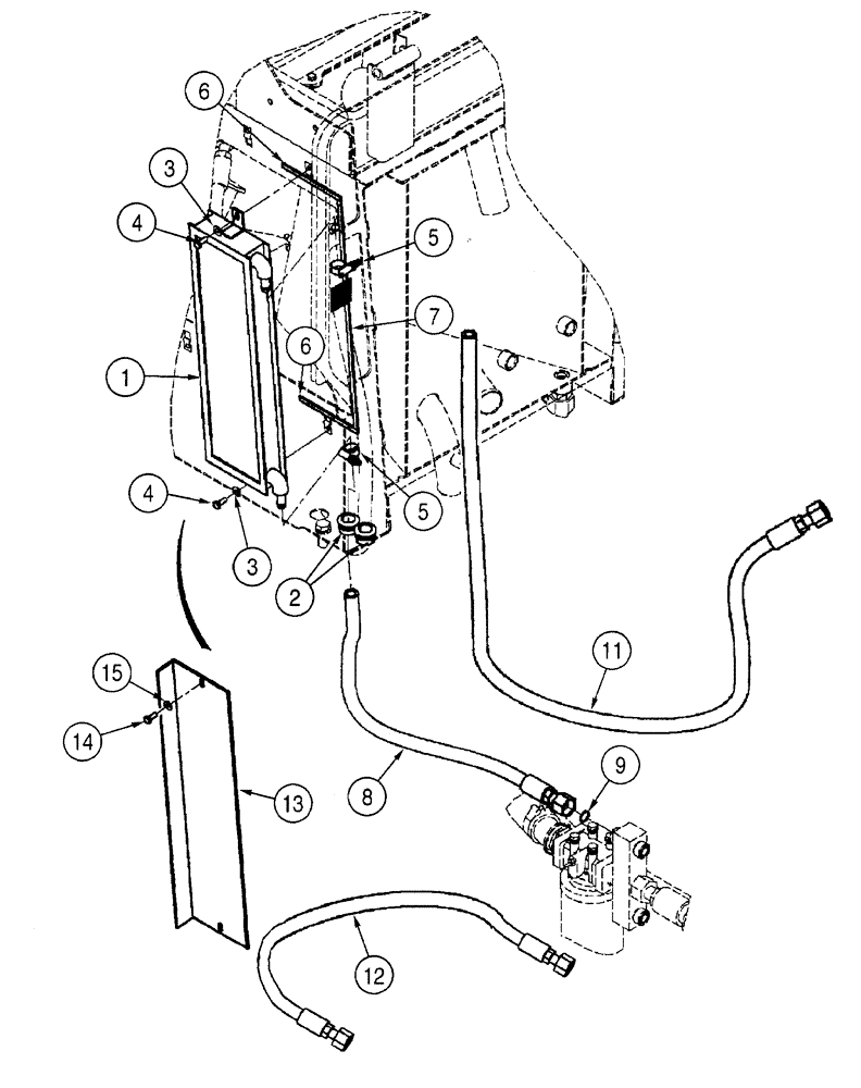
1

362963A1

COOLER, OIL

1шт.

Hydraulic Oil

1шт.

2

198828C1

GROMMET,25.4mm ID x 41.1mm OD x 26.9mm Thk

2шт.

3

895-15008

WASHER,9mm ID x 20mm OD x 1.6mm Thk

2шт.

4

627-8020

BOLT,Hex, M8 x 1.25 x 20mm, Cl 10.9, Full Thd

2шт.

5

328186A1

HOSE CLAMP

2шт.

6

382260A1

SEAL

155 mm (6-1/8 in)

2шт.

Cut From 198573C2

1шт.

7

382258A1

OIL SEAL

548 mm (21-9/16 in)

1шт.

Cut From 198573C2

1шт.

8

367872A1

HOSE ASSY.

1шт.

Return

1шт.

9

238-6018

O-RING,0.07" Thk x 0.739" ID, -18, Cl 6, 90 Duro

1шт.

Face Seal End

1шт.

11

376181A2

HOSE ASSY.

1шт.

Fan Valve Return

1шт.

12

431706A1

HOSE ASSY.

1шт.

Fan Drive Return

1шт.

13

385688A1

PLATE

1шт.

14

627-8020

BOLT,Hex, M8 x 1.25 x 20mm, Cl 10.9, Full Thd

2шт.

15

895-15008

WASHER,9mm ID x 20mm OD x 1.6mm Thk

2шт.

Выбрано товаров: 21