Запчасти Case 621D (05-07) - HYDRAULICS - STEERING, AUXILIARY (05) - STEERING

Схема запчастей Case 621D - (05-07) - HYDRAULICS - STEERING, AUXILIARY (05) - STEERING
9
27
26
25
28
38
28
14
30
31
17
16
1
3
15
28
23
19
41
28
21
17
12
28
32
7
31
4
13
8
39
33
24
11
10
32
19
15
36
2
29
22
34
4
13
2
40
20
6
34
35
12
16
18
24
5
37
14
3
18
FIT
1:1
100%

Артикул

Название

Примечание

Количество

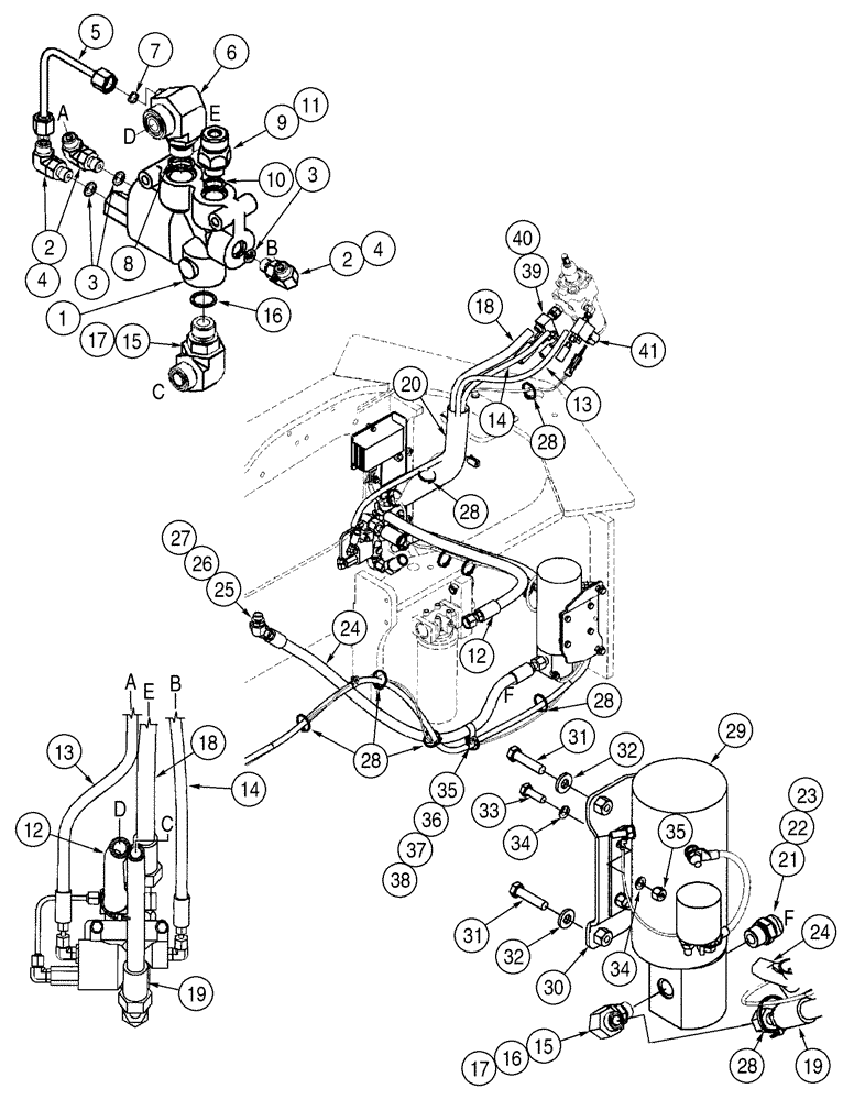
1

392587A1

VALVE

1шт.

Priority

1шт.

See Figure 5-31

1шт.

2

700-303

ELBOW,90 Degree Elbow, 9/16" - 18 Male ORFS x M12 x 1.5 Male ORB

3шт.

Incl. 3, 4

1шт.

3

238-6011

O-RING,0.07" Thk x 0.301" ID, -11, Cl 6, 90 Duro

1шт.

Face Seal End

1шт.

4

637-63093

O-RING,2.2mm Thk x 9.3mm ID, Cl 6, 90 Duro

1шт.

Boss End

1шт.

5

376795A2

TUBE,6.35 mm OD, 89, 79 mm Length

1шт.

6

376794A1

FITTING

1шт.

Incl. 7, 8

1шт.

7

238-6011

O-RING,0.07" Thk x 0.301" ID, -11, Cl 6, 90 Duro

1шт.

Face Seal End

1шт.

8

637-63193

O-RING,2.2mm Thk x 19.3mm ID, Cl 6, 90 Duro

1шт.

Boss End

1шт.

9

392354A1

VALVE, CHECK

1шт.

Incl. 10, 11

1шт.

10

637-63113

O-RING,2.2mm Thk x 11.3mm ID, Cl 6

1шт.

Boss End

1шт.

11

238-6012

O-RING,0.07" Thk x 0.364" ID, -12, Cl 6, 90 Duro

1шт.

Face Seal End

1шт.

12

376798A1

HOSE ASSY.

1шт.

Priority Valve To Filter

1шт.

13

376770A3

HOSE ASSY.

1шт.

Auxiliary Load sense

1шт.

14

377034A2

HOSE ASSY.

1шт.

Pressure Switch

1шт.

15

700-306

ELBOW,90 Degree Elbow, 1" - 14 Male ORFS x M22 x 1.5 Male ORB

2шт.

Incl. 16, 17

1шт.

16

238-6014

O-RING,0.07" Thk x 0.489" ID, -14, Cl 6, 90 Duro

1шт.

Face Seal End

1шт.

17

637-63153

O-RING,2.2mm Thk x 15.3mm ID, Cl 6, 90 Duro

1шт.

Boss End

1шт.

18

87534129

HOSE ASSY.

HOSE 1025mm ( 40-1/3 in ); Controlled Flow; Replaces 376633A2

1шт.

19

407920A1

HOSE ASSY.

1шт.

20

401525A1

HOSE PROTECTION,60.00 mm ID x 600.00 mm

1шт.

21

700-104

HYD CONNECTOR,1-3/16" - 12 Male ORFS x M27 x 2 Male ORB

1шт.

Incl. 22, 23

1шт.

22

238-6018

O-RING,0.07" Thk x 0.739" ID, -18, Cl 6, 90 Duro

1шт.

Face Seal End

1шт.

23

637-64236

O-RING,2.9mm Thk x 23.6mm ID, Cl 6, 90 Duro

1шт.

Boss End

1шт.

24

407911A1

HOSE ASSY.

1шт.

Suction

1шт.

25

700-387

ELBOW,45 Degree Elbow, 1-3/16" - 12 Male ORFS x M27 x 2 Male ORB

M20 fc sl x 2,7 orb

1шт.

Incl. 26, 27

1шт.

26

238-6018

O-RING,0.07" Thk x 0.739" ID, -18, Cl 6, 90 Duro

1шт.

Face Seal End

1шт.

27

637-64236

O-RING,2.9mm Thk x 23.6mm ID, Cl 6, 90 Duro

1шт.

Boss End

1шт.

28

L18337

CABLE TIE,9.95"-12.1" lg

CABLE STRAP 15 in

1шт.

29

380013A1

PUMP

1шт.

Auxiliary Steering

1шт.

See Figure XX-XX

1шт.

30

413916A1

BRACKET

1шт.

31

827-12050

BOLT,Hex, M12 x 1.75 x 50mm, Cl 10.9

2шт.

32

896-15012

WASHER,13.5mm ID x 28mm OD x 4mm Thk

13,5 x 28 x 4 mm

2шт.

33

627-10030

BOLT,Hex, M10 x 1.5 x 30mm, Cl 10.9, Full Thd

4шт.

34

895-18010

WASHER,10.5mm ID x 18mm OD x 1.6mm Thk

8шт.

35

832-10410

NUT,M10 x 1.5, Cl 8

5шт.

36

515-24302

CLAMP,1 3/16", Insul, 7/16" Bolt

1 ID

1шт.

37

515-25190

CLAMP,3/4", Insul, 1/2" Bolt

1шт.

38

895-11012

WASHER,13.5mm ID x 24mm OD x 2.5mm Thk

1шт.

39

376636A1

FITTING

1шт.

Incl 40

1шт.

40

238-6016

O-RING,0.07" Thk x 0.614" ID, -16, Cl 6, 90 Duro

3шт.

Face Seal End

1шт.

41

411113A1

SOLENOID VALVE

1шт.

Выбрано товаров: 69