Запчасти Case 621D (06-02) - MOUNTING - TRANSMISSION (06) - POWER TRAIN

Схема запчастей Case 621D - (06-02) - MOUNTING - TRANSMISSION (06) - POWER TRAIN
7
8
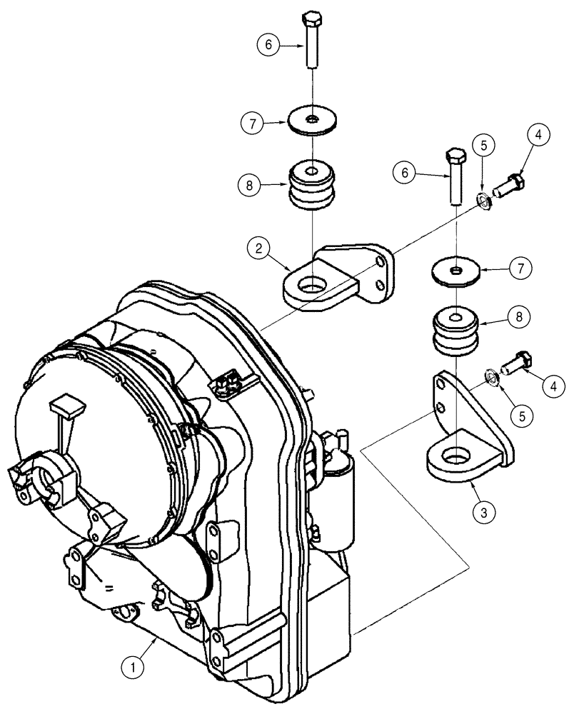
2
5
8
4
6
7
6
5
1
4
3
FIT
1:1
100%

Артикул

Название

Примечание

Количество

1

318999A1

TRANSMISSION

1шт.

ZF No 4656 054 025

1шт.

See Figures XX-XX

1шт.

1

8605546

REMAN-TRANSMISSION

Remanufactured Transmission

1шт.

1

8605545

CORE-TRANSMISSION

Return Part Number

1шт.

2

357657A1

BRACKET

1шт.

Left Hand

1шт.

3

357654A1

BRACKET

1шт.

Right Hand

1шт.

4

627-20050

BOLT,Hex, M20 x 2.5 x 50mm, Cl 10.9, Full Thd

4шт.

5

896-11020

WASHER,22mm ID x 37mm OD x 4mm Thk

22 x 37 x 4 mm

4шт.

6

827-22110

BOLT,Hex, M22 x 2.5 x 110mm, Cl 10.9

2шт.

7

361771A1

WASHER

2шт.

8

361187A1

ISOLATOR

2шт.

9

827-10050

BOLT,Hex, M10 x 1.5 x 50mm, Cl 10.9

2шт.

Not Illustrated

1шт.

Выбрано товаров: 0