Запчасти Case 621D (02-02) - RADIATOR - MOUNTING (02) - ENGINE

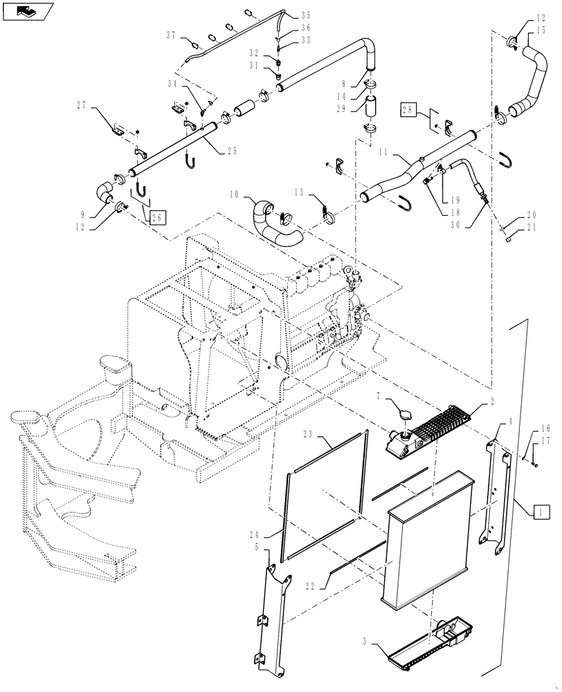
Схема запчастей Case 621D - (02-02) - RADIATOR - MOUNTING (02) - ENGINE
23
12
home
16
34
32
22
20
29
1
30
12
9
18
2
15
21
19
27
36
33
5
26
35
28
10
3
8
17
37
13
7
31
25
4
14
11
24
FIT
1:1
100%

Артикул

Название

Примечание

Количество

1

347611A3

RADIATOR

Incl. 2 - 7; For Coolant Level Sensor, See Fig. 04-17B

1шт.

2

403767A1

TANK

Upper

1шт.

3

403768A1

TANK

Bottom

1шт.

4

403769A1

CHANNEL

Left Side

1шт.

5

403770A1

HOLDER

Right Side

1шт.

6

254409A1

GASKET,3.15mm Thk

1шт.

7

A170241

RADIATOR CAP

15 psi

1шт.

8

86991261

PIPE

Coolant, Top Plated

1шт.

9

381232A1

HOSE,44.50 mm ID x 87.00 mm, SAE J20R4 Class D1

Elbow

1шт.

10

380125A2

RADIATOR HOSE,57.20 mm ID x 218.00 mm, SAE 20R4, CLASS C OR D1,SAE J20R4

Bottom

1шт.

11

86991251

PIPE

Bottom Plated

1шт.

12

254026A1

HOSE CLAMP,44.45mm - 66.67mm

2шт.

13

L115548

CLAMP,57.15mm - 79.38mm

3шт.

14

214-1436

HOSE CLAMP,#36, 1.81" - 2.75", Type F Worm

5шт.

15

86991195

HOSE,48.00 mm ID, 57.20 mm ID x 254.00 mm, SAE J20R4 Class D1

1шт.

16

892-11008

LOCK WASHER,8mm ID

6шт.

17

627-8025

BOLT,Hex, M8 x 1.25 x 25mm, Cl 10.9, Full Thd

6шт.

18

217-133

ELBOW,90 Degree Elbow, 1/2" Hose Barb x 3/8" Male NPTF

1шт.

19

214-1410

HOSE CLAMP,#10, 0.56" - 1.06", Type F Worm

1шт.

20

218-1255

BHD LOCK NUT,Blkhd, 3/4"-16

1шт.

21

218-755

CAP,37 Degree, 3/4"-16

1шт.

22

381963A1

SEAL

Radiator, Tank None

2шт.

23

381962A1

SEAL

Radiator, Header None

2шт.

24

381938A1

SEAL

Radiator, Side None

2шт.

25

87402554

TUBE,675 mm L

1шт.

26

382189A1

CLAMP

2шт.

27

382188A2

PLATE

2шт.

28

393632A1

CLAMP

2шт.

29

8501025

FLEXIBLE HOSE,44.50 mm ID x 110.00 mm, SAE 20R4 Class D1

2шт.

30

86991260

HOSE

Remote Coolant Drain

1шт.

31

217-1035

REDUCER FITTING,1/2" - 14 Male NPTF x 3/8" - 18 Female NPTF

1шт.

32

J911901

VALVE, CHECK

1шт.

33

217-191

FITTING,1/4" Hose Barb x 1/8" Female NPTF

Connector Hose

1шт.

34

217-292

FITTING,90 Degree Elbow, 1/4" Hose Barb x 1/8" Male NPTF

1шт.

35

87445564

HOSE,6.40 mm ID x 3900.00 mm

1шт.

36

214-1704

HOSE CLAMP,#04, 0.25" - 0.62", Type M Worm

2шт.

37

435437A1

CABLE TIE,3/16" x 7 1/4"

CABLE STRAP

4шт.

38

345-87

SEALANT

Not Shown

1шт.

Выбрано товаров: 38