Запчасти Case 621D (06-03) - TRANSMISSION FILL TUBE - GAUGE, SIGHT (06) - POWER TRAIN

Схема запчастей Case 621D - (06-03) - TRANSMISSION FILL TUBE - GAUGE, SIGHT (06) - POWER TRAIN
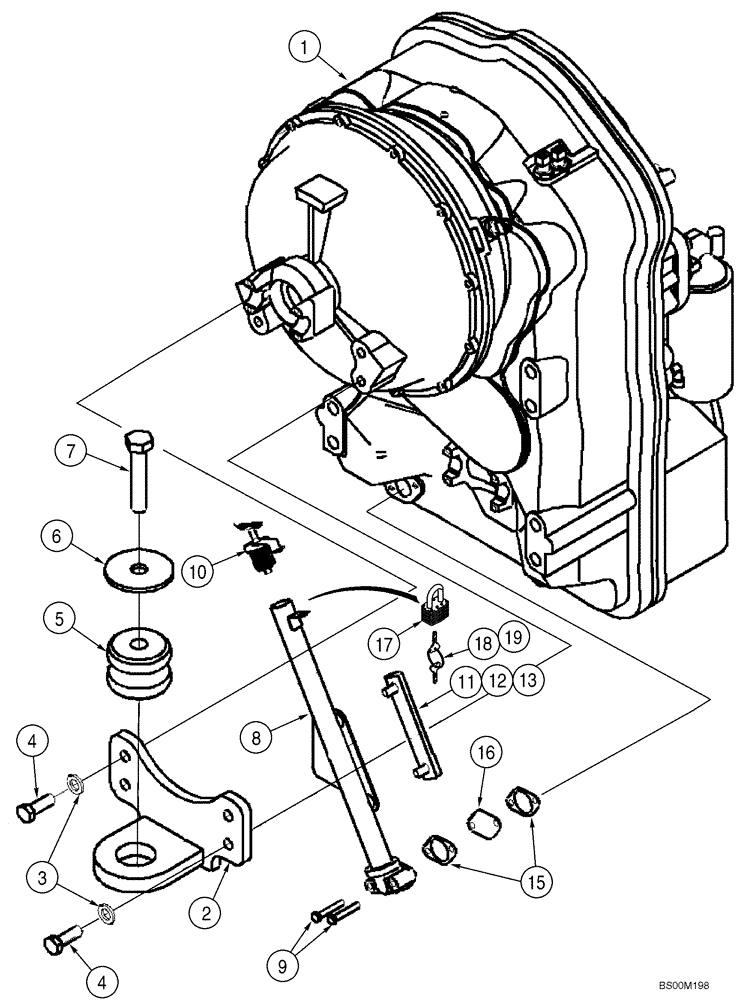
3
16
4
10
5
11
4
17
13
8
19
12
2
15
7
18
9
1
6
FIT
1:1
100%

Артикул

Название

Примечание

Количество

1

8605271

TRANSMISSION

See Figure(s) 06-04 - 06-21, 07-01

1шт.

1

8605546

REMAN-TRANSMISSION

Remanufactured Transmission; 621D, Model Number 4WG160, Stock Number 4656 054 025

1шт.

1

8605545

CORE-TRANSMISSION

Return Part Number

1шт.

2

357661A1

BRACKET

Top

1шт.

3

896-11016

WASHER,17.5mm ID x 30mm OD x 4mm Thk

4шт.

4

627-16045

BOLT,Hex, M16 x 2 x 45mm, Cl 10.9, Full Thd

4шт.

5

361187A1

ISOLATOR

1шт.

6

361771A1

WASHER

If Used

3шт.

6

379611A1

WASHER

If Used

3шт.

7

827-22110

BOLT,Hex, M22 x 2.5 x 110mm, Cl 10.9

1шт.

7

827-22120

BOLT,Hex, M22 x 2.5 x 120mm, Cl 10.9

Replaces 827-22110

3шт.

8

386349A1

TUBE

Fill

1шт.

9

827-8050

BOLT,Hex, M8 x 1.25 x 50mm, Cl 10.9

2шт.

10

443565A1

CAP

1шт.

86988366

SIGHTGLASS

Sight Gauge; Incl. 11 - 14

1шт.

11

NSS

NOT SOLD SEPARAT

Gauge

1шт.

12

NSS

NOT SOLD SEPARAT

Bolt

2шт.

13

238-7112

O-RING,0.103" Thk x 0.487" ID, -112, Cl 7, 75 Duro

4шт.

14

829-1412

NUT,M12, Cl 10.9

Not Illustrated

2шт.

15

S300507

GASKET

2шт.

15

8603281

GASKET

Replaces S300507

2шт.

16

E135229

FILTER SCREEN

1шт.

17

D93753

PADLOCK

Includes Keys; If Used

1шт.

18

D93751

SET OF 2 KEYS

For Yale Padlock Only; If Used

1шт.

19

R29555

KEY

For Master Padlock Only; If Used

1шт.

Выбрано товаров: 25