Запчасти Case 621D (06-22) - AXLE, FRONT - MOUNTING (06) - POWER TRAIN

Схема запчастей Case 621D - (06-22) - AXLE, FRONT - MOUNTING (06) - POWER TRAIN
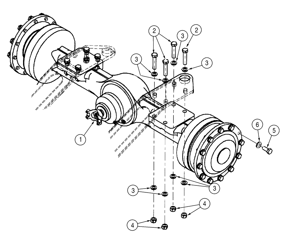
2
3
4
2
3
4
3
6
1
3
3
5
FIT
1:1
100%

Артикул

Название

Примечание

Количество

REF

INSTRUCTION

IF USED

1шт.

1

87405408

FRONT AXLE

Limited Slip; See Figure(s) 06-22A - 22E

1шт.

87358580R

REMAN-FRT AXLE wo DL

REMAN-FRONT AXLE 621D S/N JEE0135501 & Aft., Reman For New P/N's 87405408 & 87358580

1шт.

87358580C

CORE-FRONT AXLE

Return Number

1шт.

1

87313917

FRONT AXLE

Limited Slip; See Figure(s) 06-22A - 22E; Oil Filled; Components Same As 87405408

1шт.

87358580R

REMAN-FRT AXLE wo DL

621D S/N JEE0135501 & Aft., Reman For New P/N's 87313917 & 87358580

1шт.

87358580C

CORE-FRONT AXLE

Return Number

1шт.

1

87358580

FRONT AXLE

Limited Slip; See Figure(s) 06-22A - 22E; Components Same As 87313917 Except Wheel End Assembly Changes

1шт.

87358580R

REMAN-FRT AXLE wo DL

621D S/N JEE0135501 & Aft.

1шт.

87358580C

CORE-FRONT AXLE

Return Number

1шт.

2

827-24130

BOLT,Hex, M24 x 3 x 130mm, Cl 10.9

8шт.

3

896-11024

WASHER,26mm ID x 44mm OD x 5mm Thk

(26 ID x 44 x 5 mm)

16шт.

4

829-1424

NUT,M24, Cl 10

8шт.

5

514-1315

BOLT,Hex, M22 x 1.5 x 50mm, Cl 10.9

24шт.

6

896-11022

WASHER,24mm ID x 44mm OD x 4mm Thk

24шт.

8603201

BREATHER

Not Illustrated; If Used

1шт.

Выбрано товаров: 16