Запчасти Case 621D (06-23A) - AXLE, REAR - HOUSING (06) - POWER TRAIN

Схема запчастей Case 621D - (06-23A) - AXLE, REAR - HOUSING (06) - POWER TRAIN
29
8
32
15
28
11
21
23
12
30
14
7
10
16
2
7
27
24
22
13
6
3
17
9
3
4
31
25
30
19
31
18
26
20
32
1
6
5
FIT
1:1
100%

Артикул

Название

Примечание

Количество

87406479

REAR AXLE

Limited Slip; Incl. 1 - 32; Incl. Figure(s) 06-23 - 23E

1шт.

87358583

REAR AXLE

Limited Slip; Incl. 1 - 32; Incl. Figure(s) 06-23 - 23E; Same As 87406479 Except For Wheel End Assembly

1шт.

87358583R

REMAN-AXLE

621D S/N JEE0135501 & Aft.

1шт.

87358583C

CORE-AXLE

Return Number

1шт.

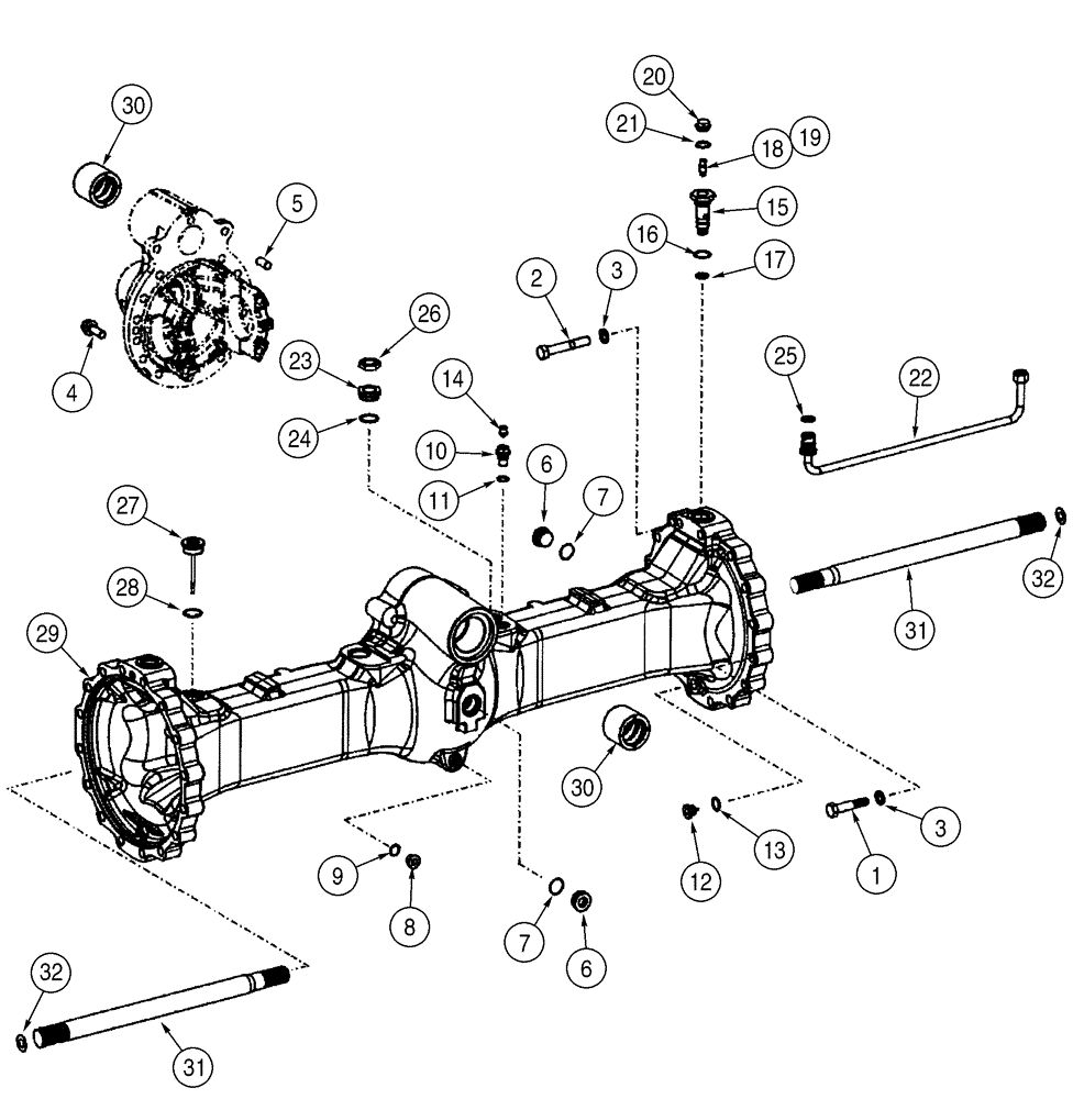
1

514-1107

BOLT,Hex, M18 x 1.5 x 85mm, Cl 10.9

28шт.

2

8603670

BOLT

M18 x 115

4шт.

3

8603202

WASHER

32шт.

4

8603687

BOLT

15шт.

5

8603695

DOWEL

M6 x 30

3шт.

6

8603549

PLUG

2шт.

7

8605636

O-RING,2.2mm Thk x 33mm ID

33 x 2,5

2шт.

8

8603550

PLUG

1шт.

9

8603208

O-RING,2mm Thk x 21mm ID

1шт.

10

8603256

PLUG

1шт.

11

8603208

O-RING,2mm Thk x 21mm ID

1шт.

12

84395172

PLUG

1шт.

13

8603200

SEALING RING

2шт.

14

8603201

BREATHER

1шт.

15

8603551

FITTING

2шт.

16

8605636

O-RING,2.2mm Thk x 33mm ID

M33 x 2,2; If Used

2шт.

16

8603727

O-RING,2.2mm Thk x 33mm ID

M33 x 2: If Used

2шт.

17

8603552

GASKET

2шт.

18

3222214R1

VALVE

Bleeder; Incl. 19

2шт.

19

NSS

NOT SOLD SEPARAT

Dust Cap

2шт.

20

8603210

PLUG

M26 - 1,5

2шт.

21

8603799

RING

26 x 31 mm

2шт.

22

8603672

TUBE

Brake; No Longer Used; Replaced By 87436733

2шт.

22

87436733

TUBE

Internal Brake; Replaces 8603672

2шт.

23

8603696

FITTING

M42 x 1,5; Incl. 24

2шт.

24

8603207

O-RING,2.5mm Thk x 38mm ID

2шт.

25

8603725

O-RING

2шт.

26

8603619

TUBE NUT

2шт.

27

8603694

DIPSTICK

Oil

1шт.

28

8603207

O-RING,2.5mm Thk x 38mm ID

1шт.

29

8605639

AXLE HOUSING

1шт.

30

8605638

BUSHING,58.2mm ID x 80mm OD x 65mm L

2шт.

31

8603690

SHAFT

2шт.

32

8603669

SHIM,0.4mm Thk

1шт.

32

8603730

SHIM,0.2mm Thk

1шт.

32

8603731

SHIM,1mm Thk

1шт.

32

8603732

SHIM,1.5mm Thk

1шт.

Выбрано товаров: 41