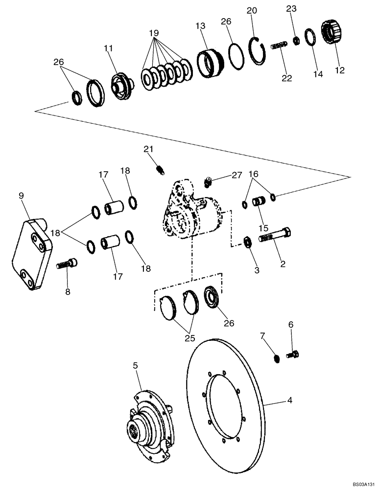
Запчасти Case 621D (07-01) - BRAKE, PARKING (07) - BRAKES

Схема запчастей Case 621D - (07-01) - BRAKE, PARKING (07) - BRAKES
9
22
23
18
3
26
17
6
18
5
27
20
12
13
21
8
11
2
14
15
26
7
4
17
18
16
26
19
25
FIT
1:1
100%

Артикул

Название

Примечание

Количество

8605271

TRANSMISSION

Transmission; Incl. Figure(s) 06-04 - 06-21

1шт.

8605546

REMAN-TRANSMISSION

Remanufactured Transmission; 621D, Model Number 4WG160, Stock Number 4656 054 025

1шт.

8605545

CORE-TRANSMISSION

Return Part Number

1шт.

1

8603630

PARKING BRAKE

Incl. 11 - 26, 28; Includes Caliper Which Is Not Serviced Separately

1шт.

2

8603649

BOLT,Hex, M16 x 85mm

M16 x 85

2шт.

3

8603650

WASHER

2шт.

4

8603328

BRAKE DISC

1шт.

5

8603327

FLANGE

Output

1шт.

6

626-10025

BOLT,Hex, M10 x 1.5 x 25mm, Cl 10.9, Full Thd

8шт.

7

895-11010

WASHER,11mm ID x 20mm OD x 2mm Thk

8шт.

8

8603652

STUD

M14 x 45

4шт.

9

8603653

PLATE

1шт.

10

8603654

SCREW

Not Illustrated

1шт.

11

8603699

PISTON

1шт.

12

8603700

CAP

1шт.

13

8603701

RING

Pressure

1шт.

14

8603347

O-RING

1шт.

15

8603702

PIN

Pressure

1шт.

16

8603703

O-RING

2шт.

17

8603704

BUSHING

2шт.

18

8603705

O-RING

4шт.

19

8603706

SPRING

6шт.

20

8603707

RING

Retaining

1шт.

21

8603348

BREATHER

1шт.

22

8603708

ADJUSTMENT SCREW,Hex, M18 x 70mm, Cl 8.8

1шт.

23

8603709

NUT

1шт.

24

8603710

PLUG

Not Illustrated

1шт.

25

8603631

BRAKE PAD

To Order Ghosted Caliper Order P/N 8603630

1шт.

26

8603711

SEAL KIT

Park Brake, To Order Ghosted Caliper Order P/N 8603630

1шт.

27

8603542

SLEEVE

1шт.

28

NSS

NOT SOLD SEPARAT

BRAKE CALIPER

1шт.

Выбрано товаров: 31