Запчасти Case 621D (08-01A) - RESERVOIR - GAUGE (08) - HYDRAULICS

Схема запчастей Case 621D - (08-01A) - RESERVOIR - GAUGE (08) - HYDRAULICS
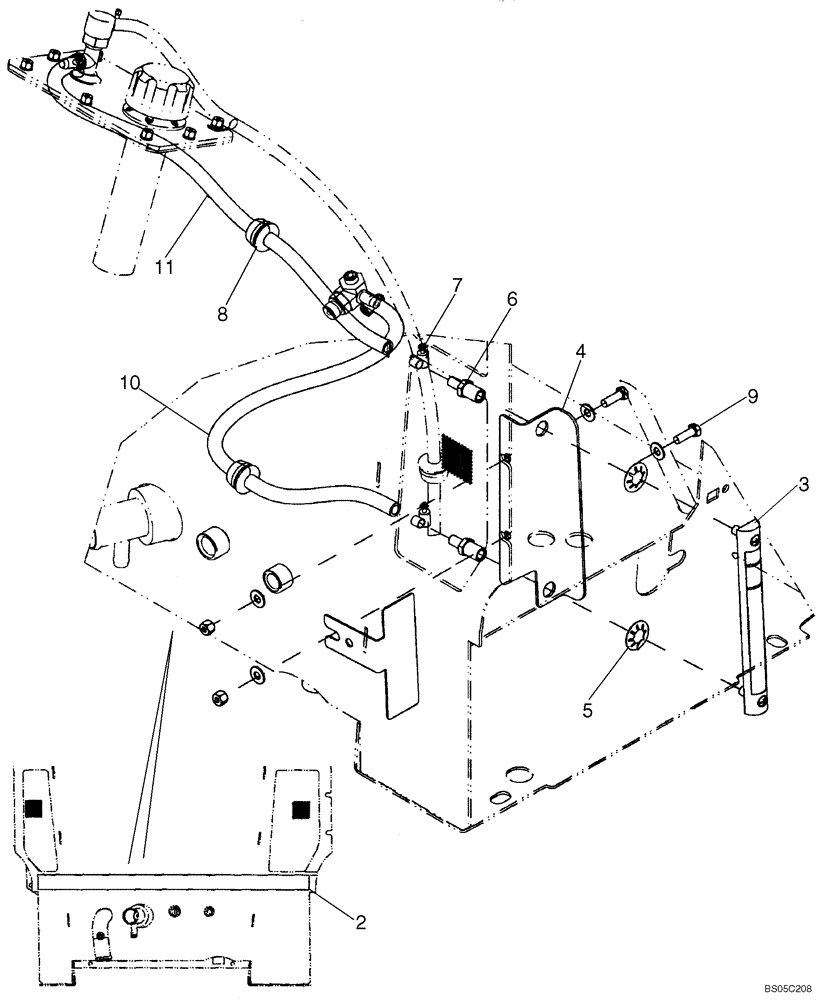
6
5
11
8
7
9
10
2
3
4
FIT
1:1
100%

Артикул

Название

Примечание

Количество

2

394264A1

FOAM INSULATION

Cooling Frame

1шт.

3

87425336

GAUGE

Sight

1шт.

4

87402385

BRACKET

Sight Gage

1шт.

5

131-431

PUSH-ON NUT,Self, Threading, 1/4"

Push On

2шт.

6

L125836

FITTING

Sight Gage

2шт.

7

214-1406

HOSE CLAMP,#06, 0.44" - 0.78", Type F Worm

4шт.

8

198826C1

GROMMET,19.05mm ID x 41.1mm OD x 26.9mm Thk

2шт.

10

384106A1

RADIATOR HOSE,12.70 mm ID x 1008.00, SAE 100R6

1шт.

11

384105A1

RADIATOR HOSE,12.70 mm ID x 740.00, SAE 100R6

1шт.

9

627-10030

BOLT,Hex, M10 x 1.5 x 30mm, Cl 10.9, Full Thd

2шт.

Выбрано товаров: 10