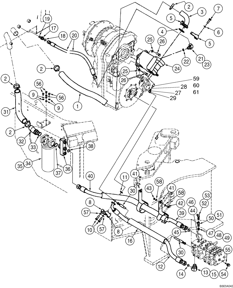
Запчасти Case 621D (08-01B) - HYDRAULICS - RESERVOIR TO HYDRAULIC PUMP (08) - HYDRAULICS

Схема запчастей Case 621D - (08-01B) - HYDRAULICS - RESERVOIR TO HYDRAULIC PUMP (08) - HYDRAULICS
61
6
54
32
57
44
23
41
2
8
17
7
58
24
42
50
5
55
8
12
60
35
19
48
16
29
57
26
9
2
15
2
25
33
45
34
53
36
27
10
11
20
56
18
47
30
21
22
2
59
5
41
58
25
26
43
31
14
38
13
49
28
52
9
51
37
40
46
39
3
56
30
1
4
FIT
1:1
100%

Артикул

Название

Примечание

Количество

REF

INSTRUCTION

RESERVOIR TO PUMP AND LOADER CONTROL VALVE

1шт.

1

388556A1

HOSE ASSY.

860 mm (33-7/8 in); Suction; Reservoir To Pump Inlet

1шт.

2

L126871

CLAMP

4шт.

3

388509A1

TUBE,50.8 mm OD, 130, 100 mm Length

1шт.

4

238-5232

O-RING,0.139" Thk x 2.734" ID, -232, Cl 5, 75 Duro

1шт.

5

L14386

CLAMP

2шт.

6

895-11012

WASHER,13.5mm ID x 24mm OD x 2.5mm Thk

4шт.

7

627-12040

BOLT,Hex, M12 x 1.75 x 40mm, Cl 10.9, Full Thd

4шт.

8

86985567

FLANGE

2шт.

9

895-11010

WASHER,11mm ID x 20mm OD x 2mm Thk

4шт.

10

627-14045

BOLT,Hex, M14 x 2 x 45mm, Cl 10.9, Full Thd

4шт.

11

238-6222

O-RING,0.139" Thk x 1.484" ID, -222, Cl 6, 90 Duro

1шт.

12

388555A2

HOSE ASSY.

1337 mm (52-5/8 in); Pressure

1шт.

13

700-308

ELBOW,90 Degree Elbow, 1-7/16" - 12 Male ORFS x M33 x 2 Male ORB

Incl. 14, 15

1шт.

14

637-64296

O-RING,2.9mm Thk x 29.6mm ID, Cl 6, 90 Duro

Boss Seal

1шт.

15

238-6021

O-RING,15/16 X 1 - 1/16, Cl 6

Face Seal

1шт.

16

401525A1

HOSE PROTECTION,60.00 mm ID x 600.00 mm

1шт.

17

700-104

HYD CONNECTOR,1-3/16" - 12 Male ORFS x M27 x 2 Male ORB

Incl. 18, 19

1шт.

18

637-64236

O-RING,2.9mm Thk x 23.6mm ID, Cl 6, 90 Duro

19,3 ID x 2,2 mm; Boss Seal

1шт.

19

238-6018

O-RING,0.07" Thk x 0.739" ID, -18, Cl 6, 90 Duro

Face Seal

1шт.

20

388557A1

HOSE ASSY.

812 mm (32 in)

1шт.

21

700-307

ELBOW,90 Degree Elbow, 1-3/16" - 12 Male ORFS x M27 x 2 Male ORB

Incl. 22, 23

1шт.

22

637-64236

O-RING,2.9mm Thk x 23.6mm ID, Cl 6, 90 Duro

Boss Seal

1шт.

23

238-6018

O-RING,0.07" Thk x 0.739" ID, -18, Cl 6, 90 Duro

Face Seal

1шт.

24

377608A1

PUMP

See Figure 08-01B

1шт.

76082592R

REMAN-HYD PUMP

621D S/N JEE0135501 & AFTER (1/03-), Reman for new P/N 377608A1

1шт.

76082592C

CORE-HYDRAULIC PUMP

Return Number

1шт.

25

896-11016

WASHER,17.5mm ID x 30mm OD x 4mm Thk

2шт.

26

627-16045

BOLT,Hex, M16 x 2 x 45mm, Cl 10.9, Full Thd

2шт.

27

701-329

ELBOW,90 Degree Elbow, 9/16" - 18 Male ORFS x 9/16" - 18 Female ORFS

Incl. 28

1шт.

28

238-6011

O-RING,0.07" Thk x 0.301" ID, -11, Cl 6, 90 Duro

Face Seal

1шт.

30

388558A1

HOSE ASSY.

1327 mm (52-1/4 in); Load Sensing

1шт.

31

429045A1

HOSE

257 mm; Tank Return

1шт.

32

390208A2

ADAPTER

1шт.

33

637-64386

O-RING,2.9mm Thk x 38.6mm ID, Cl 6, 90 Duro

(1-1/2 ID x 7/64); Boss Seal

1шт.

34

REF

INSTRUCTION

With Reverse Flow; Models With Ride Control; See Figure 08-03

1шт.

35

REF

INSTRUCTION

Models Without Ride Control; See Figure 08-03

1шт.

36

370524A2

MANIFOLD

Incl. 37, 38; If Used

1шт.

36

87308278

MANIFOLD

Incl. 37, 38; If Used

1шт.

36

87323806

MANIFOLD ASSY

Incl. 37, 38; 38A, 38B; Replaces 370524A2

1шт.

37

637-64386

O-RING,2.9mm Thk x 38.6mm ID, Cl 6, 90 Duro

(1-1/2 ID x 7/64); Boss Seal

1шт.

38

238-6021

O-RING,15/16 X 1 - 1/16, Cl 6

Face Seal

1шт.

38a

238-6021

O-RING,15/16 X 1 - 1/16, Cl 6

Face Seal

1шт.

38b

637-63193

O-RING,2.2mm Thk x 19.3mm ID, Cl 6, 90 Duro

Boss End

1шт.

39

365516A2

HOSE ASSY.

1613 mm (63-1/2 in ); Valve Return Hose

1шт.

40

401526A1

HOSE PROTECTION,60mm ID x 1200mm L

1шт.

41

401527A2

STRAP

2шт.

43

832-10410

NUT,M10 x 1.5, Cl 8

2шт.

44

700-308

ELBOW,90 Degree Elbow, 1-7/16" - 12 Male ORFS x M33 x 2 Male ORB

Models without Ride Control; Incl. 45, 46

1шт.

45

637-64296

O-RING,2.9mm Thk x 29.6mm ID, Cl 6, 90 Duro

Boss Seal

1шт.

46

238-6021

O-RING,15/16 X 1 - 1/16, Cl 6

Face Seal

1шт.

47

700-153

HYD CONNECTOR,9/16" - 18 Male ORFS x M14 x 1.5 Male ORB

M8 fc sl x 14 orb; Incl. 48, 49

1шт.

48

238-6011

O-RING,0.07" Thk x 0.301" ID, -11, Cl 6, 90 Duro

Face Seal

1шт.

49

637-63113

O-RING,2.2mm Thk x 11.3mm ID, Cl 6

1шт.

50

701-421

TEE,9/16" - 18 Male ORFS x 9/16" - 18 Male ORFS x 9/16" - 18 Female ORFS

Models With Ride Control; Incl. 51

1шт.

51

238-6011

O-RING,0.07" Thk x 0.301" ID, -11, Cl 6, 90 Duro

Face Seal

1шт.

52

190117A1

COUPLING

Models With Ride Control; Incl. 53

1шт.

53

238-6011

O-RING,0.07" Thk x 0.301" ID, -11, Cl 6, 90 Duro

Face Seal

1шт.

54

178889A1

DIAGNOSTIC COUPLER

Incl. 55

1шт.

55

637-63113

O-RING,2.2mm Thk x 11.3mm ID, Cl 6

1шт.

56

627-10020

BOLT,Hex, M10 x 1.5 x 20mm, Cl 10.9, Full Thd

4шт.

57

895-11014

WASHER,M14 x 28 x 2.5

4шт.

58

895-15010

WASHER,11mm ID x 24mm OD x 2mm Thk

4шт.

59

700-100

HYD CONNECTOR,9/16" - 18 Male ORFS x M12 x 1.5 Male ORB

6 mm; Incl. 60, 61

1шт.

60

238-6011

O-RING,0.07" Thk x 0.301" ID, -11, Cl 6, 90 Duro

Face Seal

1шт.

61

637-63093

O-RING,2.2mm Thk x 9.3mm ID, Cl 6, 90 Duro

Boss Seal

1шт.

42

627-10030

BOLT,Hex, M10 x 1.5 x 30mm, Cl 10.9, Full Thd

2шт.

Выбрано товаров: 67