Запчасти Case 621D (08-06) - HYDRAULICS - LOADER AUXILIARY (Z BAR LOADER) - IF USED (08) - HYDRAULICS

Схема запчастей Case 621D - (08-06) - HYDRAULICS - LOADER AUXILIARY (Z BAR LOADER) - IF USED (08) - HYDRAULICS
13
17
8
3
2
20
1
15
12
17
18
15
12
21
8
16
7
10
19
11
8
4
9
5
FIT
1:1
100%

Артикул

Название

Примечание

Количество

REF

INSTRUCTION

Z-BAR LOADER

1шт.

REF

INSTRUCTION

THREE SPOOL

1шт.

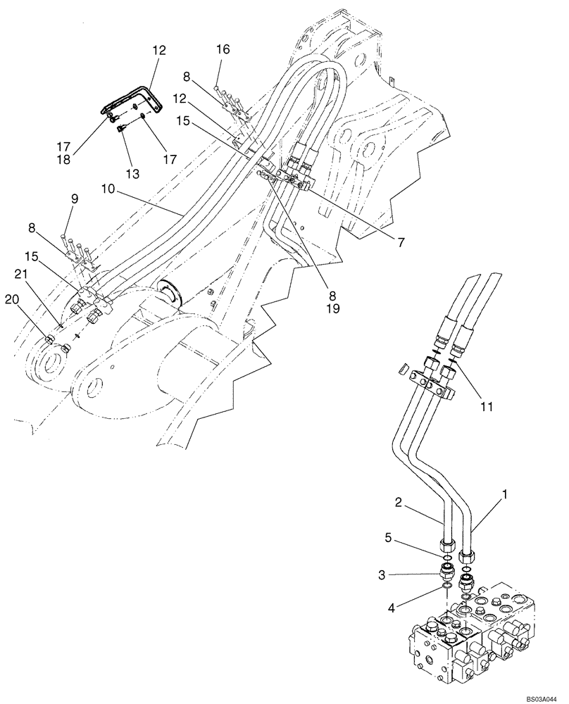
1

86983688

HYD TUBE,25.40mm OD

Left Hand

1шт.

2

86983689

HYD TUBE,25.40mm OD x 585mm, 178 mm L

Right Hand

1шт.

3

700-166

HYD CONNECTOR,1-7/16" - 12 Male ORFS x M27 x 2 Male ORB

Incl. 4, 5

2шт.

4

637-64236

O-RING,2.9mm Thk x 23.6mm ID, Cl 6, 90 Duro

Boss Seal

1шт.

5

238-6021

O-RING,15/16 X 1 - 1/16, Cl 6

Face Seal

1шт.

7

367489A1

BLOCK

2шт.

8

367658A1

PLATE

2шт.

9

827-10120

BOLT,Hex, M10 x 1.5 x 120mm, Cl 10.9

2шт.

10

372102A3

HOSE ASSY.

1840 mm (72-7/16 in); Incl. 11

2шт.

11

238-6021

O-RING,15/16 X 1 - 1/16, Cl 6

Face Seal

1шт.

12

396918A1

BRACKET

1шт.

13

627-10025

BOLT,Hex, M10 x 1.5 x 25mm, Cl 10.9, Full Thd

2шт.

14

895-11010

WASHER,11mm ID x 20mm OD x 2mm Thk

8шт.

15

372453A1

BLOCK

4шт.

16

827-10080

BOLT,Hex, M10 x 1.5 x 80mm, Cl 10.9

4шт.

17

895-11010

WASHER,11mm ID x 20mm OD x 2mm Thk

4шт.

18

832-10410

NUT,M10 x 1.5, Cl 8

4шт.

19

827-10070

BOLT,Hex, M10 x 1.5 x 70mm, Cl 10.9

4шт.

20

701-914

PLUG,Hex, 1-3/16" - 12 ORFS

Incl. 21

2шт.

21

238-6018

O-RING,0.07" Thk x 0.739" ID, -18, Cl 6, 90 Duro

Face Seal

2шт.

Выбрано товаров: 22