Запчасти Case 621D (08-06C) - HYDRAULICS - LOADER AUXILIARY XR (08) - HYDRAULICS

Схема запчастей Case 621D - (08-06C) - HYDRAULICS - LOADER AUXILIARY XR (08) - HYDRAULICS
15
21
17
11
12
8
9
3
2
15
20
5
16
8
17
19
10
4
8
12
18
13
7
1
FIT
1:1
100%

Артикул

Название

Примечание

Количество

REF

INSTRUCTION

XR LOADER

1шт.

REF

INSTRUCTION

THREE SPOOL

1шт.

1

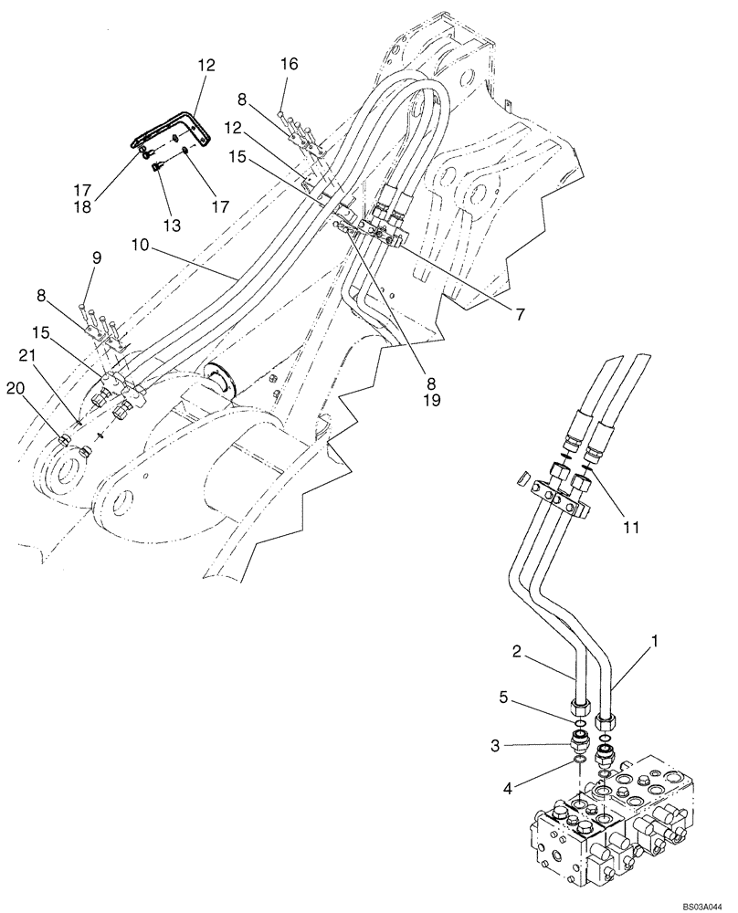
86983688

HYD TUBE,25.40mm OD

Left Hand

1шт.

2

86983689

HYD TUBE,25.40mm OD x 585mm, 178 mm L

Right Hand

1шт.

3

700-166

HYD CONNECTOR,1-7/16" - 12 Male ORFS x M27 x 2 Male ORB

Incl. 4, 5

2шт.

4

637-64236

O-RING,2.9mm Thk x 23.6mm ID, Cl 6, 90 Duro

Boss Seal

1шт.

5

238-6021

O-RING,15/16 X 1 - 1/16, Cl 6

Face Seal

1шт.

7

367489A1

BLOCK

2шт.

8

367658A1

PLATE

5шт.

10

437523A1

HOSE ASSY.

2143 mm; Incl. 11, 11A

2шт.

11

238-6018

O-RING,0.07" Thk x 0.739" ID, -18, Cl 6, 90 Duro

Face Seal

1шт.

11a

238-6021

O-RING,15/16 X 1 - 1/16, Cl 6

Face Seal

1шт.

12

396918A1

BRACKET

1шт.

13

627-10025

BOLT,Hex, M10 x 1.5 x 25mm, Cl 10.9, Full Thd

2шт.

15

372453A1

BLOCK

4шт.

16

827-10080

BOLT,Hex, M10 x 1.5 x 80mm, Cl 10.9

4шт.

17

895-11010

WASHER,11mm ID x 20mm OD x 2mm Thk

8шт.

18

832-10410

NUT,M10 x 1.5, Cl 8

4шт.

19

827-10070

BOLT,Hex, M10 x 1.5 x 70mm, Cl 10.9

4шт.

20

701-914

PLUG,Hex, 1-3/16" - 12 ORFS

Incl. 21

2шт.

21

238-6018

O-RING,0.07" Thk x 0.739" ID, -18, Cl 6, 90 Duro

Face Seal

2шт.

9

827-10060

BOLT,Hex, M10 x 1.5 x 60mm, Cl 10.9

4шт.

Выбрано товаров: 22