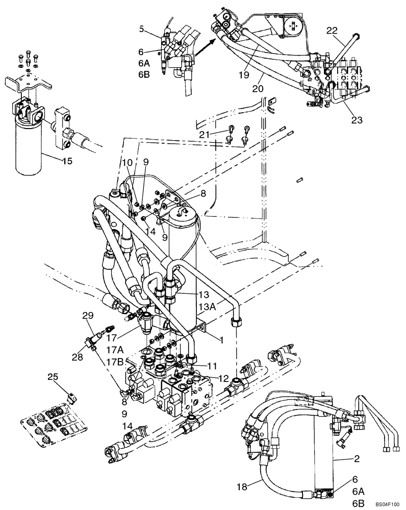
Запчасти Case 621D (08-09A) - HYDRAULICS - RIDE CONTROL - IF USED (08) - HYDRAULICS

Схема запчастей Case 621D - (08-09A) - HYDRAULICS - RIDE CONTROL - IF USED (08) - HYDRAULICS
2
13
18
6
14
28
29
23
8
1
17b
9
6b
21
19
6a
22
5
20
25
17
10
6b
6a
11
12
14
17a
6
8
9
15
9
13a
FIT
1:1
100%

Артикул

Название

Примечание

Количество

1

87403346

BRACKET

Accumulator

1шт.

2

87431765

ACCUMULATOR

See Figure 08-09E

1шт.

4

87403347

BRACKET

Accumulator

1шт.

5

87440148

HYDRAULIC VALVE

Ride Control RSM2-16

1шт.

6

700-308

ELBOW,90 Degree Elbow, 1-7/16" - 12 Male ORFS x M33 x 2 Male ORB

Incl. 6A, 6B

1шт.

6a

238-6021

O-RING,15/16 X 1 - 1/16, Cl 6

Face Seal

1шт.

6b

637-64296

O-RING,2.9mm Thk x 29.6mm ID, Cl 6, 90 Duro

Boss Seal

1шт.

7

L128472

U-BOLT

1шт.

8

896-15012

WASHER,13.5mm ID x 28mm OD x 4mm Thk

13.5 x 28 x 4mm

4шт.

9

896-15010

WASHER,11mm ID x 24mm OD x 3mm Thk

11 x 24 x 3mm

6шт.

10

231-1446

NUT,3/8" - 16, Gr 5

2шт.

11

896-12012

WASHER,13.5mm ID x 24mm OD x 3mm Thk

3шт.

12

627-12020

BOLT,Hex, M12 x 1.75 x 20mm, Cl 10.9, Full Thd

3шт.

13

701-418

TEE,1-7/16" - 12 Male ORFS x 1-7/16" - 12 Male ORFS x 1-7/16" - 12 Female ORFS

ORFS Swivel 25mm Or 1in; Incl. 13A

2шт.

13a

238-6021

O-RING,15/16 X 1 - 1/16, Cl 6

Face Seal

1шт.

14

832-10410

NUT,M10 x 1.5, Cl 8

4шт.

15

87403735

FILTER ASSY

Reverse Flow

1шт.

15

87308929

FILTER ASSY

Replaces 87403735; See Figure 08-03

1шт.

17

700-407

TEE,1-7/16" - 12 Male ORFS x 1-7/16" - 12 Male ORFS x M33 x 2 Male ORB

Adj. ORFS; 25mm-M33-25mm; Incl. 16A, 16B

1шт.

17a

238-6021

O-RING,15/16 X 1 - 1/16, Cl 6

Face Seal

2шт.

17b

637-64296

O-RING,2.9mm Thk x 29.6mm ID, Cl 6, 90 Duro

Boss Seal

1шт.

18

87452278

HOSE ASSY.

Accumulator; 588mm (23-1/8 in )

1шт.

19

87452279

HOSE ASSY.

Tank; 723mm ( 28-1/2 in )

1шт.

20

87452280

HOSE ASSY.

Head Or Rod; 873mm ( 34-3/8 in )

2шт.

21

844-10035

BOLT,Hex, M10 x 35mm, Cl 8.8

2шт.

22

87452287

TUBE,25.4 mm OD x 298.1, 243.8 mm L

Rod

1шт.

23

87452285

TUBE,25.4 mm OD

Head

1шт.

23

87389423

HYD TUBE,19.4 mm ID x 25.40 mm OD x 253, 105 mm L

TUBE ASSY. Head; Replaces 87452285

1шт.

24

87453403

WIRE HARNESS

Ride Control

1шт.

25

374425A2

SWITCH

Ride Control

1шт.

28

397547A1

FITTING

Pressure Switch; XT Only

1шт.

29

446183A1

PRESSURE SWITCH

Rollback; XT Only

1шт.

Выбрано товаров: 32