Запчасти Case 621D (08-17A) - HYDRAULICS - LOADER CONTROL, REMOTE - IF USED (08) - HYDRAULICS

Схема запчастей Case 621D - (08-17A) - HYDRAULICS - LOADER CONTROL, REMOTE - IF USED (08) - HYDRAULICS
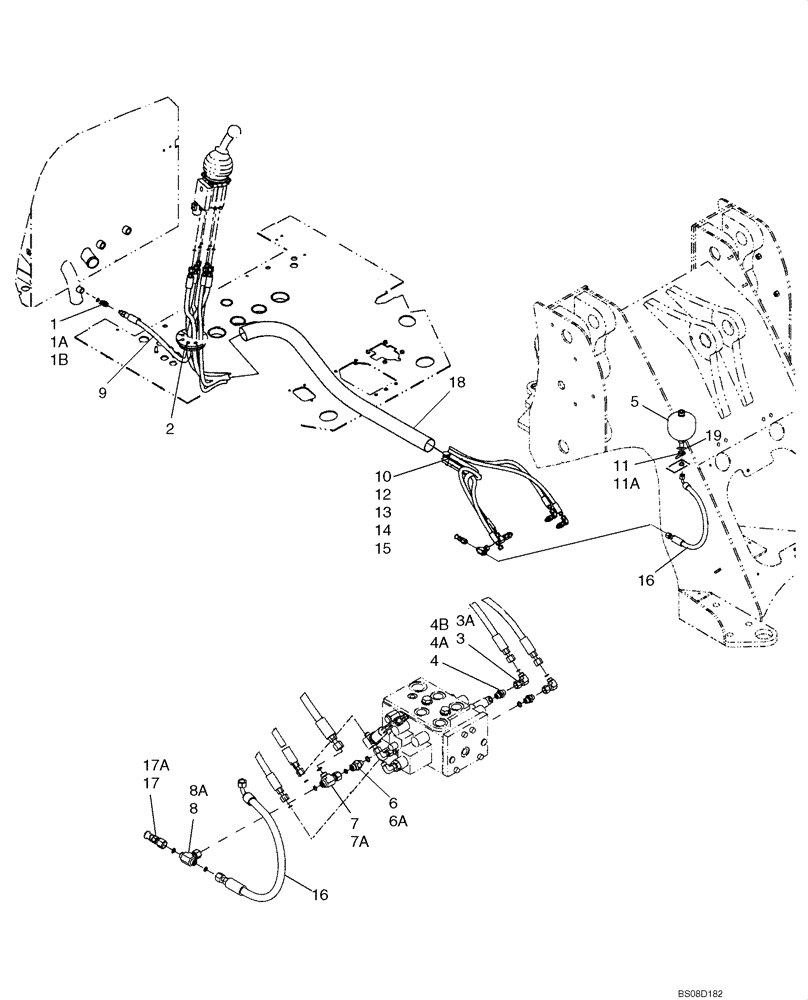
17
5
8
4b
4
1b
1a
16
6a
3
9
13
17a
10
14
4a
8a
11
16
3a
7
11a
1
15
2
7a
6
12
18
19
FIT
1:1
100%

Артикул

Название

Примечание

Количество

REF

INSTRUCTION

HOSE GROMMET TO TWO SPOOL VALVE

1шт.

1

700-101

HYD CONNECTOR,11/16" - 16 Male ORFS x M14 x 1.5 Male ORB

Incl. 1A, 1B

1шт.

1a

637-63113

O-RING,2.2mm Thk x 11.3mm ID, Cl 6

1шт.

1b

238-6012

O-RING,0.07" Thk x 0.364" ID, -12, Cl 6, 90 Duro

Face Seal

1шт.

2

380912A1

GROMMET

2шт.

3

701-329

ELBOW,90 Degree Elbow, 9/16" - 18 Male ORFS x 9/16" - 18 Female ORFS

Incl. 3A

4шт.

3a

238-6011

O-RING,0.07" Thk x 0.301" ID, -11, Cl 6, 90 Duro

Face Seal

1шт.

4

700-153

HYD CONNECTOR,9/16" - 18 Male ORFS x M14 x 1.5 Male ORB

Incl. 4A, 4B

4шт.

4a

637-63113

O-RING,2.2mm Thk x 11.3mm ID, Cl 6

1шт.

4b

238-6011

O-RING,0.07" Thk x 0.301" ID, -11, Cl 6, 90 Duro

Face Seal

1шт.

5

8501047

ACCUMULATOR

Component Parts Not Serviced Separately

1шт.

6

391859A1

VALVE, CHECK

Incl. 6A

1шт.

6a

637-63113

O-RING,2.2mm Thk x 11.3mm ID, Cl 6

1шт.

7

701-422

TEE,11/16" - 16 Male ORFS x 11/16" - 16 Male ORFS x 11/16" - 16 Female ORFS

Incl. 7A

1шт.

7a

238-6012

O-RING,0.07" Thk x 0.364" ID, -12, Cl 6, 90 Duro

Face Seal

2шт.

8

701-434

TEE,11/16" - 16 Male ORFS x 11/16" - 16 Male ORFS x 11/16" - 16 Female ORFS

Incl. 8A

1шт.

8a

238-6012

O-RING,0.07" Thk x 0.364" ID, -12, Cl 6, 90 Duro

Face Seal

1шт.

9

392059A1

HOSE ASSY.

1294 mm lg; Hydraulic Tank

1шт.

10

392058A1

HOSE ASSY.

2453 mm lg; Pressure

1шт.

11

701-909

NUT,11/16" - 16

Inc 11A

1шт.

11a

238-6012

O-RING,0.07" Thk x 0.364" ID, -12, Cl 6, 90 Duro

Face Seal

1шт.

12

366430A1

HOSE ASSY.

2492 mm lg; Lift; Left Hand

1шт.

13

366514A1

HOSE ASSY.

2471 mm lg; Tilt; Left Hand

1шт.

14

366513A1

HOSE ASSY.

2557 mm lg; Lift; Right Hand

1шт.

15

366515A1

HOSE ASSY.

2547 mm lg; Tilt; Right Hand

1шт.

16

87308338

HOSE ASSY.

1шт.

17

190119A1

COUPLING

Incl. 17A

1шт.

17a

238-6012

O-RING,0.07" Thk x 0.364" ID, -12, Cl 6, 90 Duro

Face Seal

1шт.

18

401526A1

HOSE PROTECTION,60mm ID x 1200mm L

1шт.

19

238-6012

O-RING,0.07" Thk x 0.364" ID, -12, Cl 6, 90 Duro

1шт.

Выбрано товаров: 30