Запчасти Case 621D (09-01) - CONTROL - RETURN-TO-DIG(Z BAR LOADER) (09) - CHASSIS

Схема запчастей Case 621D - (09-01) - CONTROL - RETURN-TO-DIG  (Z BAR LOADER) (09) - CHASSIS
8
4
6
2
10
7
5
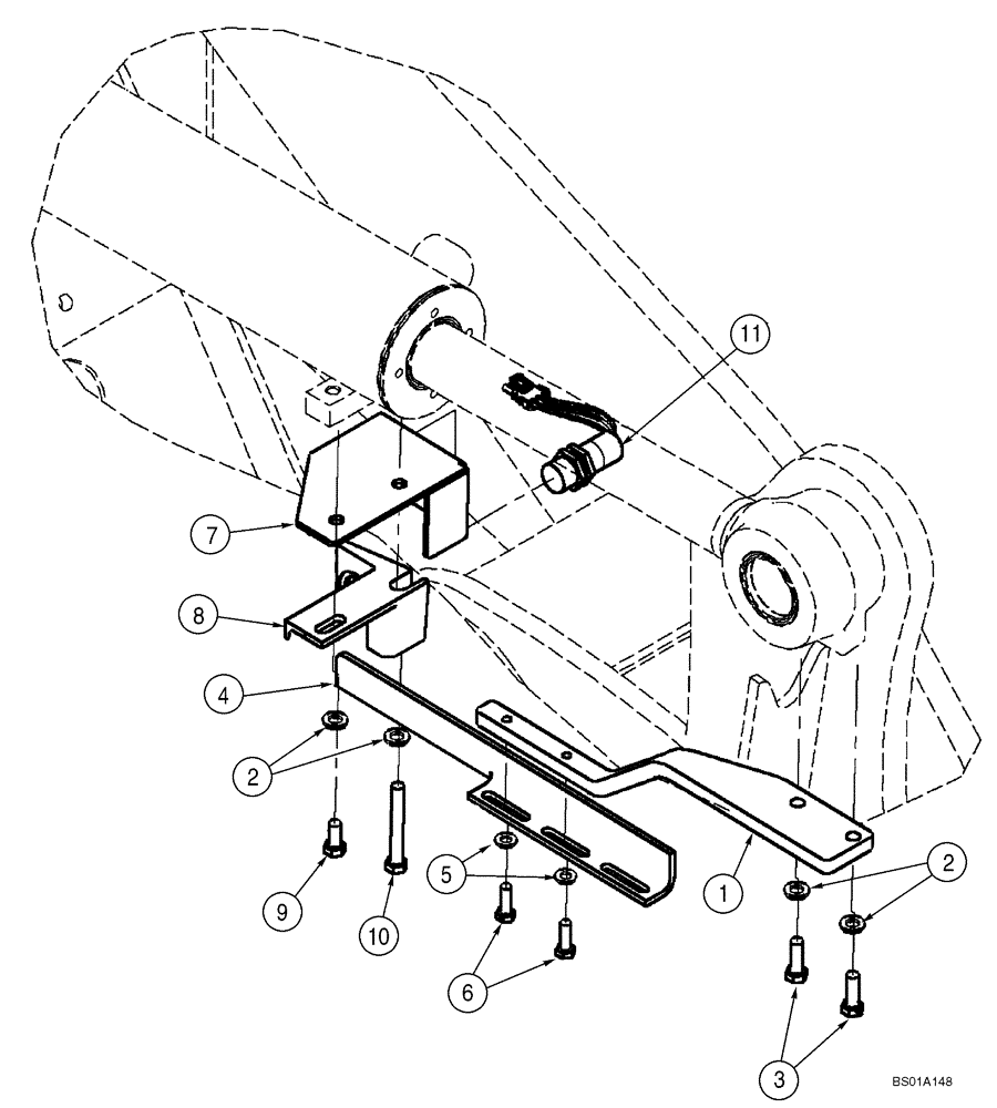
1
3
11
9
2
FIT
1:1
100%

Артикул

Название

Примечание

Количество

REF

INSTRUCTION

Z-BAR LOADER

1шт.

1

87403964

BRACKET

Return To Dig

1шт.

2

896-11012

WASHER,13.5mm ID x 24mm OD x 3mm Thk

4шт.

3

627-12035

BOLT,Hex, M12 x 1.75 x 35mm, Cl 10.9, Full Thd

2шт.

4

87403965

BRACKET

Z-Bar Option

1шт.

4

87403968

BRACKET

XR Option

1шт.

5

896-11010

WASHER,11mm ID x 21mm OD x 2.5mm Thk

2шт.

6

627-10030

BOLT,Hex, M10 x 1.5 x 30mm, Cl 10.9, Full Thd

2шт.

7

87403966

COVER

Proximity Switch

1шт.

8

L125983

SUPPORT

Proximity Switch

1шт.

9

627-12025

BOLT,Hex, M12 x 1.75 x 25mm, Cl 10.9, Full Thd

1шт.

10

827-12090

BOLT,Hex, M12 x 1.75 x 90mm, Cl 10.9

1шт.

11

1546497C1

SWITCH

1шт.

Выбрано товаров: 13