Запчасти Case 621D (09-26) - FRAME, FRONT (Z BAR LOADER) (09) - CHASSIS

Схема запчастей Case 621D - (09-26) - FRAME, FRONT (Z BAR LOADER) (09) - CHASSIS
3
3
11
12
4
5
14
5
1
2
1
7
9
6
16
4
13
10
15
8
FIT
1:1
100%

Артикул

Название

Примечание

Количество

REF

INSTRUCTION

Z-BAR LOADER

1шт.

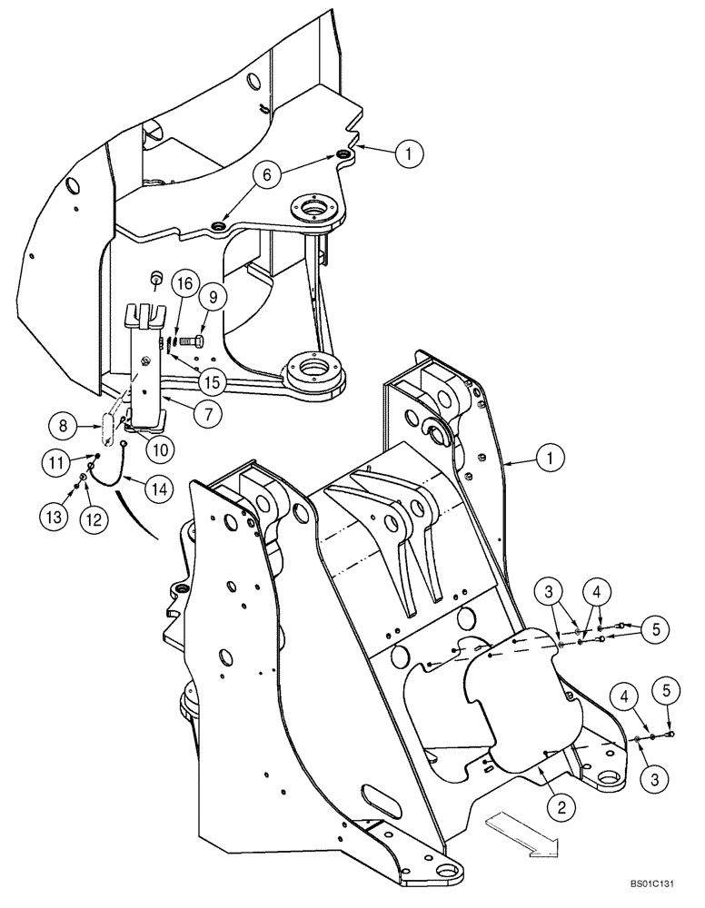
1

86989775

CHASSIS

Front Chassis

1шт.

2

361079A1

COVER

Valve

1шт.

3

895-11010

WASHER,11mm ID x 20mm OD x 2mm Thk

3шт.

4

892-11010

LOCK WASHER,M10

3шт.

6

380602A1

BUSHING

2шт.

7

406347A1

SUPPORT ASSY.

1шт.

8

406390A1

HANDLE

1шт.

9

627-12020

BOLT,Hex, M12 x 1.75 x 20mm, Cl 10.9, Full Thd

1шт.

10

627-6020

BOLT,Hex, M6 x 1 x 20mm, Cl 10.9, Full Thd

1шт.

11

324286A1

SPACER

Bushing

1шт.

12

895-25006

WASHER,6.6mm ID x 18mm OD x 1.6mm Thk

1шт.

13

832-10406

NUT,M6 x 1, Cl 8

1шт.

14

411739A1

CHAIN

315 mm (12-3/8 in)

1шт.

15

L300295

RETAINER

1шт.

16

895-15010

WASHER,11mm ID x 24mm OD x 2mm Thk

1шт.

17

426-612

BOLT,Hex, 3/8" - 16 x 3/4", Gr 8

Not Illustrated

2шт.

18

495-21044

WASHER,3/8"

Not Illustrated

2шт.

5

627-10030

BOLT,Hex, M10 x 1.5 x 30mm, Cl 10.9, Full Thd

3шт.

Выбрано товаров: 19