Запчасти Case 621D (09-36) - CAB/CANOPY - MOUNTING, GLASS, AND REAR LIGHT POD (09) - CHASSIS

Схема запчастей Case 621D - (09-36) - CAB/CANOPY - MOUNTING, GLASS, AND REAR LIGHT POD (09) - CHASSIS
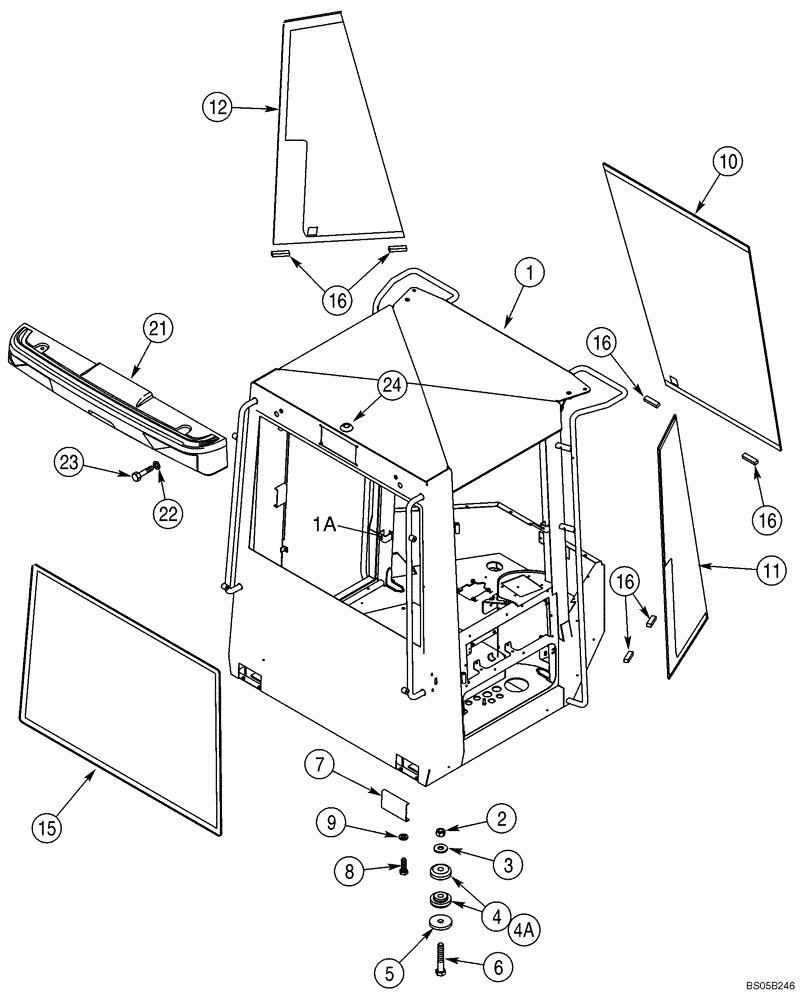
2
16
7
8
9
23
16
4
1
11
5
24
15
1a
21
12
10
16
3
22
16
4a
6
FIT
1:1
100%

Артикул

Название

Примечание

Количество

418007A1

CAB

Service Shell; Includes Frame, Doors, Windows, Glass (Front Glass Laminated) and Seals

1шт.

1

NSS

NOT SOLD SEPARAT

Frame; Incl. 1A

1шт.

1a

197333A1

BRACKET

Welded On Striker Mounting

1.шт.

2

329-1014

NUT,7/8"-9, G8

4шт.

3

396-41094

WASHER,23.82mm ID x 57.15mm OD x 5.56mm Thk

4шт.

4

358981A1

RUBBER MOUNTING

Cab/Canopy Support; Rear

4шт.

4a

358982A1

RUBBER MOUNTING

Cab/Canopy Support; Front

4шт.

5

1332154C1

WASHER,23mm ID x 95.3mm OD x 12.7mm Thk

Special

4шт.

6

326-1488

BOLT,Hex, 7/8" - 9 x 5-1/2", Gr 8

4шт.

7

241301A2

COVER

Access

2шт.

8

627-6020

BOLT,Hex, M6 x 1 x 20mm, Cl 10.9, Full Thd

4шт.

9

895-25006

WASHER,6.6mm ID x 18mm OD x 1.6mm Thk

4шт.

10

326951A1

CAB GLASS ASSY

Cab Front; Center; Requires Items 13 and 14 For Installation; Laminated

1шт.

10

367889A1

GLASS

Cab Front; Center; Requires Items 13 and 14 For Installation; Tempered; Non Euro

1шт.

11

198053A1

GLASS

Cab Front; Right Hand; Requires Items 13 and 14 For Installation

1шт.

12

198052A1

GLASS

Cab Front; Left Hand; Requires Items 13 and 14 For Installation

1шт.

13

114327A1

TAPE

Special; Not Illustrated

2шт.

14

114328A1

SEALANT

Silicone; Not Illustrated

1шт.

15

198054A1

GLASS

Cab Rear Window

1шт.

15

235905A1

CAB GLASS

Canopy; Rear Window

1шт.

16

97268C1

SPACER

Glas Installation

6шт.

21

321576A2

RETAINER

Rear Light

1шт.

22

896-15012

WASHER,13.5mm ID x 28mm OD x 4mm Thk

13,5 x 28 x 4 mm

2шт.

23

827-12050

BOLT,Hex, M12 x 1.75 x 50mm, Cl 10.9

2шт.

24

217-476

DRAIN PLUG,Sq Soc, 1" - 11-1/2, NTPF

1шт.

Выбрано товаров: 25