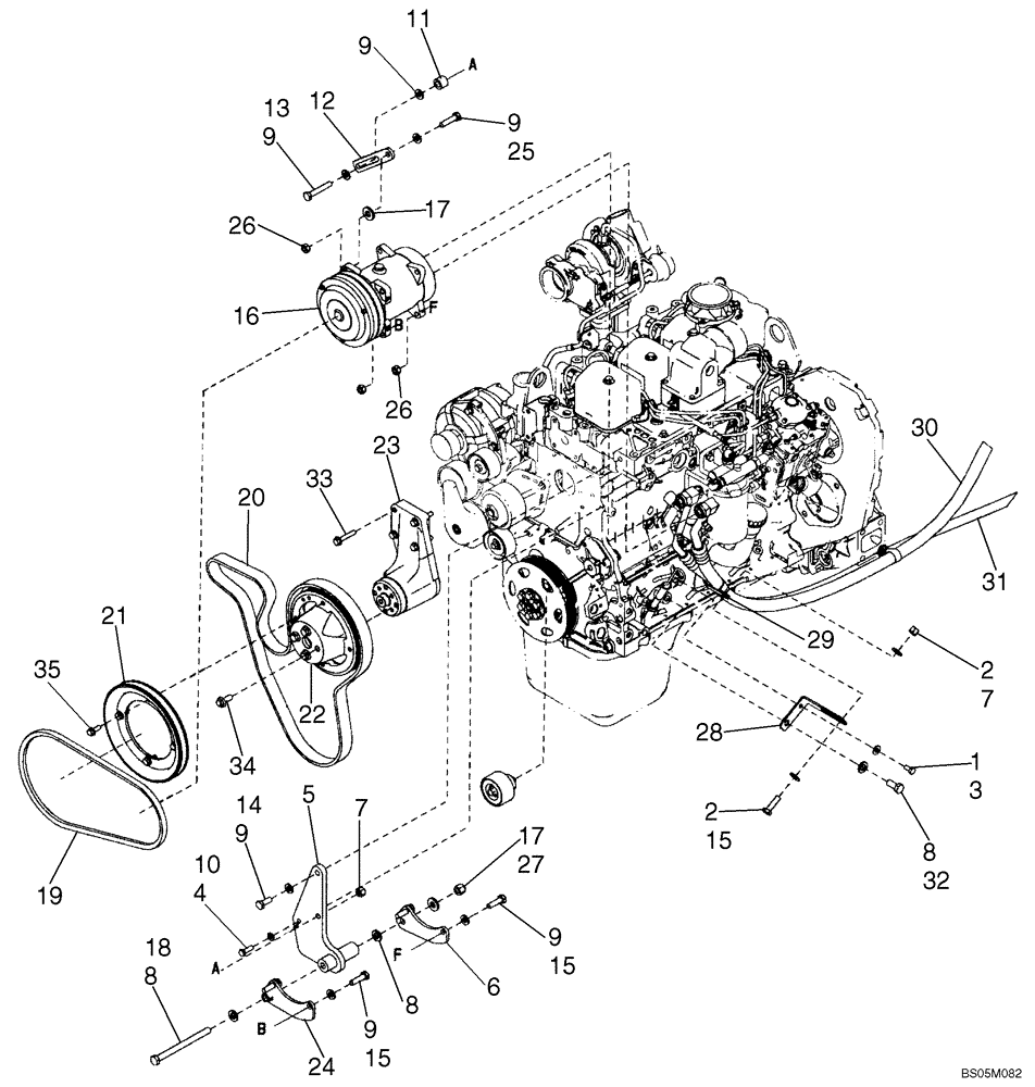
Запчасти Case 621D (09-57A) - AIR CONDITIONING - COMPRESSOR MOUNTING - IF USED (09) - CHASSIS

Схема запчастей Case 621D - (09-57A) - AIR CONDITIONING - COMPRESSOR MOUNTING - IF USED (09) - CHASSIS
9
15
7
9
22
8
20
2
26
33
6
29
34
2
25
1
17
13
14
24
2
15
35
7
4
9
28
19
23
9
3
18
8
30
12
9
9
10
9
17
27
11
21
16
26
5
31
32
FIT
1:1
100%

Артикул

Название

Примечание

Количество

1

627-8016

BOLT,Hex, M8 x 1.25 x 16mm, Cl 10.9, Full Thd

1шт.

2

895-15010

WASHER,11mm ID x 24mm OD x 2mm Thk

2шт.

3

895-15008

WASHER,9mm ID x 20mm OD x 1.6mm Thk

1шт.

5

87306668

BRACKET

A/C Compressor

1шт.

6

87306658

BRACKET

1шт.

7

832-10410

NUT,M10 x 1.5, Cl 8

2шт.

8

896-11012

WASHER,13.5mm ID x 24mm OD x 3mm Thk

3шт.

9

896-11010

WASHER,11mm ID x 21mm OD x 2.5mm Thk

8шт.

10

896-11008

WASHER,9mm ID x 17mm OD x 2mm Thk

9 x 17 x 2 mm

1шт.

11

86536116

SPACER

1шт.

12

87306665

BRACKET

Freon

1шт.

14

627-10025

BOLT,Hex, M10 x 1.5 x 25mm, Cl 10.9, Full Thd

1шт.

15

627-10035

BOLT,Hex, M10 x 1.5 x 35mm, Cl 10.9, Full Thd

5шт.

16

86983967

AIRCOND. COMPRESSOR,24V, W/ Clutch, W/ Pulley

Air Conditioning; Component Parts Not Serviced Separately

1шт.

86983967R

REMAN-COMPRESSOR,24V, W/ Clutch, W/ Pulley

621D S/N JEE0135501 & AFTER (1/03)

1шт.

86983967C

CORE-COMPRESSOR

Return Number

1шт.

17

896-15012

WASHER,13.5mm ID x 28mm OD x 4mm Thk

13,5 x 28 x 4 mm

2шт.

18

827-12150

BOLT,Hex, M12 x 1.75 x 150mm, Cl 10.9

1шт.

19

87403165

BELT,12.70 mm W x 1041.40 mm L

Compressor

1шт.

20

87439531

KIT

KIT Drive Belt

1шт.

21

87403839

KIT

A/C Pulley

1шт.

22

87403837

PULLEY ASSY.

Kit; A/C Drive

1шт.

23

87403838

KIT

A/C Drive Support

1шт.

24

87306662

BRACKET

Compressor

1шт.

25

827-10040

BOLT,Hex, M10 x 1.5 x 40mm, Cl 10.9, Full Thd

1шт.

26

832-46410

NUT,M10 x 1.5, Cl 8

5шт.

27

832-10412

NUT,M12 x 1.75, Cl 8

1шт.

28

87408374

BRACKET

Hose

1шт.

29

R54363

CLAMP

Double

1шт.

30

87409016

HOSE ASSY.

Compressor To Cab Base; 2706mm ( 106-1/2 in ); Incl. O-Ring

1шт.

128485A1

O-RING,1.78mm Thk x 14mm ID, 70 Duro

1шт.

31

87408371

HOSE

Compressor To Condensor; 2906 (114-1/2 in ); Incl. O-Ring

1шт.

128485A1

O-RING,1.78mm Thk x 14mm ID, 70 Duro

1шт.

32

627-12025

BOLT,Hex, M12 x 1.75 x 25mm, Cl 10.9, Full Thd

1шт.

33

844-8045

BOLT,Hvy Hex, M8 x 45mm, Cl 8.8

4шт.

34

844-10025

BOLT,Hex, M10 x 25mm, Cl 8.8

4шт.

35

844-8020

BOLT,Hvy Hex, M8 x 20mm, Cl 8.8

4шт.

13

827-10060

BOLT,Hex, M10 x 1.5 x 60mm, Cl 10.9

1шт.

4

627-8025

BOLT,Hex, M8 x 1.25 x 25mm, Cl 10.9, Full Thd

1шт.

Выбрано товаров: 39