Запчасти Case 621D (02-22) - TURBOCHARGER SYSTEM (02) - ENGINE

Схема запчастей Case 621D - (02-22) - TURBOCHARGER SYSTEM (02) - ENGINE
5
3
11
16
2
14
15
13
1
7
15
10
15
4
6
12
17
8
9
FIT
1:1
100%

Артикул

Название

Примечание

Количество

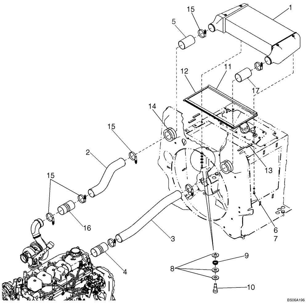
1

347613A1

AFTERCOOLER

Charge Air

1шт.

2

86983212

TUBE,76.20 OD x 400, 154 mm L

Charge Air Turbo

1шт.

3

86983213

AIR INTAKE TUBE,76.20 mm OD x 520, 445 mm L

Charge Air Intake Tube

1шт.

4

87340015

INTAKE AIR HOSE,76.20mm ID x 140mm L

Replaces 8501051

1шт.

5

87340274

INTAKE AIR HOSE,76.20mm ID x 129mm L

Replaces 86983214

1шт.

6

892-11008

LOCK WASHER,8mm ID

2шт.

7

627-8016

BOLT,Hex, M8 x 1.25 x 16mm, Cl 10.9, Full Thd

2шт.

8

895-15010

WASHER,11mm ID x 24mm OD x 2mm Thk

6шт.

9

386040R1

SPRING

2шт.

10

561-703

HEX SOC SCREW,M8 x 32.4, 10 x 16mm shldr, Cl 12.9

2шт.

11

381934A1

SEAL

Charge Air

2шт.

12

86983215

SEAL

Charge Air Seal

2шт.

13

86984661

FOAM

Cover

2шт.

14

8500167

SEAL

Seal, Charge Air Tubes

2шт.

15

L115549

CLAMP,69.85mm - 92.08mm

2шт.

16

87340284

INTAKE AIR HOSE,76.20mm ID x 129mm L

Charge Air; Replaces 8501051

1шт.

17

87340273

INTAKE AIR HOSE,76.20mm ID x 129mm L

Replaces 86983214

1шт.

Выбрано товаров: 17