Запчасти Case 621D (02-47) - ENGINE - COLD START SYSTEM (02) - ENGINE

Схема запчастей Case 621D - (02-47) - ENGINE - COLD START SYSTEM (02) - ENGINE
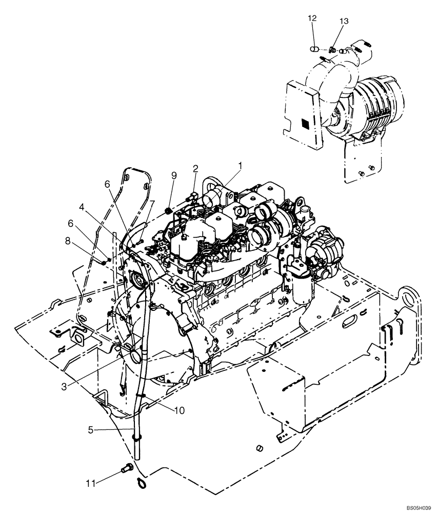
9
3
6
5
10
6
8
4
2
12
1
11
13
7
FIT
1:1
100%

Артикул

Название

Примечание

Количество

REF

INSTRUCTION

Kit

1шт.

1

87324582

PLATE

Plate; Breather

1шт.

2

217-134

ELBOW,90 Degree Elbow, 5/8" Hose Barb x 1/2" Male NPTF

1шт.

3

515-24238

CLAMP,15/16", Insul, 7/16" Bolt

M10 Bolt

1шт.

4

515-23238

CLAMP,15/16", Insul, 3/8" Bolt

1шт.

5

87324583

HOSE,15.50 mm ID x 1510.00 mm

Breather

1шт.

6

895-11008

WASHER,9mm ID x 16mm OD x 1.6mm Thk

2шт.

7

614-8030

BOLT,Hex, M8 x 1.25 x 30mm, Cl 8.8, Full Thd

1шт.

8

832-10408

NUT,M8 x 1.25, Cl 8.8

1шт.

9

1954736C1

HOSE CLAMP,#24

1шт.

10

L18331

CABLE TIE,375.9mm L, Nylon, Black

CABLE STRAP

2шт.

11

614-20040

BOLT,Hex, M20 x 2.5 x 40mm, Cl 8.8, Full Thd

If used

1шт.

12

87355318

CAP

Breather; If Used

1шт.

13

214-1416

HOSE CLAMP,#16, 0.81" - 1.5", Type F Worm

1шт.

Выбрано товаров: 14