Качественные детали и логистика
Оригинальные и аналоговые запчасти с доставкой по России, Казахстану и Беларуси
©2022 PartSell ООО "Система" ИНН 2463123282 ОГРН 1212400004838
Центральный офис: г. Красноярск, Академика Киренского, д.87, пом.4
Телефон: 8 (800) 777-65-74 Email: zakaz@partsell.ru
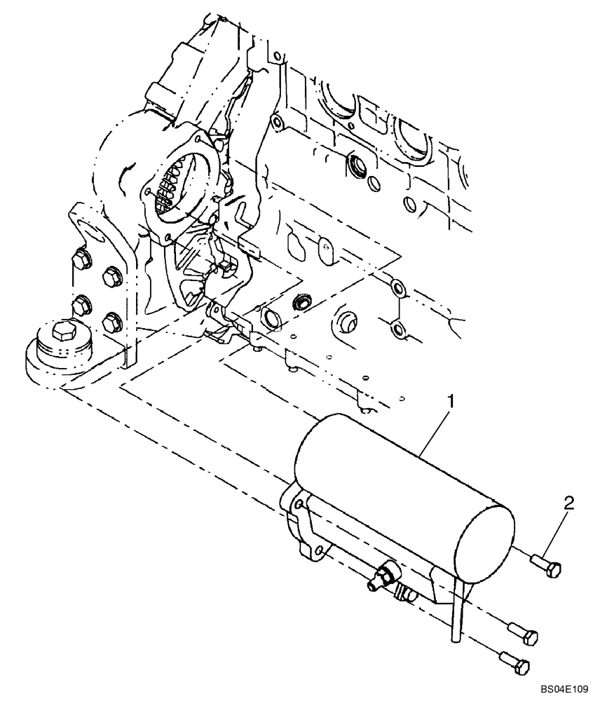
(04-01A) - STARTER - DENSO
№
Артикул
Название
Примечание
Количество
1
8605784
STARTING MOTOR
Denso; 7.8kw-24V
1шт.
8605784R
REMAN-STARTER
8605784C
CORE-STARTER
Return Number
2
627-10030
BOLT,Hex, M10 x 1.5 x 30mm, Cl 10.9, Full Thd
3шт.
Выбрано товаров: 0