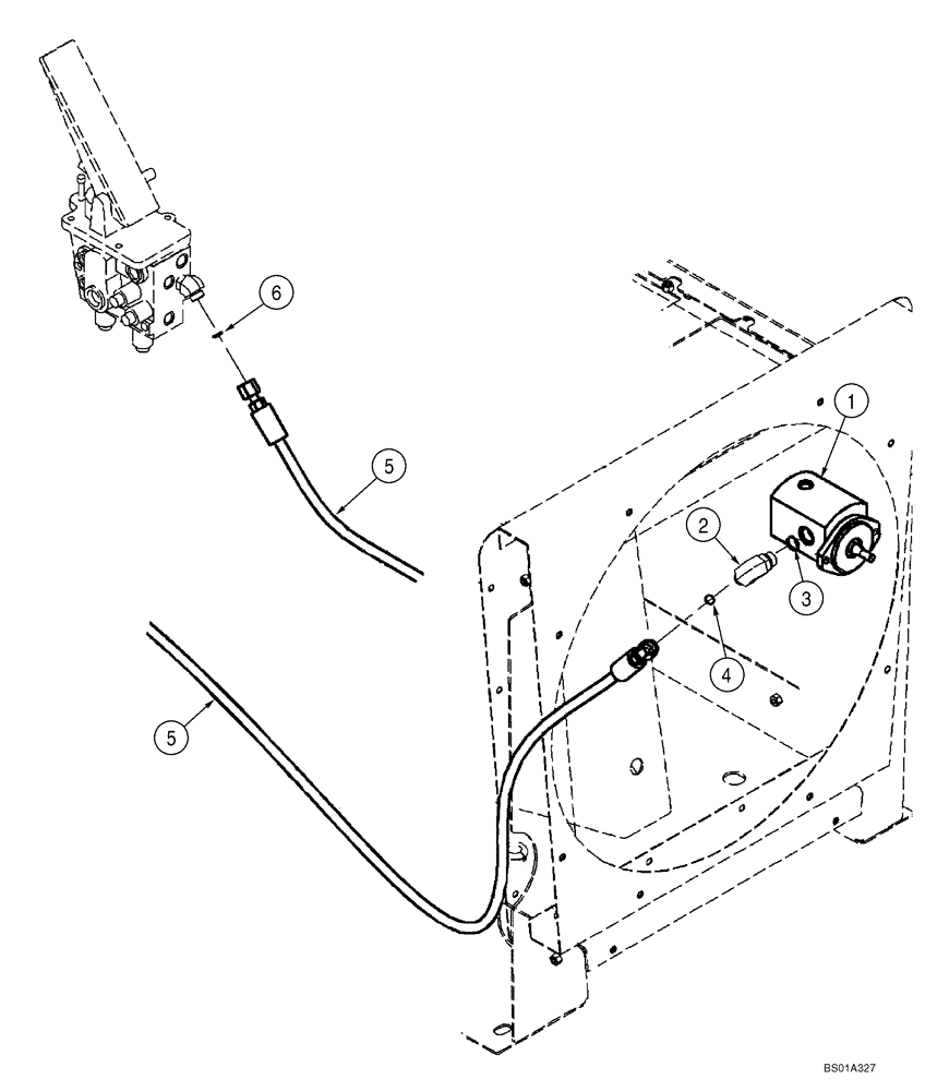
Запчасти Case 721D (02-05) - COOLING SYSTEM - MOTOR, DRIVE (02) - ENGINE

Схема запчастей Case 721D - (02-05) - COOLING SYSTEM - MOTOR, DRIVE (02) - ENGINE
1
4
3
5
2
6
5
FIT
1:1
100%

Артикул

Название

Примечание

Количество

STANDARD FAN DRIVE

1шт.

1

400336A1

HYDRAULIC MOTOR

1шт.

87426773R

REMAN-HYD MOTOR

721D (1/03-) Reman For New P/N 400336A1

1шт.

87426773C

CORE-MOTOR HYDRAULIC

Return Number

1шт.

2

700-326

ELBOW,90 Degree Elbow, 13/16" - 16 Male ORFS x M22 x 1.5 Male ORB

Incl. 3, 4

1шт.

3

238-6014

O-RING,0.07" Thk x 0.489" ID, -14, Cl 6, 90 Duro

Face Seal

1шт.

4

637-63153

O-RING,2.2mm Thk x 15.3mm ID, Cl 6, 90 Duro

1шт.

5

367870A1

FLEXIBLE HOSE

2327 mm; Brake to Fan Drive

1шт.

6

238-6014

O-RING,0.07" Thk x 0.489" ID, -14, Cl 6, 90 Duro

Face Seal

1шт.

Выбрано товаров: 9